近年来随着电子工业的飞速发展,单片机技术日益渗透到各行各业的各个领域内。其发展趋势是集成度和智能化程度越来越高,外围接口电路越来越简单,使用极为方便。本文介绍的多功能时间顺序控制器就是用掩膜工艺制造的专用四位单片机,除了应用在工农业生产及各种家电产品的控制中外,很适合青少年朋友制作和开发出一些新颖的时间控制产品。如上下班自动打铃器、各种照明设备的定时控制,象路灯、彩灯、广告灯、航标灯及家庭楼道照明等等。还可控制空调机、电烤箱、电饭煲等(上班前将洗好的米菜放好,定好时间,下班回家饭即做好)。另外,还可作为家庭防盗用,如家人外出时可定时打开家里的收录机或电灯,造成室内有人的假象。其用途之广不胜枚举。这里除了介绍其基本原理和功能外,配合多功能时间顺序控制器模块,设计了能实现五种功能的控制板,工作原理见图1。同时提供几种应用方案,借以抛砖引玉,希望能通过这个制作,发挥青少年朋友的聪明才智,设计出更多更优秀的产品。

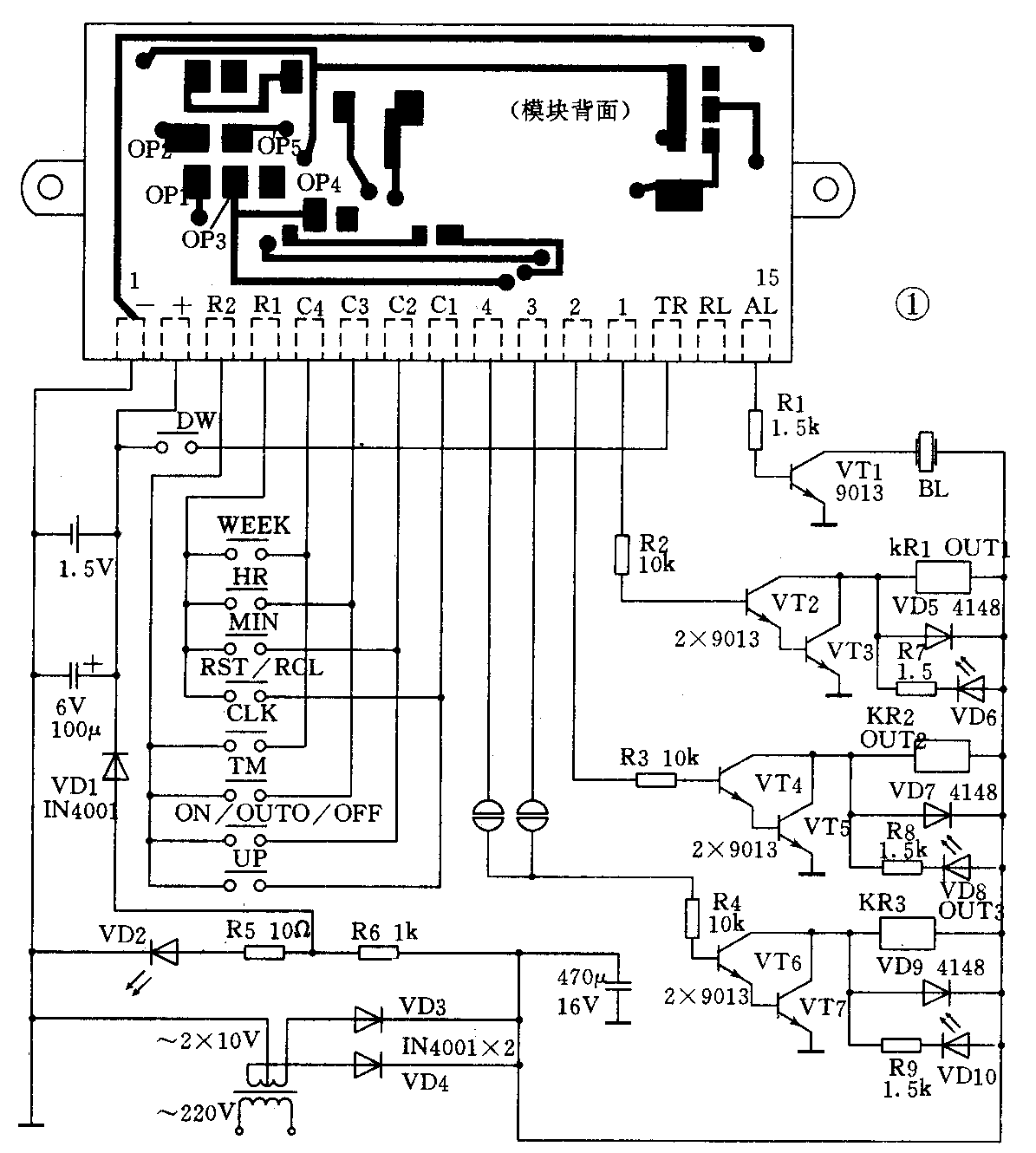
多功能时间顺序控制器模块由专用的四位微处理器芯片直接封装在PCB板上,外围使用贴片元件,采用表面安装技术。LCD液晶显示屏面积48×17(mm)\(^{2}\),通过导电橡胶直接与线路板连接。其有关操作按钮及控制信号直接由15个端点引出。正反面分别如图1和图2所示。组件由模块与控制板两部分组成,模块为57×29×9(mm)3,控制板外形尺寸为82×70×30(mm)\(^{3}\)。图1中接线分别可实现五种工作方式:(1)在一天内或一周内对一路输出作六次定时接通和六次关断控制。(2)对两路输出各作三次定时开和三次关断控制。(3)对三路输出各作二次定时开、关控制。(4)对一路输出作四次定时开关控制。另一路做倒计时控制,即瞬时启动延时关闭控制或瞬时关闭和延时启动控制。时间可在1-99分钟内任意设定,同时还有顺计时功能。(5)对一路输出作八次30秒闹铃控制,另一路作倒计时控制,同时有顺计时功能。上述五种功能须将模块后面的端子按要求连接后才能实现。但每次改变连接方式前必须先断电。并注意将电容器的电放完后再接通电源即可进入该工作方式。利用9个导电橡胶按钮可进行时间程序设定。

模块的主要技术指标:工作电压1.5V、工作电流≤10μA,时钟误差1S,工作温度:-5℃~50℃,控制间隔:最短1分钟、最长168小时。控制口电平1.2~1.45V,100μA,闹铃信号:2秒钟2kHz音频信号(模式5为30秒)。功能键名称:1.CLK—一时钟键,配合“WEEK,HR,MIN”可调校周、日、时、分;2.WEEK—一星期;3.HR—一校时;4.MIN——校分;5.TM—一时段设定键;6.ON/AUTO/OFF——输出状态键选择键,在“ON”位置开关接通,在“AUTO”位置按设定时间自动控制,在“OFF”位置,开关断开,设定时间不起作用,使用此按钮时一定要从“ON”凋至“OFF”,再从“OFF”调至“AUTO”即“ON→AUTO→OFF→AU-TO”这样“AUTO”自动控制功能才能起控;7.RST/RCL—一冻结,复位键。以上七个功能键在工作模式1-3时使用,工作模式4—5须增加8“SLEEP(DW)”和9“UPCNT”两个按钮,其位置见图2。
按一路输出六次开机六次关机设定的,电路工作在模式1时,模块背后的OP1一OP5均处于开路状态。电路可根据用户时间控制不同的要求,对控制器作一周一次性设定。六组时间的开关程序按星期可分为三类。即每周每天的时间都相同为第一类;星期一至星期五相同,星期六和星期天相同的为第二类。这种分类可使时间调校快捷方便。1.在一周内,每天动作时间都相同,先按“TM”键,使时钟进入定时编程状态,然后按“WEEK”键使得屏上的星期“MO、TU、WE、TH、FR、SA、SU”七个符号同时显示出来,再用“TM、HR、MIN”键设定各个定时器的启闭时间,这样,每天最多有六组控制输出,一周内完成84次启闭动作。如果不需使用六组,比如,只用四组,其余两组时间要用“RST/RCL”键“冻结”起来,“冻结”后LCD显示为“——————”。2.在一周内,动作时间星期一至星期五相同,星期六和星期日相同,则可先按“TM”键,然后用“WEEK”键使得屏幕上的星期“MO,TU,WE,TH,FR”同时显示出来用“TM、HR、MIN”键设定各定时器的启闭时间,再用“WEEK”键使得屏幕上显示星期“SA、SU”同样以“TM、HR、MIN”键设定各定时器的启闭时间,由于定时器总共有六组,两段各分配几组定时,由使用者决定。第三类是在一周内每天动作时间不相同,则可先按TM键然后用“WEEK”键,使屏上的星期符号单独显示出来,再用“TM、HR、MIN”键设定定时器的动作时间。多路控制见图1电路接线,按不同要求短接OP1一OP5,分别可设定前面所述1—5种工作方式,但要注意设定后,重新将工作电源接通一次。OP3与OP5短接时可实现两路输出各三次定时启闭(模式2)。在七个控制按键中除“ON/AUTO/OFF”键功能变为“ON/OFF”外,其它键功能不变,在定时器状态时,横线在LCD的左边,按“ON/OFF”键“TM1、TM2、TM3”控制的OUT1对应的接口继电器,横线在LCD的中间,按“ON/OFF”键,TM4、TM5、TM6控制的OUT2对应的接口继电器,OUT1与OUT2是独立的,两者时间设定可以相同也可以不同,根据实际需要设定。控制三路输出:OP3与OP5短接时可实现三路输出各2次定时启闭(模式3),原七个按键中,除“ON/AUTO/OFF”键功能变为“ON/OFF”外,其它键功能不变,在定时器状态时横线在LCD的左边,按“ON。/OFF”键,TM1、TM2控制OUT1对应接口继电器,横线在LCD的中间,按“ON/OFF”键,TM3、TM4控制的OUT2对应的接口继电器,横线在LCD的右边,按“ON/OFF”键,TM5、TM6控制的OUT3对应的接口继电器。OUT1、OUT2、OUT3是独立的三个时间设定,可以相同也可不同,根据实际需要设定,在工作模式4将OP1与OP5短接,OUT1对应的接口继电器可设定四次开、四次关断的时间程序控制,设定方法如模式1,倒计时控制可按动“DW”进入该状态,然后用“MIN”设定倒计时控制时间,再用“DW”启动倒计时,当到达设定控制时间后OTU3输出高电平,控制对应继电器。重复使用时仅需按“RST/RCL”键和“DW”键即可重新启动倒计时控制,按“UP”可进入计时状态,再接第二次即可启动计时器,计时以秒为单位可从0秒—99小时59分59秒。工作模式5时,OP1与OP4短接,可设定八次响闹时间,每次为30秒,操作方法同模式1。OUT1是按“1、3、5、7”时间程序工作,OUT2按所设定的1一8个时间程序工作,每次吸合30秒。倒计时时间设定方法,同模式4,从按“DW”开始到达设定时间后响闹30秒,OUT1吸合30秒,计时功能同模式4。
图3是一种语音电脑秘书电路,它主要用于学生作息安排,厂长或经理及业务人员日程安排,进行语音提示。该电路设定工作模式4。配合固体录音电路,每天可设定八次语音提示,事先将日程安排录入语音存储器,再按相应的内容设定时间。如第一次上午8:25“开大会”,第二次上午10点“到车间安排工作”,第三次下午2点30分“看展览”,依此类推可设定8次。语音提示程序对于公务繁忙的人来说等于增添了一位电脑秘书,对于学生来说可以帮助养成良好的学习和生活习惯。多功能时间顺序控制组件还可配合报时报温钟,进行各种环境和专用设备的特定时间温度提示,例如某电热孵化设备的温度需要在每天上午8:30分和中午12:30及下午5:20各报一次温度和时间,此电路只须将工作模式设定在模式4,再设定相应的时间,将继电器OUT2的常开接点与报时报温钟的启动按钮相接即可。报温钟的温度传感器导线适当放入被测的环境中即可,此电路也可用在大型电视和轴瓦,电力变压器及各种设备的定时监测中。

多功能时间顺序控制器的控制接口若用高灵敏固态继电器,可省去电源变压器,直接用1节5号电池即可连续工作100天。其控制口的电平可直接驱动固态继电器来控制设备,该方案只是成本略高一点。 (陈九如 王春玉)