扩音机、逆变器、调压器、充电机、电压转换器、双直流电源以及可调稳压实验电源,这些都是电子爱好者喜爱的作品。利用暑假期间,自己动手制作一台多种功能的实用电器,不但从中学到一些入门知识,提高制作水平,还为家庭添置一种实用廉价的电器设备。
制作这台多功能实用电器,需要以下备件:①70W多功能变压器,②整流滤波组件,③傻瓜175功放电路,④UPS040逆变模块,⑤TWH9311稳压组件,⑥半桥整流堆。如果只制作期中某项电路,只要按实际单元选择必要备件即可。下面分别介绍各单元电路。
一、220/110V电压转换器
有些国外进口电器,如录像机、激光影碟机、传真机等使用110V供电,不适合我国电网使用,这时可利用多功能变压器的初级绕组进行降压至110V,接线见图1。

多功能变压器的额定功率为75W,是指在初、次级隔离使用时的功率,当用于初级自耦式降压,次级悬空不用时,输出110V的功率将为140W,可供140W以下的电器使用。
二、200W家用调压器
把多功能变压器的初次级串联起来,就成为一只实用的交流升压或降压的调压装置,这种接法的实用功率将大于200W,可供200W以下的电器使用。图2是每档11V共44V升压器,图3是每档11V共44V降压器,图4是既可升压两档共22V,又可降压两档共22V的升降压调压器,供实际应用时选择。在制作调压器时,要注意初次级串接时的相位正确。



三、12V/24V充电机
在多功能变压器的次级端接上一只半桥整流堆,就成为一部可供12V或24V电瓶用的充电机,适合对摩托车电瓶、家用逆变电瓶进行充电使用,图5中的开关置于12V位置。值得注意的是:电瓶是以峰值电压进行充电的,变压器输出电压属于“交流有效值”,经桥堆整流后的电压是一种“直流脉冲”,而普通万用表测量直流电压的读数是“直流平均值”,如果用它去测量这种“直流脉冲”,读数只是峰值的0.7,因此不能用这个数值去衡量充电电压的高低。变压器设计在11V,其充电峰值将达15V,已满足充电使用。

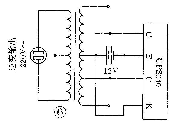
四、40W逆变器
UPS040是一只功能齐全的逆变模块,本刊1989年第7期介绍过。用它配合多功能变压器,可制作40W逆变器,接线见图6,其逆变时间长短取决于电瓶容量和实际负载功率,一个充满电12V、6.5AH电瓶,逆变点亮一个40W灯泡可工作约100分钟。

制作时UPS040应安装在15×15×0.3(cm)铝板上,以利散热。这种逆变器的逆变方式为方波,逆变功率有限,只适宜作灯泡照明或阻性负载电器如电烙铁等使用。
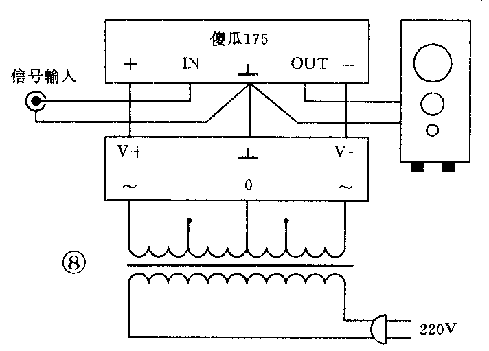
五、双直流电源及高保真扩音机
在制作音响电路时,往往需要一个具有正、负输出的双直流电源。利用整流滤波组件与变压器组合,将得到双组纯直流电源。整流滤波组件是一种交流变直流固态电路,其内部已封装了一只2A正、负向全波整流堆以及正、负50V,3300μF滤波电解电容器,并设有高频旁路电容,安装十分方便,接线见图7。其输出电压分别为±15V及±30V,可通过开关选择。

如果你有一块傻瓜175IC,利用上述双直源电源就可构成一个高保真扩音机,见图8。

制作时要注意:1.傻瓜IC应安装在大体积散热器上,输入线应采用屏蔽线连接,各引线不要打圈和扎在一起。2.被放大的音源最好来源于激光唱机,收录机的线路输出端,使输入阻抗匹配。傻瓜175功放电路,《无线电》1991年第1期介绍过。
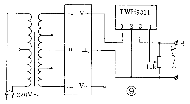
六、3~25V可调稳压直流电源
TWH9311系列开关式可调稳压组件在《无线电》 1994年第3期曾介绍过,在图7的基础上增加一只TWH9311,就成为一个高稳定度且有过流保护的3~25V可调稳压源,接线见图9。本电路的保护电流为1.2A,如选配TWH9312或TW119313组件,输出电流将达2A。

当把以上几个单元电路实验完毕,且都认为满意时,可把几个电路通过积木方式,利用多只大电流三档开关(俗称逆停充开关)、接线柱、输出插座等组合起来,成为一台多功能的实用电器,需要哪种功能时,由开关进行选择。
这台电器平时可作扩音机使用,欣赏乐曲,停电时又可作逆变器,电瓶电流不足可作充电用。它既可调节市电高低,又可作110V电压转换,在实验室里,又是一台双直流电源和可调直流电源,一举多得。 (蔡凡弟)