人们为了丰富业余生活,总希望自己的电视机能收到尽量多的电视台信号。一副好电视接收天线再配一套高性能天线放大器,可大大提高接收弱电视信号能力,增加接收频道,取得理想接收效果。
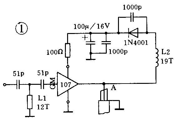
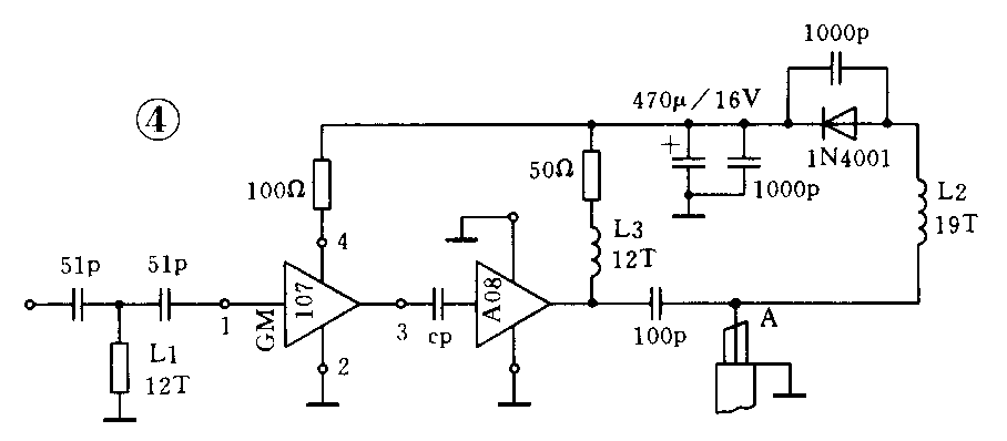
本文介绍几种简单易制的全频道天线放大器,供读者自制。图1为采用GM107高频组件的单级放大器,其噪波系数优于1.7dB,最高增益可达27dB。图2为采用二级GM107高频组件的放大器,最高增益可达43dB。图3为采用A08集成电路的放大器,增益可达32dB。图4为GM107高频组件与A08电路组成的放大器,增益可达48dB。




以上4种电路只要焊接无误,基本不用调试即可正常工作。图5是供电电路。图6是GM107高频组件的外形与管脚排列图。图7是A08电路的外形与管脚排列图,制作时管脚不要搞错。



图2、图4中的耦合电容器CP的容量为6.8P,欲改变增益与频率特性,可调整其容量,调整范围为3~6.8p。其它电容器选用高频特性好的瓷片电容,电感器L1、L2、L3、L4用0.45mm漆包线在φ3钻头上密绕脱胎而成,其它无特殊要求。 (张景峰)