LS7232电路,是一种生产历史长,生产量大稳定性好的无级调光电路,是众多电子爱好者所熟悉的集成电路。正是由于LS7232应用广泛,以它为中心派生出来的实用电路也非常多,除了用于触摸控制外,还可以用于遥控控制。
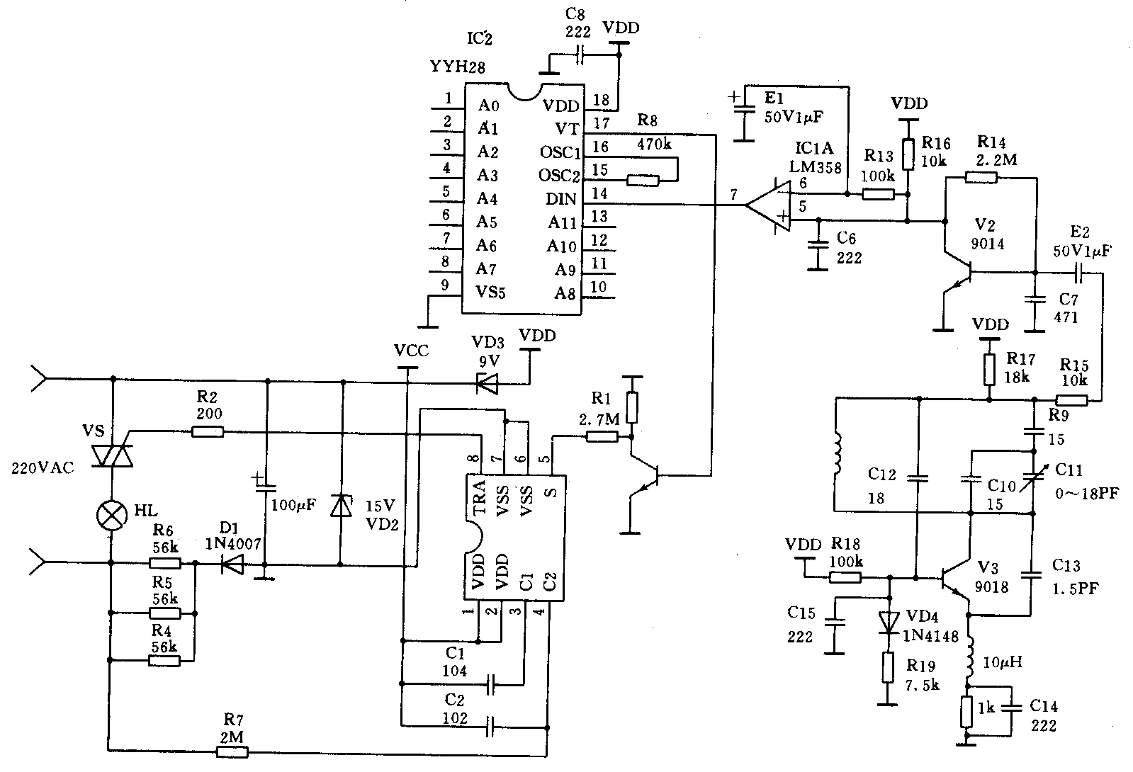
本刊以前曾介绍过射频遥控电路,这里利用相同原理,将被控对象由开关改换为灯光调光开关电路。LS7232电路的原理,国内的电子刊物已做过多次介绍,不再详述。简言之,当触摸其控制点的时间小于32ms(点动)时,实现灯光的开与关切换,当触摸时间大于32ms时,灯光由亮渐渐变到暗或由暗变亮,如持续触摸6秒钟,灯光的亮度变化完成一个循环。附图是射频遥控接收机的电路原理图,其发射机电路与TSG2608相同,故此略去其说明。

接收到发射机的射频信号后,经IC2和IC1A运放,完成解调和电平放大的作用,将发射机所载的编码控制脉冲送入IC2解码器YYH28,当IC2的A0~A7编码引脚的电平状态与编码器相符时,VT端产生一个确认脉冲输出。如果发射机连续有编码脉冲输出(即按动发射机按键),则VT也会产生连续信号。
整机电源用电阻降压,这里使用了三支\(\frac{1}{2}\)/W56k电阻,目的是使每只电阻上的耗散热量降低,减少对LS7232的影响。该遥控接收电路在使用时非常方便,可靠性高,体积小巧,可以嵌入墙壁开关或各种灯具里面。做为灯具生产厂家,利用这一对发射、接收电路,可以扩大其产品品种,提高产品档次,加强其市场竞争能力。爱好者则可以自己动手,改造家中的灯具,实现其遥控化。 (横门)