鹦鹉,以擅长学舌惹人喜爱。电子鹦鹉,是指人说一句或一段话,电路便重复同样的话,交替循环。换言之,利用固体录音技术,实现录音、放音的自动循环。变调电子鹦鹉,是指其放音速度可以改变,使放音产生失真又不致降低可懂度,象鹦鹉一样,学舌的频率比正常人高得多,但我们仍然可以听懂。利用这一特点设计的变调电子鹦鹉电路有SH61,同常规的产品相比,增加了变调控制,使其发声更加逼真与形象,也增加了制作和使用的乐趣。这一电路除了用于制作固体录音机、语音学习机外,还可以用于制作玩具等产品。
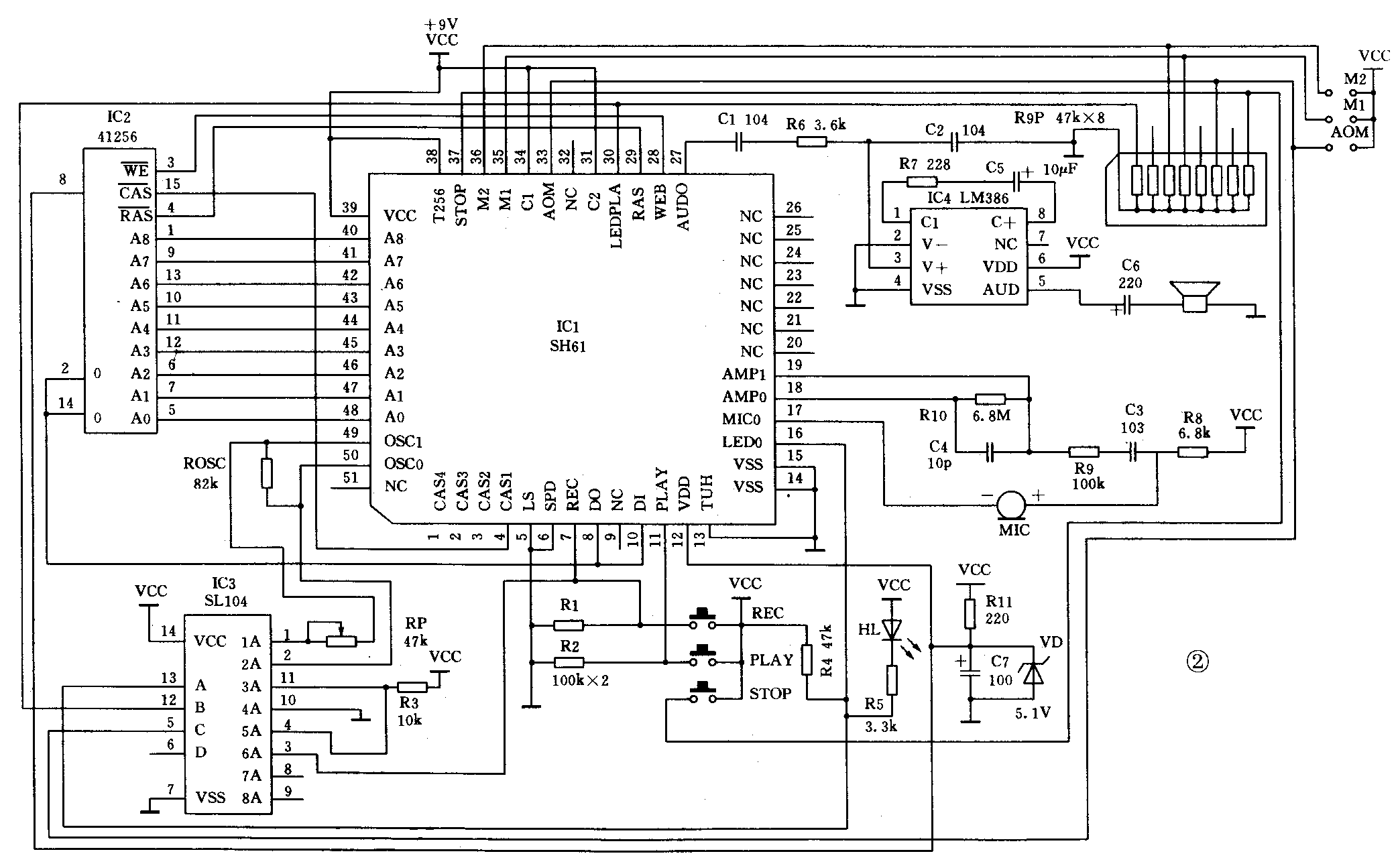
为说明简洁易懂起见,这里以“流程图”形式介绍其电路的基本工作原理,流程图是我们学习分析现代电子线路,特别是计算机原理所要掌握的基本功。图1是SH61的工作流程图,图2是SH61的电路原理图。IC1电路AOM为方式选择端,当AOM接低电平时为正常固体录音机功能,其过程见流程图所示,即以手动开关方式控制录放音。当AOM接至高电平时,变为鹦鹉学舌功能,使录音放音过程自动交替进行。在SH61成品板上,只接了一片41256存储器(DRAM),可以录放音的时间为16秒。如外接四片存储器,可使录放音时间达1分钟,片数的设定由IC1的M1、M2引脚所接电平决定,详见表1,当AOM端接成高电平的“鹦鹉学舌”状态时,每次SH61录音结束后,马上回复到录音状态,一直循环进行。
表一
M1 M2 DRAM个数
0 0 1
0 1 2
1 0 3
由于鸟的发音频率比人的语音频率要高得多,因而要求录音时与讲话的速度相同。而放音时采样频率加快,使放音速度提高。由于SH61的录音状态指示端LEDO与放音状态指示端LEDPLA是分开的,所以利用LEDPLA端的电平状态,设法改变IC1的振荡器频率而达到改变采样频率的结果。电路中增加了一块IC2做为变调控制器。当SH61进入放音状态时,LEDPLA端为高电平,使IC2的1、2脚相通,使变调电位器RP与振荡器电阻ROSC相并联,并联后总阻值减小,使采样频率增加,提高放音速度。调节RP,便可随心所欲地改变放音效果。在处于录音状态时,LEDPLA为低电平,使IC2的1、2脚间开路,RP对SH61无效。
5H61板的尺寸为26×40mm,除电源和喇叭外置,话筒及按键开关等均在板上,因而使用非常方便,连接简单。爱好者利用SH61电路板,可以发挥自己的动手能力,将其安装在收录机等装置中使用。 (杨跃华)

