天线系统的驻波比的大小对发射效率有很大影响,驻波比过大就会有大的功率被反射,在馈线中往返传输,造成额外损耗,或者引起异常电压或电流,使发射机不能正常工作甚至损坏。
衡量反射大小的量称为反射系数,常用γ或ρ表示,为了讨论简单,我们假设负载阻抗为纯阻性。反射系数定义为反射电压波比入射电压波。参考图1,ρ还可定义为下式:
ρ=(RL-RO)/(RL+RO)

其中,RO为传输线特性阻抗,RL为负载电阻。
当RO=RL,则ρ=0,称为匹配状态。
如果RL为开路或短路,则ρ分别等于+1或-1,称为全反射。
用反射系数可以完善地描述传输系统的匹配状态,但测量其驻波比(SWR)更为简单和直观。
我们知道,在匹配状态下,高频电磁能量全部流入负载,不存在反射。这时传输线上的各个位置上的电压振幅不变,不存在驻波,称为行波状态。而在失配时,由于有反射波与入射液在传输线上互相叠加,使线上各点的振幅呈现有规律的起伏,称为驻波状态,如图2所示。

驻波比定义为:SWR=U\(_{最大}\)/U最小,SWR与ρ的关系为:
SWR=(1+│ρ│)/(1-│ρ│)
当无反射时,SWR=1,当全反射时,SWR=∞。
当RO=50Ω时,则RL=100Ω或RL=25Ω都会使SWR=2,此时,ρ=13,相当于有1/3的入射电压被反射回来。
测量驻波比的方法有测量线法,反射计法,网络分析仪法及高频阻抗电桥法等,但这些仪器往往不适于在线连续测量天(线)馈(线)系统。专用于测量天馈系统的仪器是驻波表及功率计。本文就介绍这种仪器的原理、制作、校准及其使用方法。
驻波表是基于交流电桥的原理,与常规电桥不同之处是:驻波表是按被测传输系统的特性阻抗值(例如50Ω)而设计的;它可以读出入射和反射功率,可以串接在发射机与天馈线之间而不必取下来。其基本原理如图3所示。

电流互感器T为电桥的一个臂,C1和C2组成的分压器分别为电桥的臂。跨于C2上的电压与传输线上的电压同相。如果所加负载等于电桥的设计电阻值,则C2及R上的电压相等,相位相同,于是高频电压表指示为零(即SWR=1)。这时,电桥满足了平衡条件。
由于分布参数影响设计的准确度,常选C1或C2为可调电容。
当所接负载偏离电桥的设计阻抗时,电桥平衡条件会因Z的改变而被破坏,电表就产生读数。这个读数和反射电压的绝对值有对应的关系。
为了读取入射电压只需将互感器的次级反接。如果电压表是按功率刻度则此表即可测量入射或反射功率了。净功率为两种功率之差。测量SWR时首先置于入射功率测量状态,调整表头的灵敏度使指针指向满度,然后置于测反射功率状态,则可在表上直读SWR值。也可以在分别测得P\(_{入}\)和P反后用如下公式计算出SWR值。
SWR=(\(\sqrt{P}\)\(_{入}\)+P反 )/(\(\sqrt{P}\)\(_{入}\)-P反)
实际的SWR表有许多方式,常见的有三种:一种是利用磁环绕制成互感器的方式,即集总参数方式;一种是用印制电路板印制的微带线方式;还有一种就是同轴线方式;后两种称之为分布参数方式。
磁环互感器式驻波表的实际制作。
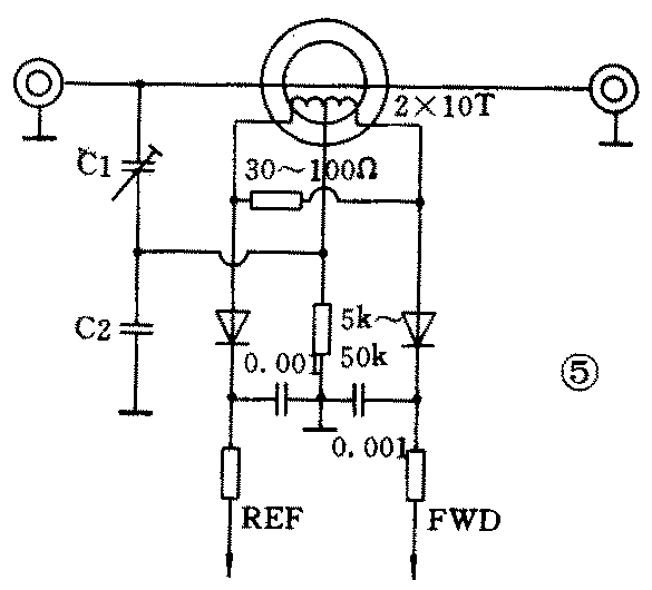
图4是典型电路,虚线上部为取样部分,所有引线要求尽可能短,并且最好放在屏蔽盒中。虚线下面为指示电路部分,这一部分对于不同方式的SWR表没有大的区别,其结构可以任意,甚至放在另外一个机壳中。这种表可以工作在1.5~150MHz范围,功率量程可设置为10W,100W,1000W等。制作要点:互感器T是一支内径约为φ8的高频磁环,套在一小段同轴电缆之上,电缆的芯线直接焊在同轴插座上,同轴线的外导体只起屏蔽和去耦作用,而不应流通高频电流,必须仅某一端接地。

磁环上均匀地用φ0.6漆包线绕20匝左右。二极管必须采用锗高频管或正向压降极小的热载流子二极管,如采用硅管将对低功率状态下小的SWR反应不灵敏。为了能够测量SSB时时峰值功宰,电路中采用了6.8μF的滤波电子表容,此电容可在5~10μF间选用,但要求两支电容容量相同。本表可以采用一直流表头用单刀双掷开关切换,也可选用双表针专用表头。这种表头有两个表心,一个指示正向功率一个指示反向功率,两表针的交点可直接读出SWR值,十分方便。
此实际电路与前述的原理电路是完全一致的,只不过利用二极管和表头组成的检波电路充当高频电压表,又利用高频扼流线圈RFC将检波得到的直流电压引到表头一端,一方面将电表电路与高频部分隔离,避免了电表引线等分布参数对电桥的影响,另一方面为二极管电流提供正常的直流通路,同时巧妙地设计了正反向测量共用一个互感器次级。
C4上的直流电压,是R上的高频电压与C4上高频电压之和的检波结果,它反应了入射电压的大小,从而可以在表头上读出入射功率。
基于互感器方式的SWR表有许多电路。
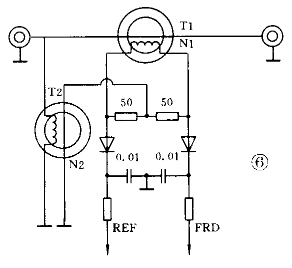
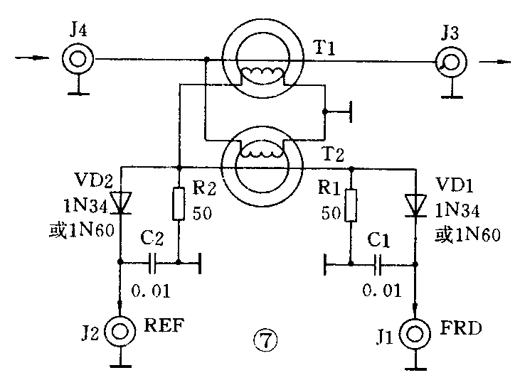
图5为一种互感器次级采用中心抽头(双线绕法)的电路,与图4区别之处在于二极管检测的高频电压是C2上的电压与次极电压串连相加的结果。由于二极管仅有一端处于高频电位因此节约了两只高频扼流圈。图6是利用了一只高频电压互感器替代了电容分压器,其平衡条件为:N1/N2=R/Z。可见,欲制作50Ω的SWR表,可采用两只相同绕法的互感器,并使R=50Ω即可。本电路十分简单,并且不需调整,常在商品收发信机中采用。图7是上图的变形。



互感器方式由于受引线及磁环互感器高频特性的限制,因此在VHF频段以上几乎无例外地采用匹配良好的微带线定向耦合器式电桥。这种SWR表十分简单,它的取样电路是在一小段微带传输线的两侧各放置一条平行的短印制线段,如图10所示。

此种电路的中心线与两侧平行线间存在有分布参数的互感与电容,其原理不能用集总参数电路的分析方法来描述。
VD1用来检测正向电压,VD2用来检测反射电压。电桥对指定阻抗的平衡是靠端接匹配假负载时调整R2值使反向表头指示为零的实验方法来实现。然后将电桥反转过来用同样方法调整R1。R1与R2的数值在50~170Ω之间,取决于两条耦合线与中心导体的耦合程度。
在HF频段,由于频率低故对于微带线是否严格匹配要求不高,故可以用单面电路板印制电路,不过当耦合段尺寸不够大时,低频端的灵敏度将很差。而对于VHF、UHF则必须采用双面板认真设计,使微带线系统本身的特性阻扰等于额定阻抗50Ω,否则SWR表本身即有很大的驻波比,而不能使用。
下面简要介绍一下这种定向耦合器的原理:
在一导电平面上排列两条平行导体,如图11所示。主导体上的电流I将在检测导体上感应一个电流Im,Im的大小与检测导体的外电路有关。两导体之间由于存在电容耦合,还要形成第二部分电流Ic 。其结果是在主导体中向右的正向波将在检测导体中产生向左传播的波。由于此感应出来的波与正向的波方向相反,故此种耦合称为反向耦合。因此在检测线的左方用二极管可检测到输入电压。反之如果从右方传来反射电压,则可用在右方的二极管检测到反射电压。目前大部分驻波比表均采用此种方式,其频率可高达GHz量级。

由于微带线在传输大功率高电压时不宜采用印制电路的薄铜箔,故有的商品驻波表的中心导体采用架于电路板之上的粗圆导体或铜片,也可以是特殊设计的铜片或铜线,而两侧的检测线仍为印制线。
还有一种SWR表是采用一小段同轴线,在外导体铜网中穿入两条导线做为检测线,其原理和上述方式完全相同。导线的长度与频率有关。过短的线则会使低频段灵敏度低,从VHF段到HF的中段,通常在数厘米或十数厘米之间。这种方法既简单又方便很适合业余制作,但准确度不易控制,商品中未被采用。
下面介绍一下有关调整和使用的问题。
驻波表在制作好之后首先要验证对于匹配负载是否平衡。简单地用端接匹配负载来检验指针是否为零(即SWR=1)的方法只能说是初步的试验。因为在小驻波比的情况下,反射电压很小,检波电路由于二极管起始压降而造成死区,十分不敏感,也就是说,仅采用标准负载的方法调整,其结果是粗略的。最有效的方法是用一个25和一个100Ω的负载(两者的SWR皆为2)来试验SWR表,要反复调整SWR表中的有关元件数值,例如调分压电容或电阻,直到两者读数相同为止;这时SWR才做到对称于50Ω。
然后开始给表刻度。为此要制作数只不同驻波比的负载。对于业余爱好者来讲可只刻上SWR为2及3两个刻度就可以了(有些商品表在大于3时也不再给出刻度并染成红色,用以说明大于3的天馈系统是不正常的系统)。为此,可用大瓦数的碳棒、金属膜或碳膜电阻来端接。其数值如下表:
标称SWR: 1 2 3
电阻值: 50Ω 25Ω 50Ω/3Ω
100Ω 150Ω
注意,用电阻丝绕制的被釉电阻、水泥电阻,因其电感太大,不能使用。自制负载时,应尽可能减短引线长度,并用数只并联的办法,以减少杂感同时加大功率承载能力。即使如此,用电阻自制的负载在VHF波段也是很不准确的。可用一只准确的驻波表来校准自制表,但不要采用两只表串接一起测量的方法,而应分别测量,这样可以减去因串接而引入的误差。
校功率刻度时也不要用两表串接的方法。
在使用驻波表及功率计时应注意:
1.测量天馈系统的驻波比时,应在较大输出功率下进行,因为在较小功率下其结果将偏小。
2.由于这种表的功率刻度是在额定负载下定度的,因此测输出功率时必须在同样负载下才正确。
3.这种表的功率测量往往有较大的频响误差,频率升高时,读数偏大。
4.利用驻波表可以进行自制无线的调整工作。通过在不同频率下测量天线系统的SWR,找到天馈系统的最小驻波比频率,从而找到调整天线尺寸的根据。
5.有了驻波表之后可以很容易地为自己的天线系统配上天线调配器。
6.如果你的天馈系统是75Ω的,应该自制一台75Ω的驻波表。否则,当用50Ω的驻波表测量时,得到的SWR=1.5才是正确值。 (郭允晟)

