自动脱排油烟机具有较强的自控功能,它可以自动排烟和音响报警,其自动控制排烟报警系统在脱排油烟机不工作时处于警戒状态,当室内有害气体超过某一标准时,脱排油烟机会自动接通电源而起动,把有害气体排出室外。自动脱排油烟机的故障多数发生在自动控制排烟报警系统。下面简单介绍自动控制排烟报警系统工作原理及常见故障的检修。
1.自动控制排烟报警系统工作原理
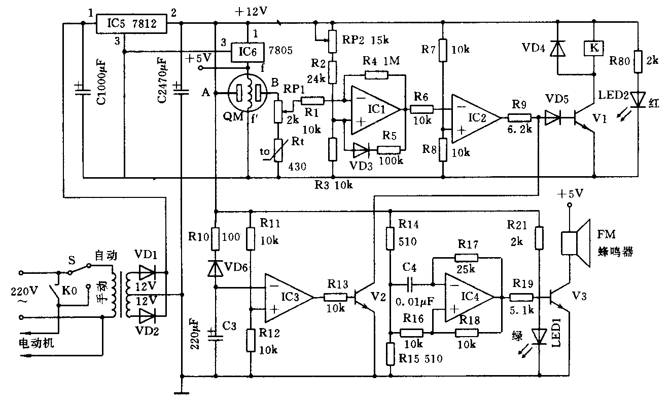
自动控制排烟报警系统电路原理图如图所示。它主要由气敏元件QM和运算放大器LM324组成。LM324的四只运放(IC1~IC4)均工作于比较器状态。

(1)气敏检测控制电路
本电路采用QM气敏元件,工作时其上通电使f一f′之间灯丝保持一定温度,随着环境油烟浓度的增大或变小,QM的B端输出电压也随之升高或变小,这一变化的电压经过电位器RP1及R1送入比较器IC1的“-”端,再和RP2、R2设定的电压进行比较,经IC2反相后控制继电器K的吸合和释放。IC1工作时的缓冲状态,首先保证对QM送来的电信号有足够的放大倍数进行比较,其次当启动继电器K动作后,又要保证输入信号在临界设定电压时,不频繁启动和释放继电器K,前者是靠R1、R4来保证,后者是靠VD3、R5来完成的,从而达到灵敏度高,工作可靠的目的。
(2)开机延时电路
根据QM气敏元件的特点,其加热端f-f′在开机时需进行约10分钟的预热,QM在预热过程中会导致IC1输出高电平的错误信号,便脱排油烟机误运转。预热过程结束后,IC1输出才恢复正常。为了防止误动作,本电路将电源电压通过VD6的反向电阻向电容C3充电来完成延时功能。延时时V2导通,从而V1截止而不受IC2的输出信号控制。当电源切除时,C3可以通过VD6的正向电阻迅速放电,便于下次通电延时。
2.常见故障的检修
(1)不能自动排烟
检修时,先用万用表检查电源电路,如果无直流电压输出,应检查电源变压器是否完好,若电源变压器初级线圈或次级线圈开路,有条件修理或重新绕制,无条件则更换新品。用万用表测量整流二极管VD1、VD2正反向电阻值大小,以判断VD1、VD2好坏,若损坏,需更换同型号新器件。
用香烟的烟雾笼罩QM气敏元件,如不能自动排烟,即发光二极管LED1(绿)不能熄灭,LED2(红)没有点亮,这可能是脱排油烟机长时期在较恶劣环境下工作,时间一长,QM灵敏度难免会改变。此时用一只数十千欧的电阻跨接到QM检测极(A、B)两端,如果能使继电器K动作,说明QM灵敏度下降或失效。调整R2,并适当调节RP2,提高报警灵敏度和可靠性。然后用无水酒精清洗QM气敏元件表面污垢,待晾干后重新试用,看其能否恢复功能,否则需更换新品。在检查QM时应注意,开机后,QM须经过10分钟预热后方能正常工作,以免检修时误判;如果IC1能输出高电平,发光二极管LED2(红)点亮,而继电器K却不能动作,应检查R9是否开路,V1是否损坏,12V电压是否加到继电器K上。
(2)误动作
无论有烟无烟,只要按下“自动”按键,电动机即常转不停。最常见的情况是RP1调节不适当,从而导致IC1不能转为低电平输出,此时需重新调试RP1。调试时,适当调节RP1,使发光二极管LED2(红)熄灭,LED1(绿)点亮,继电器K释放,脱排油烟机不排烟也不报警,然后,断电→通电→延时10分钟→向QM气敏元件送入0.3%丁烷标定气体,这时电路应进入报警状态,发光二极管LED2(红)点亮,继电器K动作,蜂鸣器发出声响。移走丁烷气体后2分钟左右继电器K释放,发光二极管LED1(绿)点亮,脱排油烟机停止排烟,电路又恢复自动监控状态。若无0.3%丁烷气体,可使用酒精或香烟烟雾置于QM气敏元件下方5cm处,进行模拟试验。
三极管V1的集电极和发射极间击穿也会造成此故障。热敏电阻Rt开路时,也会产生此故障。
(3)开机延时功能失效
当按下“自动”按键,开机后,继电器K马上动作,电动机运转,但过一段时间才恢复正常。不能实现开机延时,是由于VD6击穿或者C3失效而引起的,需更换同型号的新器件。三极管V2损坏时,也会发生此故障。(雷逸)