一、XQ-9181收录机为调幅两波段、立体声双卡收录机。其中收音电路的调幅中放电路采用TA7640AP集成电路,放音前置放大和录音放大采用TA7668AP,功放采用C1263。
故障现象:收音时有时无,放音无声。
故障检修:先检查收音部分。收音时先检查TA7668的7脚、10脚(输入端),扬声器有响声,说明前置放大和功放都正常。再干扰TA7640的9脚(音频输出端)时,扬声器有响声,而干扰1脚(输入端)无声,但收音有时正常,故可认为TA7640正常。怀疑外围电路不正常,经反复检查发现天线与振荡线圈之间的一根接线短路。先发现短路接线的焊点虚焊,用烙铁焊好后还是无声。再把短接线断开,收音正常。经反复开机试验,收音均正常,但放音仍无声。由于收音已正常,故怀疑C1263的外围电路,K4-B通过R67、V3、S7-A连接到C1263的1脚,检查S7-A开关损坏(常闭合),这样放音的V3导通,C1263的1脚约0.3V。正常情况下放音时应该V3截止,1脚电压约9V。更换S7开关后放音也正常了。(赵忠旭)
二、收录机的电源变压器发生故障(烧坏或内部断路),其具体修理步骤如下:
1.拆下矽钢片。变压器的矽钢片,一般都渗透绝缘漆,粘得比较牢固。如硬敲硬拔,势必会将其损坏,而且极不容易拆下来。要想顺利地拆下矽钢片,简便有效的办法是:用药棉沾一点甲苯(化工商店有售),反复在变压器的矽钢片上均匀地抹二、三遍。然后,将变压器夹在老虎钳上,用合适的螺丝刀,朝第一片矽钢片的“山”字顶端轻轻冲击。随着渗透的绝缘漆的软化,便能顺利地取下第一片矽钢片。然后,逐步地一片一片将所有的矽钢片取下来。
2.把线包从塑料框架上取下来。将甲苯抹在塑料框架粘缝上,用薄口螺丝刀轻轻撬开缝口,取下初级和次级线包。
3.重新绕线。收录机电源变压器的初级线包和次级线包是单独分开的。如“欧丽”牌收录机电源变压器的初级线圈内,串联有一个电容器起保护作用。当拆开初级线圈的绕线露出串联电容时,可用万用表进行测量判定——是电容损坏还是线圈断路。如跨过电容器测量线圈两端为通路,则说明电容器损坏。
如线圈断路,只好重新绕线。方法:把断路的线圈,绕在绕线机上,记好圈数。然后找相同线径的漆包线,按原来的圈数和绕线方向,重新绕线。
4.重新组装。绕好的线包,重新装进塑料框架中。再把矽钢片一片一片安装好。重装矽钢片时,越到最后会越紧,可用合适的螺丝刀,插进框架缝内,协助安插矽钢片。千万小心别将框架挤裂。
整个变压器组装完工后,可用药棉沾上绝缘漆,抹在矽钢片的周围,起防潮保护作用。 (张庶修)
三、飞跃NA-2172F扩音机故障检修一例
故障现象:无声,但不烧FU1(1.5A)熔丝,而机内却有焦糊味,并有冒烟现象。
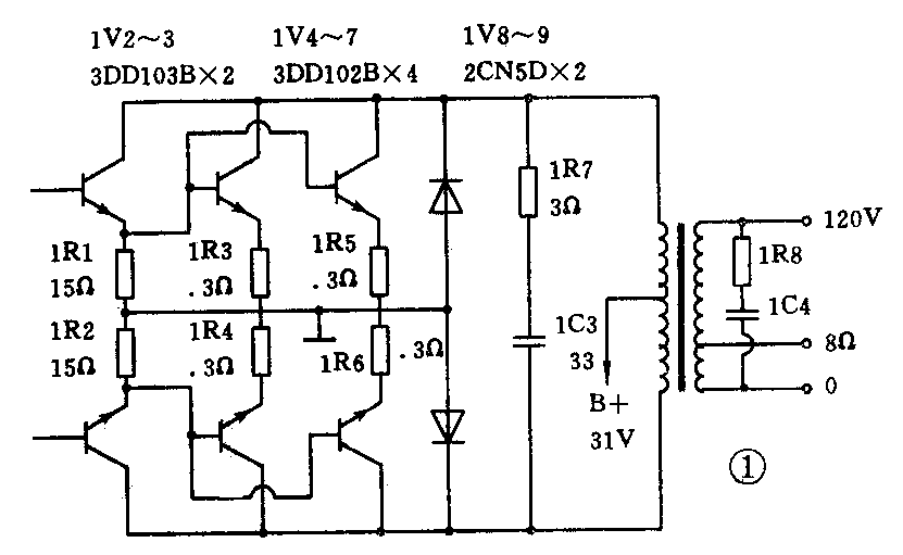
修理过程:该机为上海电视九厂生产,功放部分电路如图1所示。经打开机盖发现1R1、1R2、1R7已烧黑,1C3的一引线端已爆裂。焊下1C3测量发现1C3(250V0.33)已击穿,由于1C3击穿而造成功放管交流输出(1R7仅为3Ω)短路,怀疑4只功放管3DD102B(图中1V4~7)的集—发极间已击穿,但FU1没熔断可断定1V2~7的集—发极之间均不可能击穿,同理1V8-9阻尼二极管也不可能损坏。仔细检查1BG2-7这6只3DD102B管后,发现功放(1V4~7) 4只3DD102B管的基集PN结均已击穿。换上4只配对的功放管和1C3后开机,扩音机放音完全正常。该机4只功放管基集PN结击穿和1R1、1R2、1R7烧黑均是由于1C3击穿,使交流输出短路所致。(蒋明荣)

四、巧修15W电影放映扩音机。
一台井岗山15W电影放映扩音机的输出变压器烧坏,我在没有原变压器的情况下用广播中使用的线间15W变压器代用,效果满意,同仁不妨一试。
接线方法如图2所示。将原机上的坏变压器拆下,把15W线间变压器固定在原变压器位置上,将3、4抽头串联起来引出一根接线、接高压B+;初级的1、6端子分别接到推挽管的屏极。因为15W线间变压器初级1、3和4、6间的线圈匝数相等、直流电阻也相等且与原变压器的阻值基本相等。所以,两推挽管屏极上所获电压也相等、放映扩音机输出功率为15W,用15W线间变压器代用正合适。次级有0、4Ω、8Ω、16Ω几个阻抗值,视扬声器功率和阻抗适当匹配。

五、判别正负极性标记不清的小型电解电容器。
小型电解电容器有长短两根引线,长的为正极;短的为负极。如果引线被剪且标记不清,那正负极性就较难判别。笔者在修理的实践中用万用电表电阻档R×100或R×1k来测其电阻值就能判别出来(不可用R×10k档,这是因为此档表内电源电压可能超过电容器的耐压值,将电容器击穿)。
测量方法:将红表棒接电容器的一根引线,黑表棒接电容器的另一根引线,测出一个电阻值;再将红黑表棒对调,又测出一个电阻值。以测出电阻值较大的一次为准,这时黑表棒所接的那根电容器引线为正极,另一根引线为负极。这是因为电解电容器的正向漏电电阻大于反向漏电电阻。(倪耀成)