近年来国产中高档组合音响普遍使用了红外遥控装置,所用的红外光峰值波长一般为940nm,采用二进制“0”和“1”对遥控发射信号编码,再利用串行数据发射和接收,遥控信号的载波频率一般为38kHz。但是关于遥控IC目前并无统一的国际标准。除了上述一些共同点外,在遥控信号格式,甚至“0”“1”的表示法。世界各大公司的标准也不尽相同。这给维修和使用带来不便。华强牌音响主要使用日本TOSHIBA公司。NEC公司和SANYO公司的遥控电路产品,本文将叙述上述三大日本公司的几款遥控电路的原理及其在组合音响中的应用和维修。
一、TOSHIBA公司的TC9148、TC9149/ TC9150
TC9148是红外遥控发射编码电路,TC9149/TC9150是与其配套的红外遥控接收译码电路。图1是TC9l48的方框图。它具有18种基本遥控功能。TOSHIBA遥控信号格式由12位二进制符号组成;每一位的意义说明如下(参见图2);


C1~C3:必须和遥控接收电路类型对应。实现“0”和“1”的方法是从定时信号输出端T1~T3分别接一个二极管到第13脚的CODE端,接二极管的那一位是“1”,否则为“0”。
H、S1、S2:决定发射连续信号或是单次信号,对于连续信号。H、S1、S2为“100”,对于单次信号,使用“010”或“001”。
D1~D6:按键数据码,它们在IC设计时已定好,用户只需给按键赋予实际的功能,并将接收IC译码后的相应输出信号接到实际执行电路中去,便可以实现相应的遥控功能。
图3是TOSHIBA格式中“0”和“1”的表示法,时钟周期τ=0.42ms。如果是连续信号键,当该键释放时,TC9148将这个控制命令发射两次后暂停208t的时间,然后再发射2次,共发射6次。如果是单次信号键,遥控命令只发射2次。

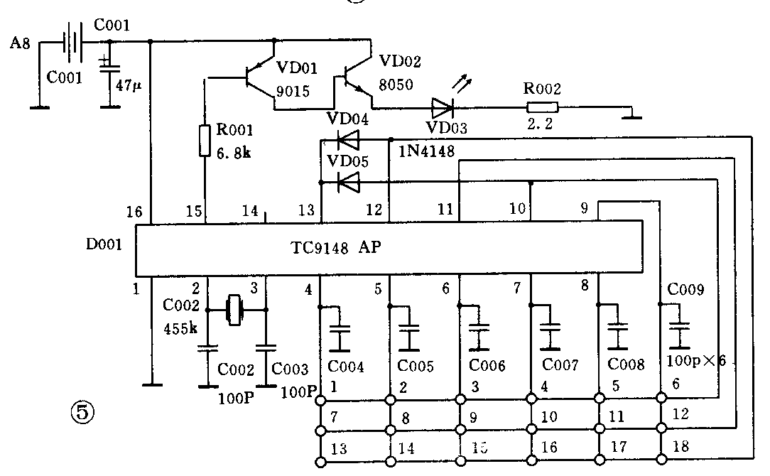
TC9149具有10个基本遥控功能,TC9l50具有18个基本遥控功能(图4括号中的引脚数字为TC9149),其方框图如图4所示。接收到的遥控信号输入第2脚,它先储存在一个12位的寄存器中,在接收到这个信号的第二次发射时,将其送入数据检查电路中和第一次的数据进行逐位比较,如果有错,IC将重新进入复位状态;如果正确,通过输出缓冲电路使相应的输出端由低电平变为高电平。TC9149有C2和C3两个脚,TC9l50有C1和C2两个脚,连一个电容后接地。就表示该位为“1”,如果直接接地,就表示该位为“0”,在图5的应用电路中,C1~C3的编码为“101”。

华强牌HQ-8000组合音响应用TC9l48和TC9150组成红外遥控系统,图5是红外遥控发射器电原理图。该系统有18种遥控功能,其中有10个输出信号接至晶体管开关,晶体管的集电极和发射极分别和数字调谐器相应的轻触开关两端并联、其余8个输出分别接至相应的执行电路。

二、NEC公司的μPD6121/μPD6122和NH
?
μPD6121能发射32个单键信号和3个双键信号,可以扩充到64个单键信号和6个双键信号,μPD6122可以发射64个单键信号和3个双键信号,可以扩充到128个单键信号和6个双键信号。在NEC遥控信号格式上,设置了一个长达16位的客户码,它能产生65536种客户编码,可靠地避免了不同遥控系统之间的干扰。另外在发射信号数据之前,特别设置了一个13.5ms的引导码,这给微处理器用软件检测和处理数据提供了极大的方便。NEC也给出了一款红外接收译码电路NH01SS,类似于前述的TC9149,用户利用它可以不经编制译码程序而直接组成红外遥控系统。图6为μPD6121的方框图。μPD6122和μPD6121的差别仅仅在于后者多了KI4~KI7四只引出脚,因而功能扩大一倍而已。NEC遥控信号格式由引导码和32位二进制符号组成(见图7):


C0~C7:客户码的高八位。它由CCS端和KI/O0~7之间是否接有二极管来确定其数值,接有二极管的那一位为“1”,否则为“0”。
C0′~C7′:客户码的低八位。它由KI/O0~7是否接一个200kΩ的上接电阻来确定其数值,接上接电阻的那一位为“1”,否则为“0”。
D0~D7:遥控按键数据码。
D0~D7:按键数据码的反码,这种数据结构可以降低发射接收系统的误码率。
13.5ms的引导码由两段组成:先发射9ms的载波,然后停止发射4.5ms再发射32位数据。载波频率为38kHz,时钟周期τ=0.56ms,二进制数“0”和“1”的定义如图8所示。

当一个遥控键按下时,μPD6121/μPD6122开始发射该键的遥控信号,只要该键不释放,它就重复发射该信号。发射一次遥控信号最多需要76.5ms,为了区分这些连续发射的信号,规定每次发射的间隔为108ms。
NH01SS是和μPD6121/μPD6122配套使用的接收译码电路,它可以实现下述15种遥控功能:
SP1~SP8:8个脉冲输出信号,脉宽107ms。
HP1、HP2、HV1、HV2:4个保持输出信号,当发射电路相应的键按下时,相应的输出变为高电平;键释放后,还能将高电平保持160ms。
TG、MUTE、POWER:3个触发输出信号。
图9所示为HN01SS的应用接线图。NH01SS采用特定的客户码“8342”,与它配用的发射编码IC的客户码也必须设定为“8342”。

华强牌HQ-8002型组合音响的遥控发射电路用μPD6122G-001,在主机部分,CD的显示控制采用具有高电压荧光显示驱动能力的4位单片电脑M50954,因此遥控信号的译码可由该单片电脑用软件实现。同样,数字调谐器的显示控制也采用单片电脑TC9309F—008,所以HQ-8002的红外遥控信号的译码就不需要专门的译码电路。由于该机是引进三洋公司的产品,我们仍然沿用NEC给SANYO的客户码“3600”。
三、SANYO公司的LC7461M
这一款红外遥控发射编码电路和NEC的μPD6121在功能上相近。它能发射32个单键命令和3个双键命令,内部时钟周期为0.56ms,二进制“0”和“1”的定义波形和NEC相同。在遥控格式上,SANYO格式中的引导码也和NEC相同,不同的是SANYO格式采用42位二进制符号,客户码由13位数组成,其中的C6~C12这7位由SANYO公司做在LC746lM中的MASK ROM中,C0~C5的6位由外电路设定,接V\(_{DD}\)者为“1”,接地者为“0”,客户码由三洋公司给定,例如给深圳华强公司的客户码的C0~C5为“011001”。
SANYO公司不提供单独的接收译码电路,因此译码必须由微处理器用软件完成。HQ—8007CDI和HQ-8008CDL等几款CD唱机都使用LC7461M做红外遥控发射编码电路,译码则是由主机中的单片微电脑完成。
四、红外遥控电路的维修
首先我们要区分故障发生在接收部分还是在发射部分。有些遥控发射器装有发光二极管指示,在任一按键按下时均发亮(如图6所示),这说明发射部分正常。如无指示灯,可用数字万用表直流电压档测其遥控输出端,如TC9148的第15脚,当按键按下时有零点几伏的电压指示,说明发射基本正常。一般来说,由于发射器操作频繁,震动较多,故障相对要多一些。
其次要区分是个别功能键失灵还是全部功能键失灵。前者在发射器多属于按键接触不良,在接收译码部分则需对照电原理图检查该功能键的输出执行电路,顺藤摸瓜消除故障。全部遥控失灵则需检查发射和接收的电源、振荡电路及和客户码设定有关的元器件等等。
我们还要着重指出,遥控电路均为大规模CMOS电路,维修时电烙铁外壳必须可靠接地,以防静电损坏IC。
实例1:HQ-8002全部遥控失灵,遥控器发光二极管无指示,测μPD6122第7脚在任何按键按下时均无输出,测10、11两脚间电阻只有数kΩ,焊下455kHz晶振,10、11两脚间电阻为无穷大,说明晶振内部漏电,换晶振后正常。
实例2:HQ-8000全部遥控失灵,检查发射器TC9148第15脚在按键按下时电压有变化,说明故障不在发射部分。检查HQ一8000主机的TC9150第2脚,当遥控器按键接下时有输入电压,说明遥控信号已接收。检查与23脚相连之电阻39kΩ变值,导致电路不起振,所有遥控命令均无法译码执行。
实例3:HQ-8000不能遥控关小音量,检查TC9148第15脚在接VOL、DOWN键时有电压输出,说明发射正常。主机中VOL、DOWN信号是从TC9150的第12脚引出的,该键按下时,12脚有脉冲输出,说明TC9150工作正常。再往下检查,发现驱动三极管损坏,导致无法关小音量的遥控命令。 (谢芳谷)