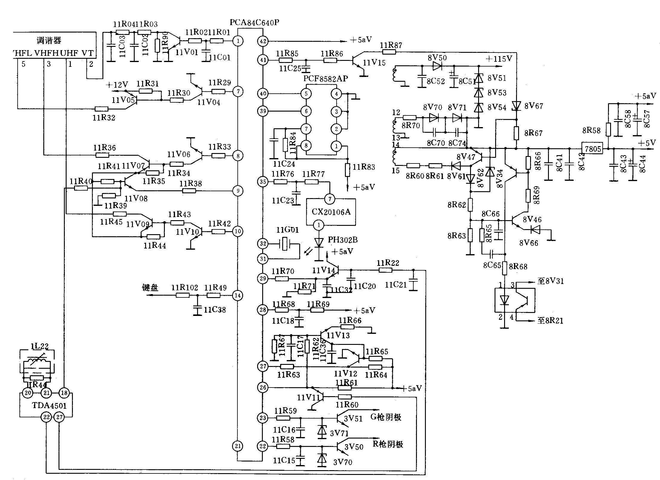
飞利浦彩色电视机遥控电路主要由微处理器PCA84C640P、存储器PCF8582A、遥控接收器CX20106、红外遥控发射器SAA3010组成、该遥控系统具有控制功能强、外围元件少、成本低、性能稳定等特点,被我国很多彩色电视机生产厂家所采用。下面以虹美C5456型遥控彩色电视机为例,举出11例常见故障检修,供读者参考。该机的遥控电路如图所示。

1.故障现象:按下自动搜索键,能够搜索到VL、VH频段的电视节目,且图、声正常。搜索不到U频段电视节目,在U频段,无图、无声。
分析与检修:飞利浦遥控系统自动搜索的过程是:当按下自动搜索键时,键盘或遥控器发出自动搜索指令,通过传输线或接收放大器传输至微处理器PCA84C640P,微处理器对指令进行译码,从微处理器内的存储器ROM中调出有关程序进行操作。从再按搜索键时的频道开始,从低频道到高频道,从低频段到高频段进行搜索。从微处理器①脚输出频率和宽度可变的脉冲串,经过三极管11V01倒相放大后,在每一个频段形成0~30V的调谐电压,经电阻11R03、11R04送至调谐器VT端。同时,微处理器⑦、⑧、⑩脚输出频段开关电压VL、VH、U。当在某一个频段搜索时,该频段开关电压为5V,其余二个频段开关电压为0V。5V频段开关电压再经由三极管11V04、11V05、11V06、11V07、11V09、11V10组成的电平转换电路,变为12V电压,送至调谐器的VHFL、VHFH、UHF端。如在VL频段搜索,微处理器⑦脚电压为5V,⑧、⑩脚电压为0V,调谐器VHFL端电压为12V,VHFH、UHF端电压为0V。现U频段收不到图像、伴音,其它频段正常,说明公共通道、伴音电路正常,故障范围在调谐器或微处理器⑩脚输出电路。首先应区分故障点。可在自动搜索到U频段时,测量调谐器UHF端电压是否为12V,若为12V,则为调谐器故障;若无12V,则为微处理器输出部分有故障。观测调谐器UHF频段无12V电压,进一步测微处理器⑩脚电压,电压为5V,正常。故障在电平转换电路,逐一检查微处理器⑩脚与调谐器UHF端之间的元件,发现电阻11R45开路,更换之,故障排除。
2.故障现象:按下自动搜索键,当搜索到电视节目时,电视节目锁不住。
分析与检修:飞利浦遥控系统自动搜索到电视节目并锁住这个节目的过程是这样的:当按下自动搜索键时,微处理器PCA84C640P①脚输出0~30V的调谐电压。同时,⑦、⑧、⑩脚各自输出频段开关电压。在自动搜索的过程中,当集成块TDA4501内符合门检波器收到电视信号内的同步头时,经符合门检波,电位升高,输出电台识别信号,该电台识别信号经三极管11V14、电阻11R70,送至微处理器,电位随着升高。当电视信号接收准确时,TDA4501电位为9.5V,微处理器电位为4.8V。微处理器接收到这个电台识别信号,立即将搜索速度放慢。同时,TDA4501电位由5.8V下降为5.8V,输出AFT电压。AFT电压经三极管11V08缓冲后进入微处理器⑨脚,当⑨脚电压变化为中心电压2.5V时,搜索停止。由此可见,电台识别信号用来发现一个电视节目信号,使搜索速度放慢;AFT信号用来精确调谐对准这个电视节目信号。自动搜索停止的条件是微处理器得到TDA4501的高电平电台识别信号,⑨脚得到TDA4501的AFT信号,二者缺一不可。引起微处理器⑨脚AFT电压不正常的原因是:AFT中频变压器1L22未调准;从TDA4501到微处理器⑨脚之间的三极管11V08,电阻11R40、11R41、11R38等元件不正常;集成块TDA4501损坏。微处理器符合门检波电压不正常的原因是:从TDA4501到微处理器之间的三极管11V14、电阻11R22、11R70等元件不正常;集成块TDA4501损坏。值得注意的是:微处理器⑨脚AFT电压不正常,与符合门检波电压不正常产生的故障现象有所不同,⑨脚AFT电压不正常的现象是收到电视信号时,搜索速度慢下来,但不能停止。符合门检波电压不正常的现象是收到电视信号时,仍快速搜索下去,搜索速度不变,也不能停止。现仔细观察自动搜索时屏幕的变化,当搜索到电视信号时,搜索速度慢下来,通过上面分析可知,故障原因是微处理器⑨脚AFT电压不正常所致,用万用表测⑨脚电压,在搜索时稍微有所变化,说明AFT未调准,用无感小螺丝刀微调AFT中频变压器1L22磁芯,故障排除。
3.故障现象:按下自动搜索键,搜索速度很慢。
分析与检修:通过例2的分析可知,本机遥控系统自动搜索速度的快、慢,是由微处理器PCA84C640P电位的高低所决定的,微处理器电位的高低,是由TDA4501符合门检波器输出的电位所决定的。在自动搜索时,用万用表测微处理器始终为高电位,测TDA4501也始终为高电位,电位不管是否接收到电视信号一直为高电位,一般情况下是TDA4501不良,更换之,故障排除。
4.故障现象:开机,声、图正常,但遥控时无屏幕显示,其它遥控功能正常。
分析与检修:该机屏幕显示,是由屏幕显示控制电路、屏幕显示输出电路两部分组成。屏幕显示控制电路由微处理器内屏显振荡器、字符发生器、同步控制电路、字符脉冲输出电路组成。其中屏显振荡器是由微处理器及其外接电阻11R68、电容11C18组成,其振荡频率决定屏幕显示幅度。屏幕显示行、场同步控制是由微处理器及其3外围元件组成,从TDA4501输出的沙堡脉冲送至由三极管11V11、11V12、11V13、积分电容11C17等元件组成的行、场同步脉冲分离电路,分离出的行同步信号输入至微处理器,分离出的场同步信号输入至微处理器。行、场同步脉冲的相位,决定屏幕显示字符的位置。屏幕显示输出电路由微处理器及其外围元件组成。微处理器输出的红、绿字符,经电阻11R58、11R59、电容11C15、11C16滤波后,分别送至视放板上红、绿字符输出管3V50、3V51基极,经激励后送至显像管的R、G电子枪阴极。现图、声正常,无屏幕显示,说明该机屏幕显示电路有故障,先检查屏幕显示同步控制电路,发现三极管11V11击穿,更换之,故障排除。综上所述,当屏幕显示位置不对或无屏幕显示时,应检查TDA4501(沙堡脉冲形成电路)及行、场同步脉冲分离电路。当屏幕显示幅度不够时,应检查屏幕显示振荡电路,主要是微处理器及其外接的电阻11R69、电容11C18。屏幕显示缺红色或绿色,应检查字符信号输出管3V50、3V51。
5.故障现象:当调到某一电视节目,按下存储键,节目不能存储。
分析与检修:微处理器PCA84C640P内有128比特的RAM。用作暂时存放电视节目地址、当前操作程序等;有6kROM,用来存储固定的程序及数据,如自动搜索程序、屏幕显示字符发生器的数据等;有256×8比特的电可改写只读存储器(PCF8582AP),用来存储电视节目。PCF8582AP所存数据在断电后不会丢失,可保存十年以上。PCF8582AP采用+5V电压供电,与微处理器PCA84C640P有二根线相连,一根是PCA84C640P与PCF8582AP⑤脚相连的时钟线,用来传送时钟信号;一根是PCA84C640P与PCF8582AP⑥脚相连的数据线,用来传送数据及程序。现不能存储程序,应检查存储器PCF8582AP和与微处理器之间的二根连线。在测量PCF8582AP各脚电位时,发现⑦脚电位不够5V,怀疑电容11C24漏电,更换之,故障排除,一切正常。
6.故障现象:每次开机或转换频道后,原先存储的节目均消失或变得混乱,需重新调谐后才能正常收看,每个频道均是这样。
分析与检修:该故障现象一般称为“跑台”。先要区分开该故障是由存储器,还是由调谐器不正常引起的。先搜索到一个电视节目,不存入存储器中,观察一段时间,看图像是否漂移。若漂移,则为调谐器故障;不漂移,则为存储器故障。现调好一个电视节目不存储,观察一段时间正常,把调好的节目存储后,关机后再开机,该节目图像混乱,需重新调谐,说明存储器有故障,仔细检查存储器各脚电位和外围元件,发现电阻11R84阻值变大,更换之,故障排除。
7.故障现象:开机,图、声正常,但遥控不能关机。
分析与检修:遥控不能关机,一般是遥控关机电路不正常、本机遥控关机的过程是这样的:当本机键盘或遥控发射器发出关机指令时,微处理器PCA84C640P脚为高电位,倒相放大管11V15导通,集电极电位为0V,稳压管8V67、三极管8V46、8V65导通。8V65集电极输出电流流至光电耦合器初级①、②端,光电耦合器次级电流增大,使开关电源调整管脉宽减少为正常输出的\(\frac{1}{6}\),使115V输出电压下降为23V。同时,开关电源进行遥控电源的转换,变压器绕组输出9V电压,经稳压集成块7805稳压输出5V电压供遥控电路。这样当发出遥控关机指令后,除了遥控电路工作外,其它电路全停止工作,实现了遥控关机。现查微处理器脚为高电位,倒相放大管11V15集电极也为高电位,说明11V15未导通,呈截止状态,使遥控信号被切断,更换之,故障排除,遥控关机正常。
8.故障现象:开机无光无声,红发光二极管亮,手动,遥控均不起作用。
分析与检修:开机后无光无声,红发光二极管(指示灯)亮,说明故障范围在遥控电路,因为现处于遥控关机状态,开关电源一般情况下无故障。现测开关电源115V电压输出端为23V,5V电压正常,进一步说明开关电源无故障,行输出电路也正常。现测微处理器脚为高电平,处于关机状态。引起脚一直为高电平的原因可能是微处理器外接的10MHz晶振不良,更换之,故障排除。
9.故障现象:开机无光无声,红发光二极管亮,手动、遥控均不起作用。
分析与检修:红发光二极管亮,故障范围一般在遥控电路。测微处理器各脚电位,为1.5V左右,正常值为4.9V(为微处理器键矩阵键扫脉冲输出、输入端),其它各脚电位正常。进一步检查与键盘连线之间的元件,当断开电容11C38时,电位恢复正常,说明11C38漏电,更换之,故障排除。
10.故障现象:开机无光无声,遥控、手动均不起作用。
分析与检修:红发光二极管不亮,说明故障范围在遥控电路、开关电源或行输出电路。现测开关电源115V电压正常,测微处理器电源电压为0V,进而检查5V电压形成电路,测熔断电阻8R58、三端稳压集成块7805正常,熔断电阻8R70断开,更换之,故障排除。
11.故障现象:手动控制,电视机各种功能正常;遥控,电视机无反应。
分析与检修:电视机用本机键盘手动控制工作正常,说明微处理器、存储器正常。遥控失灵,说明遥控发射器或电视机内的红外接收放大器不正常。首先应区分是遥控发射器不正常,还是红外接收放大器不正常。可用辐射法检查遥控发射器有无发射信号。利用遥控发射器振荡频率432kHz与收音机中频455kHz相近的特点,把收音机打开并置中波段,按动遥控发射器任一键,若收音机发出“嘟嘟”声,说明遥控发射器无故障,有条件也可用遥控发射器对同一型号电视机进行遥控,此方法更为可靠。遥控发射器常见故障为电池电压不足,4.43kHz陶瓷谐振器不良、集成块SAA3010不良。现检查遥控发射器正常,故障在红外接收放大器,先更换红外接收二极管PH302B,无效;更换红外接收放大板CX20106A,故障排除。 (刘松和 刘致宏)