电流和磁场的关系是物理学中的重要概念之一,迅速准确地判断电流的磁场方向,是掌握电磁现象的关键。课堂上讲授安培定则时,大多采用图形来说明,缺乏直观性,因而学生难于理解和掌握。本人设计的这个电流的磁场演示仪可以把电流和磁场的关系生动直观地显示出来,既使学生的印象深刻,又加深了他们的理解。
电路原理
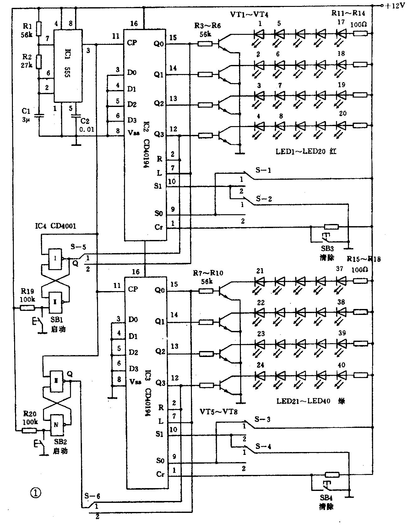
仪器的电路如图1所示,它利用移位寄存器的移位功能,使LED轮流发光而产生流动感,模拟电流的流动和磁力线的方向。电路中,IC1是555时基电路,它构成多谐振荡器,产生2~3Hz的矩形波作为IC2和IC3的时钟脉冲。IC2和IC3是双向移位寄存器,它们和VT1~VT8一起构成了两个LED驱动器,分别模拟电流流动和磁力线的方向。两部分电路完全相同,现以其中之一来说明它的工作原理。

IC1和VT1~VT4构成模拟电流的LED驱动器。开启电源后,IC1开始振荡,产生的矩形波加在IC2的时钟输入端CP上,这时由于IC2的串行和并行输入端R、L和D0~D3均接低电平,所以虽然有时钟脉冲输入,它的输出端Q0~Q3全为低电平,故VT1~VT4均截止,LED也不发光。现设开关S搬在1端,使IC1的模式选择端S0为高电平,S1为低电平,它的工作模式为右移。IC4的两个门I和Ⅱ构成一个RS触发器,在时钟脉冲作用下,它始终保持Q为低电平状态,如果按下按键SB1,它将在Q端产生一正脉冲,这个正脉冲加在IC1的R端,使它瞬间变为高电平,在时钟脉冲的上升沿到来时,这个高电平被移到Q0端,于是VT1导通,LED1、LED5、……点亮。此后,由于正脉冲已过去,IC1的R端恢复为低电平,第二个时钟脉冲到来时,R端的低电平移到Q0端,而Q0端的高电平则移到Q1端,VT1截止,VT2导通,LED1等熄灭,LED2等点亮,光点向前移动了一位。如此下去,第四个时钟脉冲到来之时Q3变为高电平,LED4等点亮,由于Q3与R相连,R也变为高电平,第五个时钟脉冲到来,Q0重新变为高电平,LED1等又点亮,所以,随时钟脉冲的作用,按顺序排列的LED轮流点亮,使光点产生了流动感。
元件选择与装置
本电路所用元件很普通,无特殊要求。时基电路555可用任意一种,如NE555,LM555等。IC2和IC3是双向移位寄存器CD40194,VT1~VT8为NPN型小功率硅管,如9013、9014等,LED1~LED20用红色,LED21~LED40用绿色,以便区分电流和磁力线。R1、R2和C1决定IC1的振荡频率,也就决定了光点的流动速度,可按实际情况作些调整,但频率以2~3Hz为宜。太高和太低都会影响演示效果。S用六刀双掷拨动开关,SB1~SB4可用轻触开关。
图2是仪器的外观示意图,将LED连接好后,按顺序排列,装入一条内径适合的透明塑料管内,把塑料管弯成所需形状,固定在机座上。塑料管不易成形的,可在其中穿入单心铝线作为支撑。如做成接插式的,可备几种不同形状的配件,扩大演示范围。

使用
本仪器可进行以下几种实验演示:
1.演示电流的磁场。接通电源后,轻按一下SB1和SB2,即可看到表示电流的红色光点流和模拟磁力线的绿色光点流。两者的方向符合安培定则。拨动开关S可改变电流和磁场的方向。按动一下SB3和SB4可结束演示。
2.已知电流方向判断磁力线方向。如果在接通电源后,仅按一下SB1,则只看到电流流动,让学生判断磁力线方向后再按动SB2显示出磁力线来。
3.给定磁力线判断电流方向。开启电源后仅按一下SB2,只有磁力线,判断电流的方向后,再按一下SB1,显示出电流。(翁培松)