盲人由于失去视力而无法使用普通的温度计。本文介绍的这种温度计是我为一位盲人朋友而设计的,经试用效果极佳,现介绍给大家。
工作原理
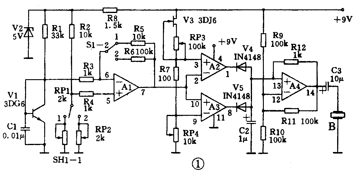
图1是电路原理图,图2是印刷电路图。图1中S1是双刀双掷开关,用来转换量程。位置1为室温档,测温范围是-10℃~40℃;位置2为体温档,测温范围为36℃~41℃。


V1与R1、R2、RP1、RP2组成测温电桥。其中V1是三极管3DG6,利用其发射结作为温度传感器。实测证明,其温度系数与流过它的工作电流有很大关系。例如当工作电流为130μA时,其温度系数为-2mV/℃,当工作电流为550μA时,其温度系数为-2.5mV/℃。为了稳定V1的工作电流,从而稳定其温度系数而设置稳压管V2,以免电池用旧电压下降时影响测温精度。同时V2也稳定了A1同相输入端的电位。按图示元件取值V1的温度系数为-2mV/℃。
A1组成差动放大电路,将测温电桥输出的随温度变化的电压放大。
A2、A3组成窗口电压比较器。该比较器的下限阈值可通过电位器RP4调节,上、下限阈值差(即窗口宽度)为R7上的压降约10mV。当A1的输出电压大于上限阈值或小于下限阈值时,A2或A3输出低电平,V4或V5导通,将A4的反相输入端箝位在低电平,由C2、A4组成的振荡器停振。当调整电位器RP4改变电压比较器的阈值使A1的输出电压处于窗口范围内时,A2、A3均输出高电平,V4、V5均截止,由C2、C4组成的振荡器产生振荡,A4输出端的蜂鸣片产生蜂鸣声。这时RP4的旋钮指向面板上的某一凸起。利用手指的触觉感知凸起的位置可知道相应的温度。
由以上分析可知,R7上的压降VR7是一个重要参数,它决定了电路的分辨率。VR7太大会使分辨率下降,VR7太小使用时不易调准位置。这里取VR7=10mV。由于A1输出电压的变化率室温档为20mV/℃,体温档为200mV/℃,所以室温档分辨率为0.5℃,体温档为0.05℃。
由C2、A4组成的振荡器的工作原理是:当V4或V5由导通变为V4、V5均截止时,C2上电压为0V,则A4输出高电压约9V,A4同相输入端电平约6V。此时A4输出电压经R12对C2充电。当C2上充得的电压略大于6V时,A4输出端变为低电平约0V,使A4的同相输入端电平由6V变为3V,这时C2经R12放电,当C2上电压下降到略低于3V时,A4又输出高电平约9V;如此周而复始产生振荡。振荡频率为f0=1/2ln2·R12C2≈1/1.4R12 C2。
V3、RP3组成恒流源电路,为R7、RP4提供约100μA的恒定的工作电流。这样可使R7上的压降固定为10mV,不因RP4的改变而改变,因而使得分辨率在整个测温范围内保持一致。另外RP4采用线性电位器,其阻值与旋转角度为线性关系,又由于它的工作电流恒定,因此它的旋转角度与它的电压降成线性关系,从而使面板上的刻度是线性的。
元件选择
V1为3DG6,焊好引线后用环氧树脂或万能胶封装在一个内径略大于V1的管帽的电解电容的铝外壳内,为使传热良好,减少测温时间,3DG6的金属管帽顶端应与铝外壳底部紧密接触。V2选用稳定电压为5V的稳压管。V3选用场效应管3DJ6。RP4用线性电位器,也可用普通电位器,但面板上的刻度不是线性的,调试时需逐个刻度进行校准,比较麻烦。R1~R7用1/8W金属膜电阻,A1~A4为一片单电源四运算放大器LM324。其它元件参数如图1所示无特殊要求。
安装调试
调试工作主要是校准刻度盘,步骤如下:
第一步:制作刻度盘。先选择一合适的塑料盒作为温度计的外壳,盒盖作为面板。把RP4固定在面板中央,如图3所示。然后将RP4逆时针旋到最左端,使RP4的阻值为零,标下这时旋钮指针所指位置。再将RP4顺时针旋到最右端再标下旋钮指针所指位置。将上述两个位置之间的弧形间隔分成10等份,并从左至右标上两行数字:-10、-5、0、……35、40和36、36.5、37、……40.5、41。再将每一等份分成5小等份,每一小等份对应室温档的1℃或体温档的0.1℃。用502胶把尺寸为1×1×2mm\(^{3}\)、1×1×4mm3、1×1×6mm\(^{3}\)的塑料条分别粘在小刻度位置以及5的奇数倍位置和整10的位置上,如图3所示组成凸起的刻度盘。为了使各刻度之间具有一定的距离,以提高手指触觉的分辨率,RP4的旋钮指针半径应大于30mm,这样每个小刻度之间距离可大于3mm。RP4的旋钮指针可用有机玻璃加工成如图3所示指针形状再固定在普通旋钮上。

第二步:将S1扳向室温位置,传感器放入冰水混合物中,RP4的旋钮指针指向室温档的0℃位置。过二分钟,当A1输出电压稳定后,再调节RP1使蜂鸣片产生蝉鸣声。
第三步:S1仍在室温位置,传感器放入40℃的水中,RP4的旋钮指针指向室温档的40℃位置,过二分钟,再调整RP3使蝉鸣片产生蜂鸣声。
重复第二、三步骤2~3次,直到校准为止。
第四步:将S1扳向体温位置,传感器放入37℃水中,RP4的旋钮指针指向体温档的37℃位置。二分钟后调整RP2使峰鸣片产生蜂鸣声。
至此调试完毕。将整个电路安装在选好的塑料盒内,用9V层叠电池供电。开始时需要先由正常人对盲人进行指导,刻度盘上标上数字就是为了这个目的。(戴洪彩)