在工程上和工厂流水线及日常生活当中,经常要遇到计数、统计一类的问题,BIC0001GP可编程计数/统计控制器专用集成电路很好地解决了这类问题,它具有设计功能强、使用方便、性能价格比高等诸多优点。
特点
1.采用CMOS工艺,微功耗,抗干扰能力强。
2.3个六位十进制可逆计数器,分别有3个计数脉冲输入端。
3.1个六位十进制数据寄存器,用于存储设定值,当设定值与CNT1数值符合时可在OUT端输出高电平。
4.带片选端口,用于实现掉电保护数据和多片电路共享一组LED显示器。
5.采用28脚标准DIP封装。
管脚功能
BIC0001GP的管脚排列见图1,各管脚功能说明如下:

“1”脚CE为片选输入端,接V\(_{DD}\)时输出有效,不接时所有输出为高阻态。“2”、“3”脚OSCI、OSCO为施密特反相器输入/输出端,接R、C可构成扫描时钟振荡器。“4”~“9”脚D1~D6为位扫描脉冲输出端,D1为最低位,D6为最高位,全部是受CE控制的三态输出端。“10”脚PRG为编程开关,接VDD再断开,即可进入编程状态。编程结束后,再接V\(_{DD}\)后再断开,即可退回一般状态。“11”脚SB为位选端,在编程状态下,每接VDD一次,显示编程数位由低向高移动一位。“12”脚SD为置数端,在编程状态下,每接V\(_{DD}\)一次,数字按0—9—0的序列加一。“13”脚OUT为数值比较器符合输出端,当REG和CNT1数值相符时可使其置位,RC1和RESET可使其复位,是受CE控制的三态输出端。“14”脚GND、28脚VCC为电源输入端,V\(_{CC}\)接正,GND接负。工作电压5V±10%。“15”脚RC1为清计数器1,接VDD后,可清除CNT1和OUT触发器。“16”脚SD2、“17”脚DS1为显示选择控制端,00显示REG,01显示CNT1,10显示CNT2,11显示CNT3。“18”脚RESET为总清端,接V\(_{DD}\)后,可清除3个计数器、OUT触发器、PRG,并使内部扫描时序复位。“19”脚U/D为计数器加/减控制端,接VDD时为加计数,断开时为减计数。“20’脚~“23”脚BCD8~BCD1为8421码输出端,全部是受CE控制的三态输出端。“24”脚NC是空脚。“25”脚~“27”脚CP3~CP1分别是CNT1~CNT3计数器脉冲输入端。
工作原理
BIC0001GP的内部结构如图2所示。

片内包含3个六位十进制可逆计数器(CNT1~CNT3)、1个定长寄存器(REG)、数值比较器(CMP)、动态扫描时序电路(TIMER)、时钟发生器(OSC)及编程控制电路。 3个六位十进制可逆计数器是完全独立的。均采用并行计数方式工作,故计数频率较高,在5V时最高计数频率可达每秒数百万次。除CNT1的清除端RC1是[RESET+RC1]外,逻辑完全相同,在外电路中可随意使用。
3个计数器和1个寄存器的输出通过多路开关挂在四位输出数据总线上。通过设定显示选择端DS1、DS2的状态而确定当前显示的是哪个计数(寄存)器的内容。
寄存器(REG)的内容是编程设定的。片内设有编程电路,当PRG端接V\(_{DD}\)后再断开,一个脉冲使得PRG触发器置位,进入编程状态,电路只接受正在编程的数/位脉冲。此时把SD接通VDD后再断开,可以改变显示的数据。选好所需的数据后,按动一下SB开关(接V\(_{DD}\)后再断开),显示数据即从低位向高位移位一位,此时可设定高一位的数据。当所设数据选定后,按动PRG开关(接VDD后再断开),即结束编程返回一般工作状态。RESET端接V\(_{DD}\)可随时终止编程。在一般工作状态下,SB和SD端无效。在编程状态下,若SB和SD端同时接VDD,则SD端无效。
片内所设的数值比较器,可随时对REG和CNT1中的数据进行比较,当两者数值相等时,输出触发器置位,OUT端输出高电平。此后CNT1继续计数,OUT端一直维持高电平,直到RESET或RC1接V\(_{DD}\)时为止。
BCD码的数据输出端BCD8~BCD1和数位扫描端D1~D6是同步的,即D1~D6中哪一端为高电平,则此时输出的BCD码即为该位的数据。D1~D6是由约翰逊计数器产生的,RESET端接V\(_{DD}\)可使该计数器复位。为了多片IC并联使用,所有的BCD8~BCD1、D1~D6、OUT端都是三态输出,通过片选端CE来控制。当CE为高电平时,输出端送出相应的逻辑电平;当CE为低电平时,输出端全部为高阻态。
OSCI和OSCO为施密特反相器的输入/输出端。OSCI和OSCO之间接电阻R,OSCI和V\(_{SS}\)之间接电容C便形成振荡电路,产生扫描时序所需的时钟,时钟频率以选在2kHz左右为宜。CE接VSS时可切断时序电路的时钟,使扫描电路停止工作,以减小整机功耗,但此时REG数据仍在保持,三个计数器继续照常工作。
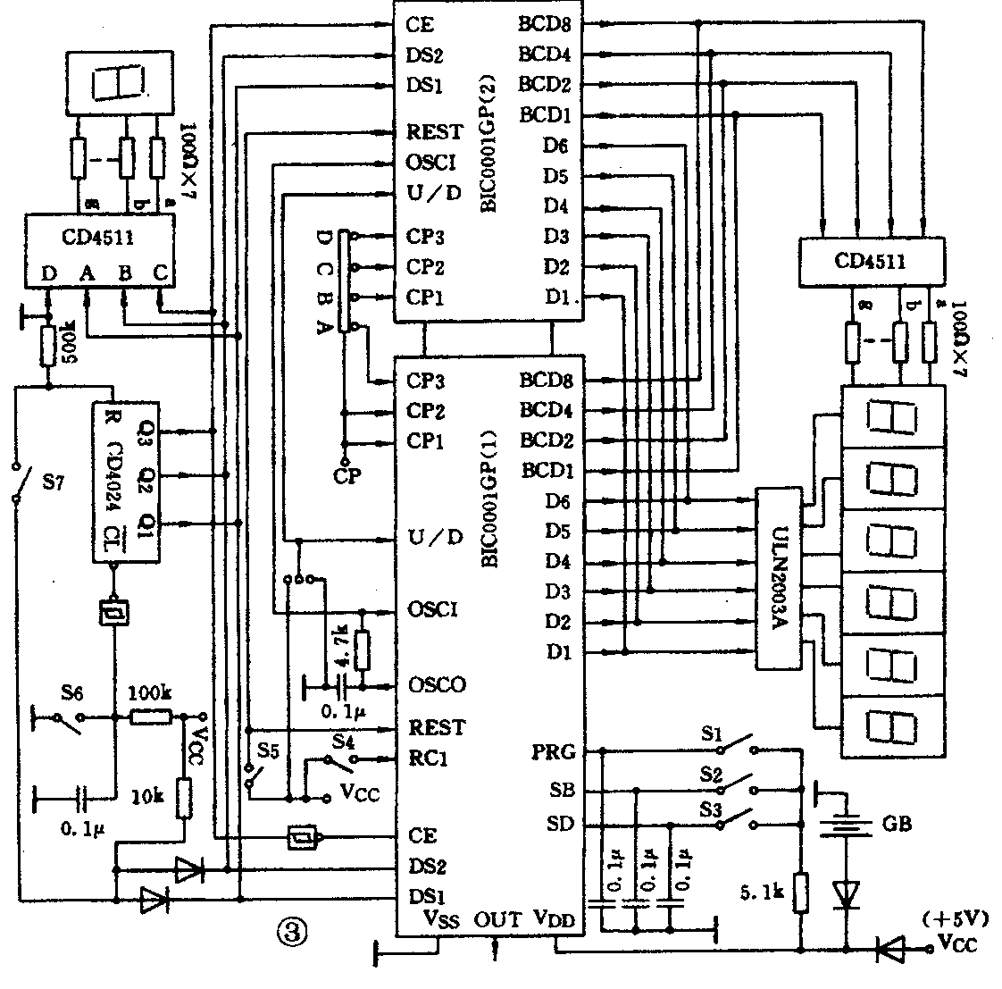
应用举例

图3是一个带设定、累计功能的4路计数器应用实例。它由两片BIC000lGP组成,其中1号片的REG作为定值寄存器可预先设定任意值来与CNT1比较,CNT1~CNT3依次为定长、累计、A组计数器;2号片的CNT1~CNT3依次为B组、C组、D组计数器。两片共用一套LED数码显示,CD4024为显示计数器,S6每闭合一次计数器加1,其中Q1~Q2构成0~7计数,通过CD4511驱动LED数码管显示。计数从0~3时Q3为低电平,BIC0001GP(2)CE接低电平D1~D6,BCD8~BCD1为三态,显示系统为BIC0001GP(1)独用。同理,计数到4~7时Q3为高电平,显示系统为BIC0001GP(2)独用。一个10kΩ电阻和两只二极管组成与门,在S7闭合后,CD4024计数到“3”时便清除跳到“0”,形成“0”~“2”计数器,该电路加有备份电源V\(_{B}\),当VDD掉电后供给计数器维持数据。该电路可以作为工厂的甲、乙、丙、丁各班产品统计和计数之用,同时,由于有预置数功能,还可用来作打包控制。

