业余电台爱好者,常为天线及天线与馈线的匹配绞尽脑汁。对于业余电台天线的制作,有关资料经常可见。这些天线有的匹配简单,但增益较低;有的增益较高,但匹配较难,且匹配器难于购到。本人通过试验自制带磁芯的匹配器,效果较好。
制作与调试过程:
1.磁芯的制作。匹配器用铁氧体制成双孔磁芯,它具有磁漏小、效率高等优点。本人选用短波收音机的磁棒一根,φ10×100mm左右,敲碎碾成粉末,颗粒越细越好。将磁粉与适量的环氧树脂胶(市上有售的强力胶等也可)充分调匀,倒入双孔磁芯的模子中(模子可用镀锌罐头盒焊制)压实,中间两孔可用插入两根棒子的办法,待尚未干硬前的适当时间抽出,成双孔,24小时后拆模,双孔磁芯即成。图1是双孔磁芯的具体形状。大小、厚薄也可根据自己的实际情况决定,稍有变化,无关紧要。用如图1所示双孔磁芯绕制的匹配器,输入100W/SSB.CW信号,长时间工作温升正常。

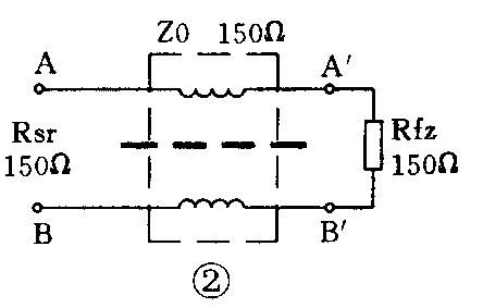
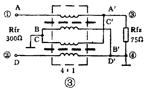
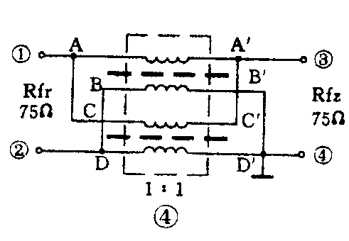
2.线圈的绕制。匹配器每一个线圈对输入的高频信号的特性阻抗Z0要为150Ω,这取决于磁芯和线圈的圈数及结构。图2根据传输线理论,当负载阻抗Rfz与线圈的特性阻抗Z0相等时,线圈的输入阻抗Rfr=Rfz,两线圈A′、B′接上150Ω,AB端输入阻抗也为150Ω。CD两线圈也一样。然后将输入端串联。图3可使AD两端的阻抗为150Ω+150Ω=300Ω,输出端并联,输出阻抗为150Ω/2=75Ω,实现了300Ω与75Ω的阻抗变换和平衡/不平衡转换。如果将输入端A与C并联,B与D并联,输出端A′与C′并联,B′与D′并联接地,可实现75Ω平衡与75Ω不平衡间的1:1的转换,见图4。具体绕法:参见图5,平衡/不平衡用1mm漆包线或塑料铜芯线,双线并绕两组:AB组,CD组,并绕两圈,把AB、CD当成头,A′B′、C′D′当成尾。按图3或图4连接即成。使用时再用塑料盒封装起来,伸出四个接线头即可。




3.匹配调试。制成的匹配器可进行匹配调试试验。如果是75Ω半波振子天线,可采用75Ω平衡与75Ω不平衡转换接线图(图6)。如果是半波折合振子天线,可采用300Ω平衡转75Ω不平衡的接法(图7)。


我用BT—3扫频仪测试天线馈线的输入端的驻波比均在1.5以下,效果较为理想。加上引向振子和反射振子,就可得到增益较高的定向发射天线。(范薛成)