3D扬声器系统具有占地面积小、便于摆位的特点,加上它的造价较低,制作简便,是普通工薪阶层发烧友自己动手制作音箱的理想选择。本文向读者介绍一套3D扬声器系统。
本系统使用西雅士(seas)H532 3/4英寸钛高音一对,H393 5英寸丙烯振膜低音喇叭一对,南鲸YD220—8XJ纸盆涂胶喇叭一只,音箱结构见图1。

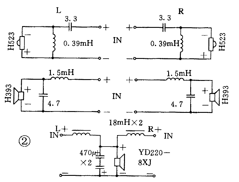
西雅士喇叭在音响界素有好评,钛高音听感线条清晰流畅而不硬,中音与人声表现十分出色,特别是这对小喇叭灵敏度高,20W胆机推动已有夺人之势。经多次试验,最终主扬声器系统采用狭缝倒相式,使用25mm实木板拼接制作,各边角倒棱,前后障板贴羊皮,四壁外涂30层以上硝基清漆,内涂5层以上805胶,后内壁贴30mm超细玻璃纤维。音箱外观玲珑剔透,娇小可爱,箱体密封阻尼良好。低音箱采用国产南鲸8英寸喇叭,取其f\(_{0}\)、Q0适中,承受功率大,振动系统结实可靠,灵敏度与西雅士相当之特点,箱体采用双腔双管谐振式,以便获取干净利落的低音效果。箱体使用18mm中密度纤维板制做,内壁各面贴40mm建筑保温用黄色玻纤毡。系统分频网络见图2,其中低音箱的低通电感量较大,不宜使用空心电感以使系统阻尼下降,本例使用6P1输出变压器铁心,用0.51线密绕72圈,滤波电容使用470μ电解负负串联。

由于采用无源低音箱,不必考虑从功放前级取左右声道合成信号,也不用像某些3D音箱那样从主功放输出取信号衰减后再进入有源音箱,这样避免了改机的麻烦和双重功率放大失真度相乘的弊端。低箱下限频率为31Hz,上限90Hz,低音箱与主音箱频响平滑结合。低音箱摆位几乎对声像定位无影响。
本系统曾接入20W 6P3胆机、45W FU7胆机、建伍7640AV功放和天龙890功放试听,均获得满意效果。与JBL TXL170、JBLL1、土炮6英寸丹拿箱进行A、B切换试听,低音不逊于JBL,清晰度胜丹拿一畴,高音则丹拿D260更显柔韧一些,中音明丽甜美则本系统更具特色。各种音乐软件试听表现与4~5千元厂制品相比各领风骚,用作AV影院放音《侏罗纪公园》中暴龙脚步声质感不亚于15英寸广播用大喇叭的效果,堪称一款价廉物美的推荐之作。有兴趣的发烧友不妨动手一试。(黄相伯)