K型机心卡拉OK录像机一改以前的设计风格,以结构新颖,功能齐全,档次成系列赢得了广大用户的信赖。它们的卡拉OK混响电路都采用了数字式延时混响电路。克服了用BBD(电荷耦合器件)作延时混响电路带来的信噪比低、失真大、通频带窄、动态范围小等缺点,以噪音低、频率响应好、动态范围宽等优点来获得令人满意的回声、余音和混响效果。
卡拉OK录像机数字式延时混响电路原理框图如图1所示。

它的电路结构是很简单的,包括话筒放大器IC1,混合放大器IC2,数字延时混响电路IC3,输出放大器IC4。其基本功能都集成在IC3的集成电路芯片中了。该芯片包括低通滤波器LPF1、LPF2,比较器COMP,放大器OP1、OP2,调制器MOD,解调器DEM,振荡器OSC,存储器48k RAM,主控逻辑单元MAINCONTROL,延时控制单元DELAY CTL及自动复位电路 AUTO RESET。其中的延时控制单元既可采用设定模式也可采用外部微机控制。当采用微机控制时IC3的9脚接低电平,5脚送串行时钟,6脚送串行数据。由于采用四位延时控制,有2\(^{4}\)=16种延时方式见表1。其中fs为取样频率,Td为延迟时间。从表中可查出当D4=H(高电平),D3=L(低电平),D2=L,D1=H时的取样频率为250kHz,延迟时间为122.9ms(毫秒)。

卡拉OK录像机数字式延时混响电路的工作原理及工作过程:
话筒的声音信号经话筒放大器放大,送混合放大器混合放大,经AGC进行自动增益控制,经MUTE进行静噪控制(消除不插话筒时产生的噪音),再送入数字式延时混响集成电路芯片M65831的23脚,经过内部的低通滤波器LPF1进行选频后送入主控逻辑单元中进行量化编码,并写入到48k RAM中进行存储,经过延时控制单元进行延时,经过调制器MOD、放大器OP1、比较器COMP进行自适应式Δ调制,再送回主控逻辑单元。反复的进行延时→调制→比较产生混响(回音)效果。经过延时混响的信号送到解调器DEM中解调,放大器OP2放大,经低通滤波器LPF2滤除掉取样频率成分并进行波形整形,经混响电平调整后送回IC3,再次延时混响,增强混响效果。再与磁带上的伴音信号相混合,送给音频输出电路,或经RF变换器变成射频输出。当你演唱卡拉OK歌曲时,就会使你的歌声变得美妙动听了。
下面列举两个卡拉OK录像机数字延时混响实际电路例子进一步理解其工作原理。
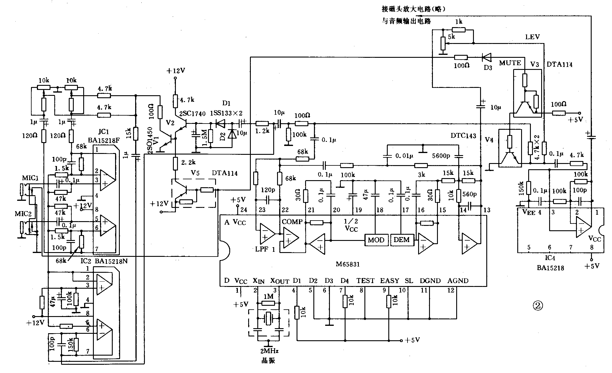
例一:JVC公司生产的HR—J37E卡拉OK录像机数字式延时混响电路原理图如图2所示。

该电路就采用三菱公司生产的M65831做为延时混响电路,其延时时间为122.9ms,IC1用BA15218F作为话筒放大器,IC2用BA15218N为混合放大器,IC4用BA15218F为输出放大器,D1、D2、V1、V2为自动增益控制电路,其目的是防止话筒信号过大易产生自激而设置的。它是从混合放大器输出端取出的,经D1、D2整流,送V2、V1检测,并反馈给混合放大器输入端。当混合放大器电平过高时D1、D2导通,V2基极电压升高,发射极电压升高,使V1基极电压升高,集电极电压下降,使得混合放大器输入电平下降,从而起到自动增益控制作用。
V3、V4组成音频静噪控制电路,目的是防止不插话筒时产生的噪声干扰重放时磁带上的音频信号。在话筒插座上设置两个相互串联的开关,当不插话筒时,V3的基极为低电平而导通,V4导通接地,使话筒信号对地短路,起到静噪使用。当插入话筒时,V3、V4截止,话筒信号不受影响。
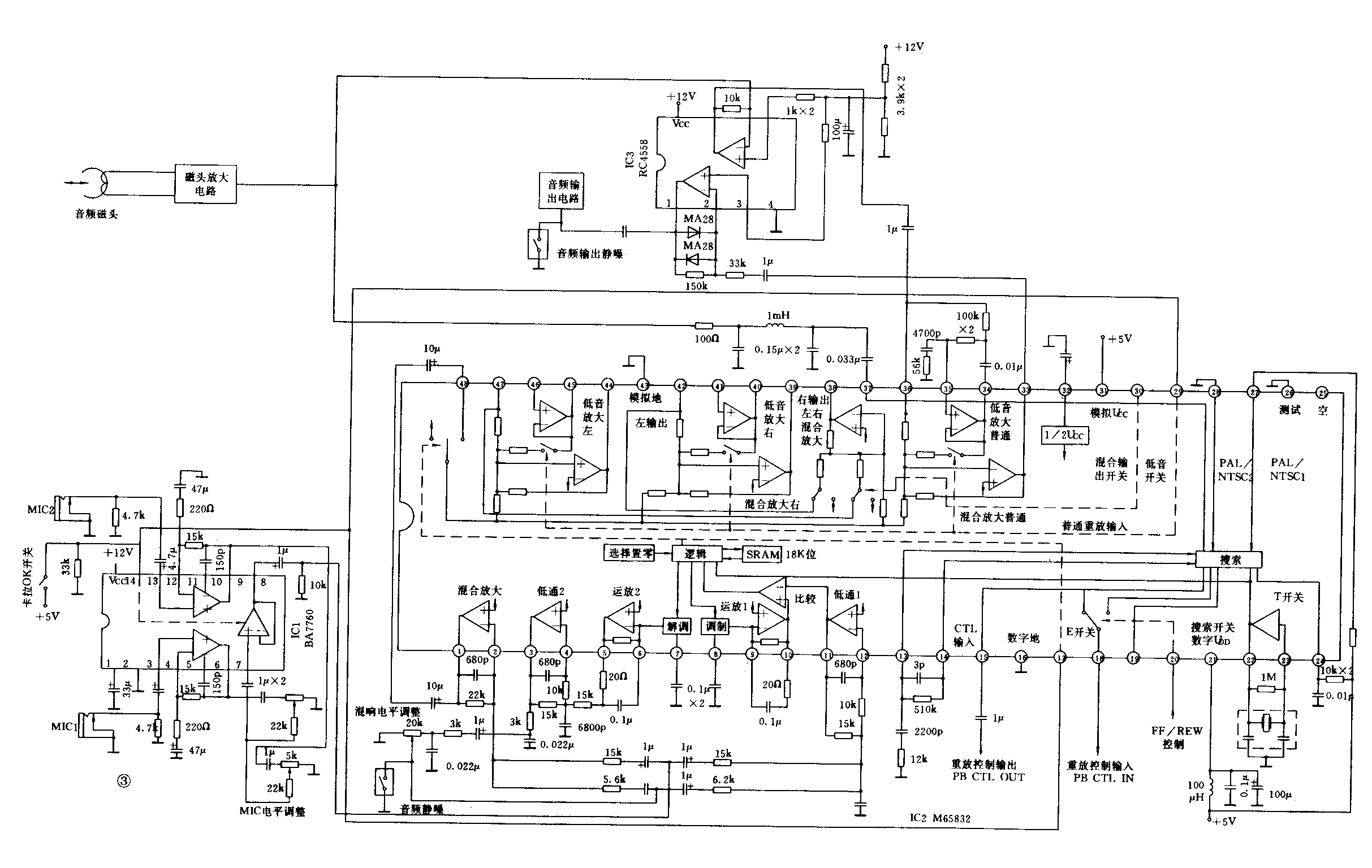
例二:松下公司生产的NV—SD50MC 卡拉OK录像机数字延时混响电路原理图如图3所示。

该电路采用三菱公司生产的M65832做为数字延时混响电路。它包含A—D、D—A变换器(采用自适应型Δ调制解调方式)、两个低通滤波器和1个18k随机存储器,内部的低音提升电路可对低频进行提升处理。既可用于单声道延时混响输入输出,又可用于双声道立体声延时混响的输入输出。还具有无音频信号检索电路,用于产生检索脉冲,以便在两首歌曲之间无信号时可快速检索到卡拉OK曲子。
当你演唱卡拉OK歌曲时,话筒信号经IC1放大并混合送入IC2 M65832的12脚通过数字量化编码,进行自适应型Δ调制→延时→解调→整形,由3脚输出经混响电平调整后一路送回12脚再次延时混响增强效果;另一路送混合放大并与磁带上的音频信号(从36脚入)在芯片内相混合由33脚输出,经IC3再次放大后送音频输出电路。IC2的15脚是由主控微机来的重放控制输出信号,18脚为重放控制输入信号,20脚为微机控制快进/快退磁带控制信号,19脚为搜索脉冲的输出信号,当进行卡拉OK歌曲快速搜索时,E开关打开将重放控制输入输出信号送入主控微机,微机发出指令,执行卡拉OK快速搜索功能。
M65831与M65832卡拉OK延时混响电路芯片性能比较见表2。(张启明)
