该敲、击报警器性能可靠,简单实用。感兴趣的读者不妨一试。
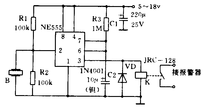
该报警器的电原理图见附图。其核心器件为常用的555时基电路,再加上几只外围元件,就构成了高灵敏度的触发延时电路。触发信号由2脚输入,经触发、翻转、延时,控制电压由3脚输出。最大负载电流为200mA,可直接驱动中小功率负载。

电路的灵敏度可调整电阻R1来选择,R1取值小灵敏度低,取值越大灵敏度越高。延时时间的长短,由R3、C2决定,R3、C2取值越大,延时时间越长。电路的供电电压范围为5~18V,静态耗电小于10mA。
当有人敲打或击碎玻璃时,贴在玻璃上的传感器B立即检测出来并送入NE555的2脚一串脉冲信号,其3脚输出电压直接驱动继电器K吸合,常开触点控制报警器工作。
本电路对元器件的要求并不严格。只要电容器C1漏电小,C2选用钽电解电容即可。电路装好无需任何调试,通电即可工作。(雅安)