笔者应养鸡孵化专业户要求,设计制作了全功能自动孵化控制仪。该套控制仪配用容蛋量为一万三千只的电孵器,实践证明具有造价低、实用、噪音小等优点。该套控制仪还可以用于对普通的大中型电孵器、电孵间进行技术改造。
根据恒温、上下限超温报警、自动翻蛋等要求,分别制成了独立的控制仪,以便在发生故障时用备用控制仪替换而不影响孵化进程。
1.恒温控制仪:电原理图见图1。整流后的直流电压加在高速大电流开关电路TWH8778的1脚、4脚,绿色发光管VD5发光。AB两点接摄氏0~50度 的电接点温度计,孵化过程中调在38度至39度左右。正常恒温时,一开始由于温度不够、电接点温度计未接通,图中经R2、R3分压后的电压使TWH8778的控制极5得电,2、3脚输出正电压,经过三端稳压器7809使继电器1098线圈得电,同时红色发光管VD6发光,继电器的动合接点kr闭合,经R5使主电路双向可控硅VS得到触发电压而呈导通状态,电热丝得电升温。直至水银柱上升,电接点接通使得TWH8778的5脚失电,最终又使得VS控制极失电而呈开断状态,电热丝失电停止加热。经调查,孵化专业户习惯使用电接点温度计,因为它具有直观性强、调节方便等优点,再由于它的接点与TWH8778配合使用中电流仅为100微安左右,使得温度计的工作寿命较长,双向可控硅散热片体积为190×130×4毫米,可配用两组共3至4千瓦电热丝。为防止双向可控硅因负载短路造成损坏,主电路应尽可能采用快速熔断器加以保护。非绝缘型双向可控硅散热时带电,在使用中要注意安全。

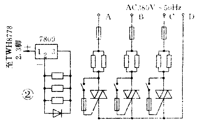
大型电孵器、电孵间应采用三相交流电供电,电原理图见图2。可供容蛋量为4万只的电孵间使用。三端稳压7809输出端接三只继电器,用作三相电源三只VS触发用,电热功率为10千瓦。塑封的7809需加30×20×2毫米的散热片。为使孵化间内温度均匀,需配备二台以上排风机对电热丝吹风。

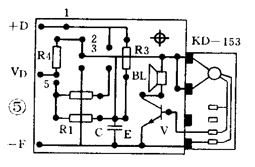
2.上下限超温报警器电路原理见图4,其印制电路见图5。上限超温电接点温度计接于图中C、D点,一般调在39点3度,正常工作状况为开路。下限超温电接点温度计接于图中E、F点,一般调在37度,正常工作状况应为通路。由图中可以看出:正常恒温情况下开关电路TWH8778的5脚得不到正电压,故呈开断状态。在因恒温控制仪故障、停电等引起超温或降温时,C、D点由开路成为通路或E、F点由通路成为开路均可使8778控制极5脚得到正电压,8778导通,2、3脚得电使音乐集成电路工作发出响亮的报警声。电路中音乐片采用KD—153叮咚声电路,喇叭采用4寸8Ω的,以便使发音更响。C为退耦电容不可省去。SA为试验按钮,在孵化过程中应每天按动一次,看报警器是否工作正常。该报警器开路工作电流低于0.6毫安,用电较省。为保险起见,一般每年孵化一开始即应更换二节一号电池。


3.自动翻蛋控制仪。在孵化过程中,蛋盘托架每隔二小时左斜或右斜与水平相差四十五度,每次全程转动九十度。这是除恒温系统外最重要的翻蛋系统。二只数字钟的显示屏一只显示翻蛋时间,另一只显示实际时间。随着自动翻蛋进程,二只数字钟交替显示。电原理图见图3:双6V交流电源接入A、B两只TMS3450钟板后,由于二只钟板双6V电源头尾是相反的,故二只钟板所控继电器KR1与KR2因互锁只有一只得电动作。图中B钟板所控KR2未得电,其常闭接点Kr2—1将A钟板TMS3450的22脚23脚对正极接通,显示屏显示为1∶59,并在17脚输出正电压,该电压经R1、R2分压后使TWH8778电路导通,由8778的2、3脚输出的电压经7809稳压后使继电器KR1得电,KR1的一组接点Kr1—1将B钟板的TMS3450的24脚接到正极,此时显示屏显示为12∶00;KR1的另一组动合接点Kr1—2接通继电器KR4。继电器KR4的接点Kr4接通交流单相电容分相电动机作顺转。电动机的功率根据电孵器的容蛋量选择在300~800瓦之间。通过二节蜗杆蜗轮减速以每分钟180度的转速带动蛋盘托架由左倾斜45度翻转为右倾斜45度。待蛋盘托架上的挡块碰触限位开关S5、S6时,S5开断S6闭合,电动机失电停转。继电器KR3此时未动作,S6的闭合不会使电动机立即反转。这样A钟板经过一小时五十九分的倒计时后KR1线圈失电,Kr1—1恢复为常闭,B钟板TMS3450的22脚23脚对正极接通,显示屏显示为1∶59。17脚得电,使TWH8778导通,7809、KR2得电动作,此时Kr2—1换接,使A钟板TMS3450的22脚、23脚与正极开断,24脚与正极接通,显示屏转为显示实际时间,而B钟板转为显示1∶59(翻蛋时间)。此时Kr1—2断开,Kr2—2闭合,继电器KR3得电,KR4失电。Kr4断开,Kr3动合接点接通220伏经S6而使电动机作反转。约半分钟后,另一挡块碰触S5、S6,电动机再次失电停转,蛋盘此时又由右倾斜45度翻转为左倾斜45度。直至一小时五十九分钟后重复下一次翻转。S2、S4为点动按钮。因为上蛋、照蛋、移盘等需将蛋盘保持水平位置时,可随时点动显示翻蛋时间一侧按钮,电动机会立即转动,待蛋盘转至水平位置时,断开电动机电源开关S0,蛋盘立即固定在水平位置上。待照蛋等工作完成后,合上S0,蛋盘即可保持继续正常翻转。如需改为每隔一小时翻转一次蛋盘,只需将两钟板TMS3450的22脚悬空即可。有关TMS3450钟电路请参考《无线电》1986年第9期、有关TWH8778高速开关电路请参考《无线电》1988年第3期。

较大型的电孵器、电孵间需用三相电动机作动力,这时可将原单相电动机的接线分别改接至二只三相接触器的吸引线圈。可选用电压为220V的吸引线圈,由两只接触器的主触点接通380伏电源,使三相电动机作正反转。若吸引线圈电压是380V的,需将接触器线圈回路电源改为380伏。
该自动翻蛋控制仪可不用事先预置即可准确无误地使蛋盘每隔一小时五十九分转动九十度。有规律的蛋盘翻转是提高出雏率的关键。
使用该套控制仪除雏鸡出壳时需二十四小时值班外,大大减轻了值班工作人员劳动强度。
元件选用:恒温控制仪的变压器采用3~5瓦12伏的;翻蛋控制仪的变压器采用8~10瓦的双6伏绕组,最高电压不能超过7.5伏;KR1、KR2购不到双组接点的可用两只并联代用;KR3、KR4接点工作电流不得小于5A,多组接点的,可将接点并联使用;K5、K6为一只双轮式行程开关。恒温控制器的印板图见图6。(居基根)
