本文介绍用数字集成电路制的语音门铃电路,对其稍加修改,可开发出语音提醒器、语音报警器、语音玩具等。下图是电路图,先将要发出的语音信号以一定的取样频率数字化,并固化于EPROM中。电路启动后,电源控制器导通,数字语音还原电路从ROM中读取数字信号,经加权、放大、整形后输出还原的语音信息。当语言结束时电源控制器截止,关闭数字语音还原电路的电源。

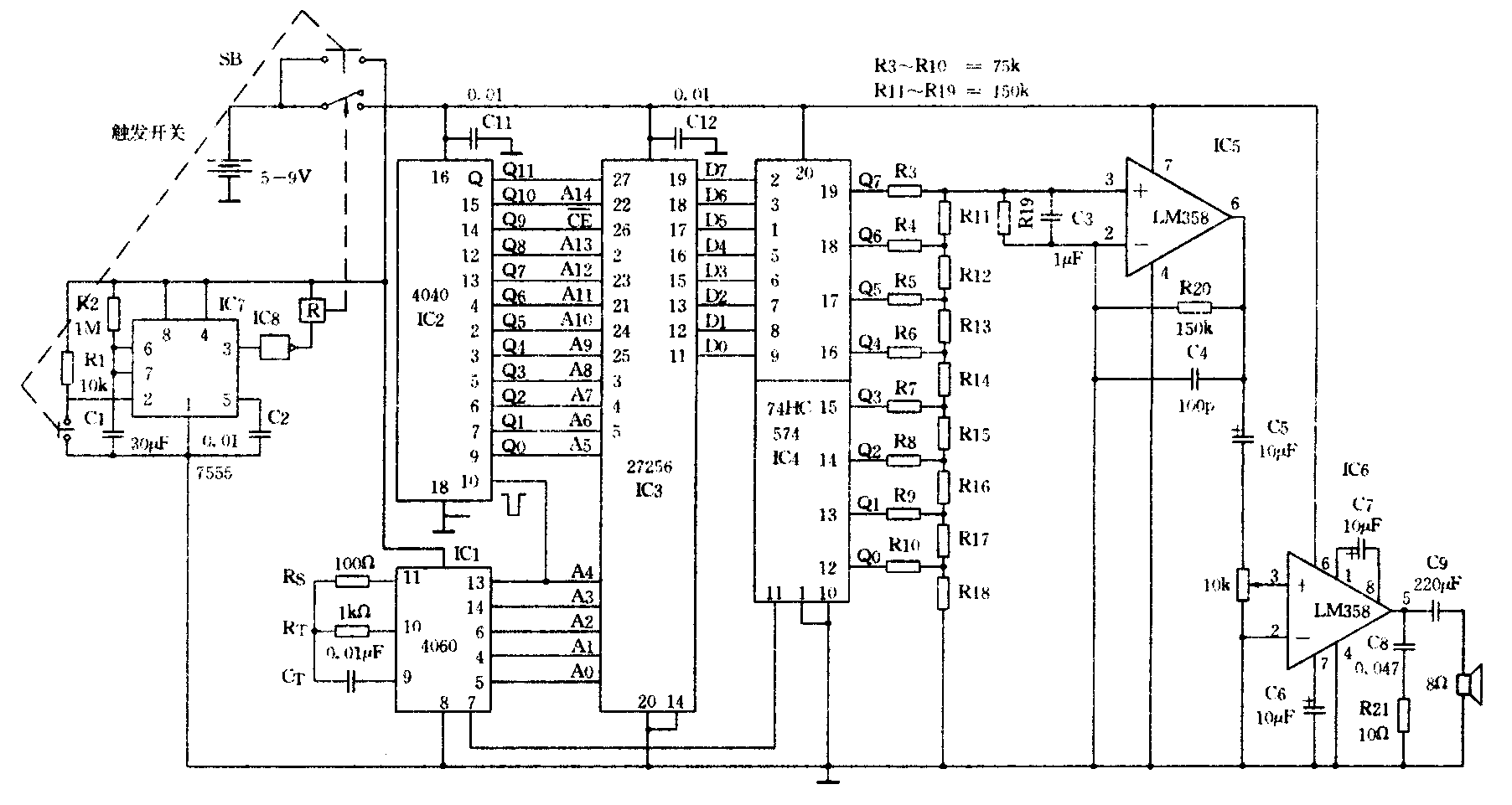
1.时钟与地址发生器
EPROM存储器的编址和读出、锁存器的触发,是由IC1和IC2构成的时钟发生器/分频器控制。R\(_{T}\)与CT决定振荡器的时钟频率。时钟频率f=l/2.2R\(_{T}\)CT,R\(_{T}\)取1kΩ,CT取0.01μF则f=45kHz,R\(_{S}\)为保护电阻,防止CT在充放电过程中CMOS门输入冲击电流。4060的Q4作为锁序时钟(约3kHz),Q5、Q6、Q7、Q8、Q9则作为EPROM编址的低5位输出,Q9同时驱动14级二进制计数器4040,4040每一级依次对时钟频率二分频,并作为EPROM编址的高位输出。Q1至Q8端连接EPROM的地址A6至A13,Q9、Q10、Q11则作为数字语音段选样控制。
2.语音存储器
在半导体存储器中,分为RAM和ROM。RAM通常用于电路中作暂存器用,存储易失性数据。ROM是只读存储器,一次性写入数据,可长久保持。本电路中使用的EPROM与CD盘一样,将语音信号数字化后,写入EPROM,每个单元都编有地址,在存储器中写入数据后,可按指定的地址读出数据。
IC3由27256构成,其地址0至16384间存放第一句语音,16385至32768间存放第二句语音。当A14为低电平时,还原0至16385地址间的第一句语音信息。当A14为高电平时,还原16385至32768地址间的第二句语音信息。CE端为低电平时,IC3选通有效,CE端为高电平,IC3禁止,输出为高阻状态,无语音信息输出。
各段语音内容可依各人爱好录制。譬如,第一段语音编为“有人吗?请开门!”等,第二段语音可编为“请稍候!”或“主人外出”等。可依各人爱好进行录制。
3.数据锁存器
为使从ROM中读出的语音数据定时,EPROM的输出端接数据锁存器IC4。IC4共有8个D触发器,在时钟上升沿读入数据,由Q0至Q7输出。地址计数器4060与4040是脉冲下降沿动作。因此,Q输出的数据与EPROM的指定地址时间延迟了1/2周期。
4.T形电阻网络与缓冲放大器
T形电阻网络的作用是把8位数字代码D0~D7变换成模拟信号。由图不难看出,经过每一级节点以后输出电压都要衰减1/2。
T形网络对电压相继进行分压来实现加权。其转换的精度是由位数和阻抗的精度决定的。这里8位DA变换,分辨率为256分之一,也就是说误差在0.4%以内,T形网络的电阻采用金属膜电阻,误差为1%。
从T形网络输出的模拟信号,为了提高其精度,下一级必须采用高阻抗输入回路,LM358的输入阻抗大于1kΩ,电容C3可以滤掉由时钟脉冲产生的尖顶信号,使输出的波形光滑连续。
5.语音的固化
语音的固化可以利用已普及的微型计算机(如PC机、中华学习机等)与8位A/D板来完成。将扩音机输出的语音信号接入A/D板的输入端,取一定的采样频率(如3kHz)将语音信号数字化,并存放在RAM或磁盘中,再通过EPROM写入卡将语音数字信息写入EPROM中。
6.200mW音频功率放大器
本电路的芯片LM386N有8根引线,体积很小。在①、⑧引线间接电容C7(10μF)、放大倍数A=200,开环时A=20。引线⑦连接的电容C6起交流滤波作用。当负载阻抗为电抗时,很容易振荡,所以加了C8和R21串联回路。为了隔离直流电原,输出采用电容(C9)耦合,输入采用10μF隔直电容。
7.微功耗电源定时控制电路
由7555定时器组成单稳态电路,其输出控制一接口电路IC8和继电器K作为语音还原电路的电源开 关。按下双联开关后,7555反转,3端由低转高,经延时后再返回稳态,即3端由高转低。延时时间为:T=1.1R2·C1,取R1=1MΩ,C1=30μF,定时时间为30秒。
当3端为高时,继电器闭合。当3端为低时,继电器放开,整个电路停止工作,所以电路平时不耗电。(黄跃平)