问:一台VT-426录像机,录放像各种工作状态正常,收看电视节目时,调谐选台正常,但关机后再开机时原来已调好存储的电台节目都已丢失,不能记忆。请问故障在何处?(山东 董学兵)
答:调谐正常,不能记忆故障,应重点检查定时器/操作电路板上的IC702。IC702(M58630P)是一块电可变只读存储器集成电路。其正常工作的条件是:①脚有+5V工作电压,②脚有-30V工作电压,⑥脚有时钟信号,脚有调谐信息输入。不能记忆调谐信息时,常见故障是②脚的-30V电压没有加上。检测步骤为:1.测PG702⑨脚,若无-30V电压,检测电源板PG851①脚应有40V交流电压,否则应更换F853(315mA)保险管。2.测Q902C极对地应有-30V电压,若没有,检查D912是否开路,IC904保护器是否熔断。3.测PG906⑨脚应有-30V电压输出,没有或电压不正常时,应进一步检测-30V电子滤波器电路Q902及ZD902等。(聂元铭)
问:一台日立将军P-185D彩电,收看低频道(如一、二频道)时失真很大,哼声严重,调整鉴频线圈也不能明显好转,更换6.5MHz滤波器无效,问如何检修?
答:这种故障是该型机的通病。该机的第一、二、三、四预选器适用于我国大陆制式即第二伴音中频为6.5MHz。第五、六、七、八预选器适用于香港制式即第二伴音中频为6MHz。由开关三极管Q501控制二极管D10、D11导通或截止使伴音信号进入不同的滤波器而实现伴音制式转换,当收看我国大陆电视节目时,由于信号是通过二极管D10进入6.5MHz滤波器的,而二极管又是非线性元件,对某些频率成份的响应并不是线性的,这就有可能造成频率偏差,频率特性变坏,带宽变窄而使伴音失真或哼声加重。对此理想的处理方法是拆掉D10、Dll、R38、R40及6MHz滤波器,用短路线连接D10的位置,使信号直接进入6.5MHz滤波器,然后再微调鉴频线圈使伴音最佳。这样也就将八个预选器全部改成了适用于我国大陆伴音制式的形式。(陈克军)
问:一台夏普CV—2121DK型彩电,开机后无光无声。经检查发现开关电源输出电压基本正常,但行输出级没工作,再测扫描和视频处理集成电路IC801⑥脚电压极低,⑧脚电压为7V左右,而查相关外围元件均正常,据此能否判断IC801已损坏?(山东 朱超华)
答:该机IC801⑥脚为行脉冲输出端,⑧脚为行电源端。正常时⑥脚电压为1~1.3V,⑧脚电压为11V左右。现实测⑥脚电压极低,表明IC801内的行振荡电路无输出,而其原因又在于⑧脚行电源电压不足。⑧脚电压在刚开机时由开关电源15V输出电压经Q610、D619提供,一俟行输出级工作,⑧脚电压便由行输出12V电压经D62O提供。所以,若查⑧脚外围电路无问题,便可判断IC801已坏,可果断拆换。(申薇)
问:一台上海牌Z237-1A型彩电出现“三无”故障,测直流110V电压正常,测行输出变压器产生的+17V电压也正常,但无+12V电压,进一步检查发现电阻R521损坏,换同规格电阻后通电测R521上端有+17V而下端仍无+12V,电阻很快冒烟,断电测量阻值还正常,不知何故?(沈阳 王立业)
答:该机“三无”故障显然是由于无+12V电压所致。该机+12V电压是从+17V经R521降压后获得,R521烧毁,说明+12V负载电流大,即+12V输出端有短路故障存在,应首先排除故障后才可通电试机。IC101 11脚的滤波电容C122常常击穿造成上述故障,若C122正常,则应重点检查滤波电容C520、C404、C629和C314是否击穿。(张文华)
问:一台东芝182E5C型47厘米彩电,出现“三无”故障,经检修是电源开关厚膜块STR5412损坏,手头现有的STR50103A块,不知能否与之代换?
答:集成块STR50103A可以代换STR5412块,只是它们的引脚顺序不同,代换时应注意。
STR5412的①、②、③、④、⑤脚分别对应于STR50103A的③、②、①、④、⑤脚。代换后即可工作,外围电路无需改动。(王文彬)
问:一台三元47SYC—3—2型彩电中的二级管VA7001(型号为DX0068CE)损坏后,用一只1N4001代换后仍不能使彩电工作正常,该怎么办?(江西 吕文)
答:DX0068CE是一种特殊二极管,它的正向压降为3.7V左右,用一只1N4001显然不能代换DX0068CE。目前,市场上几乎购不到DX0068CE。根据普通硅二极管的正向压降为0.7V左右的这一特性,可用5只1N4001串联后再来代换DX0068CE。(汤志成)
问:有一台进口VIDEOTONTA3305型“SUPER STAR”黑白电视机的视放负载电阻R206,8W4.7kΩ损坏,问可否用国产件替代?
答:可用天津产RX12-6型3W1.6kΩ电阻三只串联起来替代。经过一年多的实际使用,效果良好。(冯万城)
问:我有一块型号为TA7604AP的集成块,因手上无资料,故无法使用,请告之该集成电路的功能及可与它互换的国产集成电路?(山西 阿立)
答:TA7604AP是日本产调频立体声解码电路。国内与之相同的集成电路有:D3361、TB3361、D7410等,它们的外形及功能与TA7604 AP完全相同,可以互换。 (邱慧远)
问:一台小型立体声放音机出现无声故障,开壳检查发现机内线路板上只有一片型号为D4520的20脚集成电路和少量阻容件,因无线路图而无从下手检修,请介绍D4520的各引脚功能、代换型号、在路电压和在路电阻如何?
答:D4520是具有前置放大功能的立体声耳机功放集成电路,其各引脚功能如下:①前置输出Ⅰ;②前置负反馈Ⅰ;③前置输入Ⅰ;④前置电源;⑤前置输入公共端;⑥前置地;⑦空脚;⑧前置输入Ⅱ;⑨前置负反馈Ⅱ;⑩前置输出Ⅱ;功放输入Ⅱ;滤波;静噪;放输出Ⅱ;功放地;电源Vcc;滤波;放输出Ⅰ;放负反馈;放输入Ⅰ。D4520的直接代换型号有LA4520、CD4520等,各引脚在路电压和在路直流电阻,请参阅本刊1992年第1期《问与答》栏目。(张文华)
问:电子管6N1能替代6N2使用,请问电子管6N2能否替代6N1使用?(常恩宝)
答:电子管6N1、6N2的几项主要参数见下表。从表中的参数可以看出它们的区别。6N1可以替代6N2,而如果用6N2替代6N1使用,只限于用在低放电路,6N2不适合作功放。(倪耀成)
管型 灯丝 跨导 输出 用途
电流 阻抗
6N1 0.6A 大 低 功(低)放
6N2 0.3A 小 高 低放
问:一台星球Z—930型组合音响,开机后无声,经查系前置放大集成电路CD7784GP损坏所致,能否用TA7784P直接代换?另请简单介绍一下CD7784GP各脚功能。(上海 莫伟龙)
答:CD7784GP是内含电子开关的双声道前置放大集成电路,主要用于录放卡座及收录机。该IC内含F(正转)/R(反转)和EQ(均衡)两组电子开关,可便于自动换向放音及磁带选择功能的实现。TA7784P可以直接代换CD7784GP。该IC各脚功能如下:1—电源,2—输出A,3—F/R控制,4—EQ网络,5—A(放大器A,下同)、F输入,6—A反馈,7—A、R输入,8—地,9—滤波,10—空,11—B(放大器B,下同)、R输入,12—B反馈,13—B、F输入,14—EQ网络,15—EQ转换,16—输出B。(言取)
问:一台爱华HS-T280收放机。放音正常,收音无声。集成电路LAG665F的引脚短接能收音,但噪音大,有无应急修理办法?
答:LAG665F为供电电压Vcc,为前级电压Vcc。当接时能收音,说明收音前级正常。由于短接,前级失去退耦电阻,因而噪声大。前级Vcc受前级关断电压影响。由于前级内电路电流增大,前级退耦电阻上压降增大,影响脚\(\frac{1}{2}\)Vcc,进而影响功放,造成无声。应急修理办法是:在串接一个小电阻例如47Ω,减小前级关断电压,降低电流,恢复脚1;2Vcc,这样即可正常收音。 (霄明)
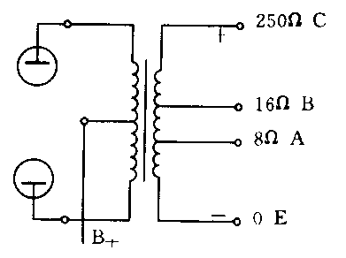
问:扩音机输出变压器次级有几个抽头的阻抗值,如图。请问B端和A端的阻抗值能否用16Ω-8Ω=8Ω来计算?(曹尤荣)

答:绝对不能。这是因为图中A、B、C三个端子的阻抗值都是对0而言,必须用Z\(_{AB}\)=(\(\sqrt{Z}\)BE -Z\(_{AE}\))\(^{2}\)这个公式来计算。计算结果为ZAB=(\(\sqrt{16}\) -18)2=1.44(Ω)与16Ω-8Ω=8Ω相差很大。(倪耀成)
问:用作扩音机信号源的收录机中的电源变压器损坏,想从扩音机变压器的双18V交流次级绕组中取出12V电源供收录机的前置级电源,怎么改法?(北京 田夏阳)
答:有两种方法:一是将一组交流18V绕组用电线直接送入收录机的220V交流插座上,只是将原变压器所有初次级全从底板上断开,原接次级绕组的桥堆两根线接到220V插座上,扩音机电源的那组输出绕组最好选用机内负电源输出的那组,因负电源相对而言“负担”轻点,还应把收录机中原滤波电解电容的耐压提高到50V,以确保正常工作,然后断开为功放供电的电源回路;二是在供正电的扩音机18V绕组直流输出端接一个三端稳压器7812,从7812的输出与地接两条线到收录机的电池盒的正负极上,断开收录机中原先的大滤波电解电容,改接成100μF电解再并个1μF的小电容。(张国华)