众所周知,音箱是音响系统的喉舌,有了一套优质的音源和放大器,还必须配备一对优质的音箱,才能真实地再现音乐。而一对优质的成品音箱,其价格亦不菲,有些甚至令人望而生畏。如何制作一对性价比较高的音箱,笔者感觉远比制作一台放大器更让人费神。笔者曾为友人及自己制作过6对音箱,用过好几款国产和进口牌号的扬声器,现将其中一对自我感觉较好的8英寸两路分音气垫式音箱介绍给同行,以期交流。
在这对音箱中,中低音单元选用深圳伟达电子厂的“Wizard”AMA 808石墨强化聚丙烯扬声器;高音单元选用Philips的AD11600/T8软球顶扬声器,笔者喜爱其柔和细腻的音色。AD11600/T8的主要参数如下:频率响应范围1200Hz—20kHz,额定阻抗8Ω,系统音乐功率60W。已知AMA808的主要参数如下:灵敏度Lp:88dB/W/M,额定/最大功率:60/120W谐振频率f\(_{o}\):38Hz,有效频率范围:38Hz—6kHz,额定阻抗Z∶8Ω,品质因数QT∶0.49,等效体积VAS∶42L。
参照德国著名高保真技术专家克林戈尔(Klinger)教授的理论:
f\(_{o}\)/QT<40Hz的扬声器适用于迷宫式音箱;
f\(_{o}\)/QT在40~80Hz的扬声器适用于密闭式音箱;
f\(_{o}\)/QT在80~120Hz的扬声器适用于倒相式音箱;
f\(_{o}\)/QT>120Hz的扬声器适用于指数号筒式音箱。
本例中,AMA808的f\(_{o}\)/QT约为78Hz,故而决定选用密闭式音箱(业余条件下选用密闭式音箱较为切实可行)。我们知道,扬声器的Q\(_{T}\)是表述fo频率上振动系统阻尼状态的一个参数,它对低频特性起着关键作用。当扬声器装进密闭箱后,其品质因数Q\(_{T}\)和谐振频率fo将以新的音箱的Q\(_{TC}\)和foc值出现,而且Q\(_{TC}\)和foc均大于Q\(_{T}\)和fo,两者升高的比例相同。不同Q\(_{TC}\)和foc时密闭箱的低频响应如图1所示。由图1可知,Q\(_{TC}\)过高,频响曲线会出现峰状,音箱的瞬态响应就差。而QTC过低,频响曲线虽比较平直,只是f\(_{oc}\)显得过高了些。而QTC=0.7时,响应曲线最为平直,f\(_{oc}\)亦升高得不多。因此,一般认为,在密闭箱中QTC=0.7时低频特性最好。故而,本例将音箱设计为Q\(_{TX}\)=0.7。

由于垫放吸音材料后Q\(_{TC}\)会有所降低,所以应按QTC提高5%~10%的值来确定音箱谐振频率的目标值。按照Q\(_{TC}\)≈0.75来进行音箱内容积的计算:
f\(_{oc}\)=(QTC/Q\(_{T}\))fo
=(0.75/0.49)×38≈58(Hz)
音箱内容积
V\(_{B}\)=VAS/(f\(_{oc}\)\(^{2}\)/fo2-1)
=42/(58\(^{2}\)/382-1)≈32(L)
考虑到音箱中须加固支撑加强筋,隔声阻尼层以及扬声器单体占据的体积,在上述计算的基础上再扩大10%左右,最后确定内容积为36L。
根据上述计算结果反推过去验算一下:
Q'\(_{TC}\)=QT\(\sqrt{1}\)+V\(_{AS}\)/VB
=0.49\(\sqrt{1}\)+42/36≈0.72
f'\(_{oc}\)=fo\(\sqrt{1}\)+V\(_{AS}\)/VB
=38\(\sqrt{1}\)+42/36≈56(Hz)
其值与计算值基本上相符合,本音箱的低音特性为f\(_{oc}\)≈56Hz,QTC≈0.72。表示从56Hz开始以-12dB/oct缓慢衰减。
根据对音箱外观的要求,在满足宽、深、高三者不成整数比以及深度大于扬声器高度(93mm)两倍的条件下最后确定音箱的外部尺寸为:高H=490mm,宽W=280mm,深D=360mm。笔者选用18mm厚的中密度刨花板制作,两块面板为刨花板与多层夹板粘贴而成,总厚度为28mm,整个音箱尺寸如图2所示。

前、后、左、右、上、下共6块板均用聚醋酸乙烯乳液(俗称白胶水)粘固,并以木螺丝拧紧。所有内棱角均用20×30mm的硬木条加固,前后、左右极中间用十字形硬木条撑紧,并在外面用木螺丝拧紧。经过这样处理后,整个箱体非常坚实牢固。在各板的内壁均涂敷沥青和薄形玻纤布以及3mm厚橡皮以作声阻尼层,厚度约为6mm,吸振和隔声的效果比较好。两只扬声器皆由外向里安装,扬声器边缘与面板之间垫以3mm厚橡胶圈,以保证不漏气。低音单元用8只Ф5mm的铜六角螺栓固定;高音单元用4只Ф4mm的铜六角螺栓固定,用螺栓固定远较自攻螺丝为好。

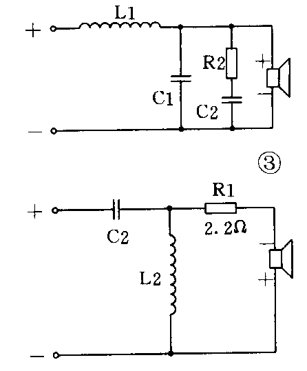
根据两只扬声器的参数,分频点选为3kHz,采用滤波型分频网络,如图3所示。低通0~3kHz(-6dB)下降交叉点12dB/oct。高通3kHz~(-6dB)下降交叉点12dB/oct,这样合成后的综合特性曲线比较平坦,不象恒阻型分频网络,综合特性曲线在交叉点处会隆起。由于低音扬声器的阻抗随频率变化很大,因此有必要对其进行补偿,使之成为与频率变化无关,保持标称阻值的阻抗特性曲线,由R2与C3来完成。各元件值的计算公式如下:
C1=148000/(f·Z1)=148000/(3000×8)≈6.17(μF)
L1=296·Z1/f=296×8/3000≈0.79(mH)
C2=85300/(f·Z2)=85300/(3000×8)≈3.55(μF)
L2=170·Z2/f=170×8/3000≈0.45(mH)
R2=扬声器的额定阻抗=8(Ω)
根据厂家给出的AMA808的参数,其5kHz高频阻抗为14.1Ω,阻抗补偿网络的C3值为:
C3=159000·Z\(_{5kHz}\)/(f5kHz·Z1\(^{2}\))
=159000×14.1/(5000×8\(^{2}\))≈ 7(μF)
R1为高频衰减电阻,避免高音过份喧染,应采用无感线缆电阻。电感线采用XINDAK的65×25×35mm的大号骨架,用Φ1.5mm漆包线绕制。笔者手边有一台上海沪光仪器厂制造的ZL6型自动L、R、C测量仪,因此可将电感线圈精确地绕制0.79mH和0.45mH,C1用多只CBB电容并联至6.17μF;C2采用2只SOLEN MKP FC电容并联至3.55μF。这都得助于ZL6型自动L、R、C测量仪。在4只电感外面均套上铝制屏蔽盒(由百货商店买来的现成热水瓶铝盖),高、低音网络分开,互不干扰,采用Bi-Wining接法,8只接线柱是自己车制的特大铜质的。音箱内部接线均采用日本麦克露华2×504(5N)喇叭线。笔者采用的吸音材料为66支澳大利亚自梳毛条,用纱布包缝成3cm左右厚度的毛被,然后匀贴在音箱各内壁。可惜缺乏仪器测试,否则可适当调整吸音材料的用量,使音箱的Q\(_{TC}\)值保持在0.7,而现在只能以听音感觉来决定了。最后,将音箱外表打磨平,涂上数道仿红木树脂漆,整个音箱就算完成了。
这对音箱由于采用了坚固制作,严密封闭等诸多有利于改善音质的措施。采用了优质国产扬声器和久负盛名的菲利浦软球顶高音扬声器,加上精心制作,播放时确实达到了预期的效果。
在笔者14平方的房间内重播,低音结实富有弹性,不模糊;中音甜润具有质感,能将乐器应有的音色,尤其是人声较为忠实地再现;高音十分清晰柔和,对音乐细节有着良好的表现力。听感上定位比较准确,声音自然,清晰度高。特别适合欣赏人声、爵士乐和民乐。一曲“懒画眉”、“鸥鹭忘机”,真让人听得飘飘欲仙,油然而生思古之情。当然该音箱整体的气势和大型音箱相比仍有不足之处,但论瞬态响应,特别是清晰度却是略胜一筹的。以一千元的造价,论其表现,笔者自以为绝对可算是一款性价比较高、音乐味特浓的小型音箱。
试听器材和软件如下:
音源:SONY CDP-497唱机;放大器:50W甲类放大器(自制);信号线:以麦克露华1×260线自制,镀金RCA插头;喇叭线:以麦克露华2×504线自制,镀金插头;软件:RCA的《 Famons Blue Raincoat》编号:RCA258418。(张伟民)