随着国际上消费类电子产业的迅猛发展,各种高保真AV设备也在迅速地进入寻常家庭。不同于普通的音响组合,AV系统必须有环绕声处理器、多功能大功率功放机。本文介绍一套组成高性能低成本的AV功放的超值组合,非常适合广大发烧友自制家用四声道环绕AV功放机,使小小斗室的听音感受更上一层楼。
飞利浦的TDA3810专用高保真环绕声处理集成电路是本文介绍的AV组合的重点,所谓环绕主体声,是指采用特定的电路将立体声信号进行重新组合和加工处理并且采用四个扬声器来进行放音的系统,两个置于前方的左、右两边,称为主扬声箱,另两个置于后方的左、右两边,称为副扬声箱。主扬声箱主要是对原立体声信号进行放音,同时掺入部分副扬声箱的信号,以产生声源扩展和回声的效果。副扬声箱是将原立体声信号进行深度扩展和移相后放音,使原来前方声源的立体声仿佛环绕于四周的旷阔空间中,形成一种特殊的声响效果。
对于该AV功放系统的组成,本文给出了两种方案:高级型和经济型(主声道采用TDA1521×2,BTL30W×2,副声道采用一片TDA1521功放)的组合。它们的方框图如图1所示:第1级采用了飞利浦的TDA1029作四路输入切换AV开关;第2级采用美国国家半导体公司的LM1040N作低噪声直流音量/音调控制;第3级采用TDA3810作专业组的高保真环绕声处理,处理后的四路信号,分别送入主、副声道功放,TDA1514A×2(或TDA1521×2)及LM1875×2(或TDA1521)。有关TDA1029、LM1040N及TDA1514A,TDA1521的详细介绍可参见本刊的94年11期48页的文章。

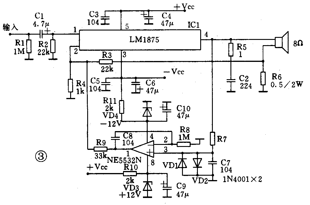
图2是TDA3810的典型应用电路,立体声信号经输入耦合电容由TDA3810的第2、17脚输入,经内部放大器缓冲后,左、右声道信号各分二路。一路从TDA3810的第3,16脚直接输出,用作主扬声箱信号。另一路送有源移相器进行移相,同时左右二声道的有源移相器通过公共电阻R9实现二声道间的反相位串音,形成(L—R)和(R—L)信号,串音深度取决于R4(R5)与R9的阻值比率,R9越大,串音深度越浅。外围元件R3、R4、C4、C5、(R5、R7、C11、C12)与内部的运算放大器、电阻器构成有源移相器,相移程度可以通过改变R4(R5)的阻值来调节,阻值越大,相移也越大。经反相位串音和相移后的Ф(L—R)和Ф(R—L)信号,再通过TDA3810内部的电子选择开关后从第6、13脚输出,作为左、右二副扬声器箱信号。电子选择开关用来选择电路的工作状态。当第11脚上的开关SA1断开时,第11脚为高电平,电路处于环绕立体声状态。当开关SA1合上时,第11脚被置零电平,电路处于立体声状态,即直通状态。此时,立体声信号由第2、17脚输入后,经电子选择开关,直接从第3、16脚和第6、13脚输出。第7脚上的发光二极管VD1用来显示环绕立体声工作状态。外围元件C6为集成电路内部参考电源的退耦电容,C7为内部电子选择开关的缓冲电容,用来消除开关切换时产生的开关噪音,C8为电源退耦电容。电阻器R2(R6)将部分副扬声箱信号掺入到主扬声箱信号中,以形成L+Ф(L—R)和RФ(R—L)信号送主扬声箱。

LM1875是美国国家半导体公司出品的一片高保真薄膜功放。该电路采用的技术和工艺相当先进,即使在大功率输出时失真也相当低,并且具有高增益、摆率快、功率带宽大、输出电压幅度大,电流容量大,输入电压范围大等优点,该放大器可内部补偿,在增益≥10时很稳定。采用该电路作副声道放大的目的是该电路的音色表现相当温暖可人,将它用于环绕声系统中的副声道时,恰好与TDA1514A的清澈音色表现相辅相成。因为在环绕声放音系统中,音场的定位主要取决于前方的主声道,这就要求主声道的放音特别在中高频段具备高解析力,且低音力度要好(功率余量大),而TDA1514A电路恰好能满足这些要求;而副声道的作用主要是增加整个重放音场的空间感及增强音乐细节的表现力,就要求副声道的重放音色温暖且纤细(低失真),LM1875正适合担此重任。
主要特点:
输出功率可达30W(Vcc=±30V,RL=8Ω)
增益A\(_{VO}\)=90dB典型值,功率带宽:7kHz
失真小:THD=0.015%(f=1kHz,20W)
带AC、DC与地短路时的保护,热保护电路
电流容量可达4A,内含输出保护二极管
电源范围宽:16V-60V,纹波抑制高达94dB
值得一提的是,为了获得完美的音场重现效果,主、副声道功放均采用了恒流负反馈式和直流伺服式的电路。一般的音频放大器都是以恒压方式驱动扬声器负载的,由于扬声器是一个既能产生反电势,又会产生电磁感应发电的振荡音圈,传统恒压式功放是做不到这一点的,特别是副声道的扬声器引线一般都较长,其阻性、容性、感性阻抗对功放的影响不可忽视。要消除环路负反馈给恒压功放带来的瞬态失真,必须克服非线性的扬声器阻抗对反馈回路的影响,把反馈回路的信号同流过扬声器音圈的电流变成线性的关系,才可以解决该问题。具体的电路设计如图3所示,用线性元件电阻R5、R6(0.5Ω/2W)把流过扬声器音圈的电流取样反馈给功放的反相输入端,使放大器以恒定电流方式驱动负载,扬声器受电流控制振荡而发声。特别是当重放频率到了低频及扬声器的谐振峰附近时,恒流式电路可以很好地克服扬声器阻抗的变化给重放效果带来的不良影响,增强了低音的力度和高音的解析力,使整个系统的重放音色听起来丰满厚实又清晰明快,很有电子管功放的韵味。直流伺服电路(NE5532N)主要是用来精确修正LM1875(TDA1514A)电路在取消负反馈的对地隔直电容后,输出端直流电位的漂移。

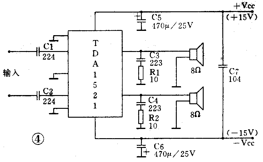
TDA1521是一块外围简洁的高保真功放,既可用作BTL接法(30W×2),也可接成立体声方式(15W×2),本文提供一款其立体声应用时的电路图,工作电压±15V,外围元件少。采用集成功放最大的优点是立体声平衡度好,且大批量的一致性有充分保证,在可靠性及性价比方面均远优于分立元件功放。典型的应用电路如图4所示。(张国鹏)
