笔者因工作关系接触恒温设备较多,但从目前各实验室所用的恒温设备中使用的控制电路来看,大多尚停留在传统的热电偶或水银触点式机械温控器上,以致于这些恒温设备普遍存在着控温精度不高,温度阶跃明显(一般达到1~2℃),且因其机械式触点固有的易氧化特性,故障率亦不低。本文介绍一款笔者为改造的一台恒温(37℃)细菌培养箱而设计制作的高精度、无温度阶跃区(约0.2℃)的恒温控制器。
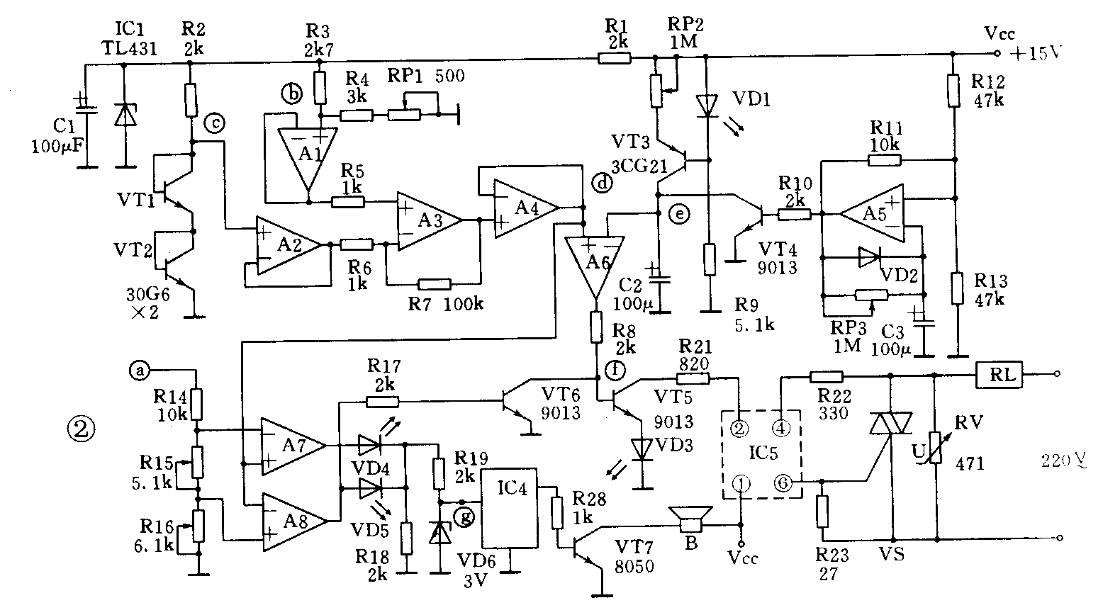
原理概述 本恒温控制器由两块单电源四运放和少量外围元件组成,其原理框图见图1。图2为其电路原理图,其中VT1、VT2的be结串联为温度传感器,由精密稳压集成电路TL431提供约2.5V高稳定基准电压源为传感器提供合适的偏置电流并为窗口电压比较器(A7、A8)和差分放大器(A3)提供合适的参考基准输入。A1、A2的接入是为便于调试并使差分放大器的输入端尽可能平衡。电压跟随器A4起缓冲隔离作用,分别将经A3差分放大器放大后的温差电压Ud送到电压比较器A6的同相输入端和窗口电压比较器的共同输入端上。A6的反相输入端接在由A5等组成的锯齿波电压发生器的输出端上,在锯齿波电压低于Ud期间,A6输出高电平,VT5饱和导通,使接口电路IC5得到输入电流信号,其输出端触发双向可控硅VS在过零时导通,电热管RL得电发热,箱温升高。VD3为一绿色高亮度发光二极管,其作用有三:一、为作加热工作状态指示灯用;二、为消除A6低电平残压以防VT5误导通;三、为抵消因VT6可能出现的饱和压降过大而使VT5在超温时不能可靠地截止。因RL发热,箱温升高,与设定点温度的温差减小,从而引起Ub-Uc减小,Ud亦随之减小,A6输出高电平时间减少(在一个锯齿波周期内),以致箱温上升速度减慢,当箱温达到设定温度(37℃)时,温差超为最小,Ud此时最小,RL工作时间最短,此时箱温基本上无变化(变化幅度很小,约0.2℃), RL所发热量与恒温箱与外界热交换所散失的热量相当,以维持箱温高度稳定。由于RL的工作时间长短与温差密切相关(温差大时,Ud大,RL工作时间长,产热较多,反之,RL工作时间短,产热少),且传感器的输出经约100倍放大,故本控制器的精度和灵敏度都较高,基本上无明显的温度阶跃区。


A7、A8为一窗口电压比较器,当箱温低于设定温区下限时,A7输出高电平,黄色发光二极管VD4亮,表示欠温状态,同时使得到约3V直流电压供给报警声响集成电路IC4产生报警声,经VT7放大驱动电磁迅响器B发声告警。而当箱温因某种原因失控而超过设定温区上限时,A8输出高电平,一路使红色发光二极管VD5发光指示出超温状态,并给告警电路供电,使B发声告警。与此同时,经R17使VT6饱和导通,迫使VT5截止,切断KR、IC5的输入电流,使VS关断。RL停止工作以防箱温继续上升,从而保护了箱内培养物品不被热死。
元器件选取A1~A4用一块LM324N,A5~A8用另一块LM324N,IC1用高精度可调三端稳压集成电路TL431,IC4用四声集成片KD-9561,IC5用过零通断型光电耦合器MOC3041或MOC3061等型号,VS用12A 600V双向可控硅,为减小电路体积,B优选达华厂的120Ω电磁迅响器;RV用2K470V压敏电阻,RP1用500Ω有机实芯电位器,RP2、RP3用1MΩ微调电阻,R15、R16用5.1K电位器代替调试后换上同阻值固定电阻即可:C2用100μF钽电解电容器,VT3用穿透电流较小的3CG21B等PNP型硅三极管、VD1用任一型号发光二极管(兼作电源指示灯用),VD2用IN4148等开关二极管,VD3用高亮度绿色发光二极管,VD4用高亮度黄色发光二极管,VD5用高亮度红色发光二极管,其它图中已有标注。
装调 按图2数据选件并装焊无误后,接上200mA15V直流稳压电源(可用78M15获得),将VT1、VT2焊上双芯屏蔽线(约1m长)置37℃恒温箱内,调RP1使Ud约为0.5V,调RP3使A5的振荡周期约为60秒,调RP2使VT3的IC约为30μA即可。R15、R16为窗口电压设定值电阻,一般设定窗口温区为35℃~38℃,低于35℃时,使A7输出高电平,VD4亮,高于38℃时,使A8输出高电平,VD5亮,此二只电阻相互牵制,应反复调试,直到满意,即在温度为35℃~38℃时,VD4~VD5皆应不亮,整个调试即告完毕。最后将传感器固定在原恒温箱内的热电偶套管中(注意应先取出热电偶套管中的传导玻璃棒并注意传感器引脚的绝缘),将电路板装入外壳中置于恒温箱上即可。
本控制器具有灵敏度高、控温精度高并无明显温度阶跃区及无触发等特点,且由于使用过零控制技术,使得可控硅的抗冲击能力得以提高,从而增加了它的可靠性。由于用高效发光二极管作各种指示,且部分元器件的多重作用,使得电路不但功耗低,而且结构简洁。
关于本电路的供电问题,应以变压器降压经稳压后得到。以12V~15V200mA左右为宜。由于电路处于长期工作状态,要求降压变压器的温升应小,业余条件下可用两只5VA 15V电源变压器串联代替。(王学文)