(李自福)本文介绍的超声波雾化器,成本低、连续工作稳定,设有水位控制电路,工作安全。它采塑壳,外表美观,使用方便,主要用于山水盆景、鱼缸、室内加湿等场合。
电路工作原理见图1,超声波以定向压强将水喷起,在喷起水的周围瞬间发生空化产生雾气。

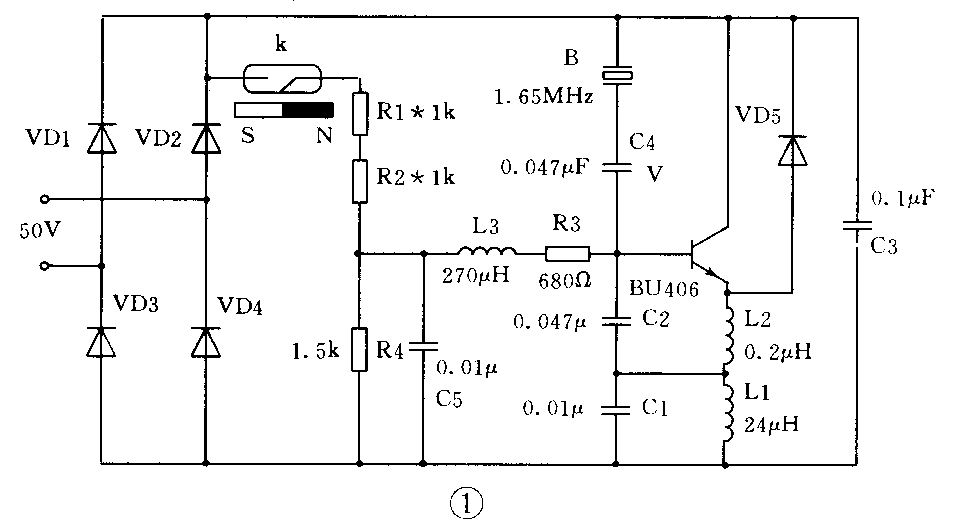
电路由电源变换、振荡器、换能器和水位控制电路组成。VD1~VD4接成的桥式整流将交流50V变成直流电供振荡电路工作。以V1为核心的振荡器是一个电容三点式振荡电路、电路的振荡频率谐振频率为1.65兆赫,L1和C1的谐振回路这里不决定振荡频率而决定振荡幅度,它的谐振频率低于电路振荡频率。C2L2串联谐振频率大于电路振荡频率,此谐振频率越高,振荡器的反馈振幅越高。换能器B在电路中作为电感来使用,它既是电路的自激元件同时又是电路的负载。由V1、C1、C2和B组成一个电容三点式振荡电路。C2、C5为滤波电容,因电路工作频率较高,数值可用得小一些。C4是隔水电容,因换能器工作于水中,为防止密封不严而漏水设置的。在振荡电路的偏置电路R1串联于簧管,由磁浮子控制开关来进行水位控制,水位下降时磁浮子下沉,干簧管断开,R1偏置电路断开,振荡电路停振,从而保护换能器。
换能器B是一高频陶瓷压电振子,它是电路的自激元件,同时又是电路的负载,此电路能自动跟随压电振子的固有谐振频率,利于批量生产,免于频率调整。
雾化器工作频率高、功率大,元件选择要严格,V1用BU406,Pc 60W,Vceo 200V,fT>10MHz,β>50。电容选CBB或CH型高频电容,L1用ф0.51漆包线在ф10×10磁芯上绕27匝即成。L1用0.69漆包线在ф6mm圆棒上绕2.5匝脱胎而成,电阻全用1/4W金属膜电阻。
电路装好后装入特制外壳中(见图2),要注意密封严,不应有漏水现象,将磁浮装入外壳中即可。整个机器投入水中即可使用,水要干净,不能有杂物。如果机器有浮起现象,可用盆中的重物压住。
