在摄制电视教材节目中,常遇到被拍对象的变化过程时间较长而教材所需的时间较短,需要架稳摄像机对准被摄对象进行定期间断拍摄的情况,例如:一朵花从花蕾开始绽开到完全开放的过程,往往需要经历几个钟头甚至更长的时间,要把这一过程拍摄在几秒钟时间的节目内,就得采用上述的定期间断拍摄法,如果由人工守候操作,费时费力,极为不便。笔者利用数字集成电路设计制作了一个摄像机定期间断拍摄自动控制器,试用效果还可以。
本控制器经与摄像机作简单连接后便可沿着如下的顺序进行循环控制摄像机的动作:拍摄开始→拍摄暂停→待命开始→待命结束→拍摄开始→拍摄暂停……,可根据需要调节拍摄时间和待命时间的长短,同时还能带动照明灯具,使之在拍摄期间点燃,在待命期间熄灭。
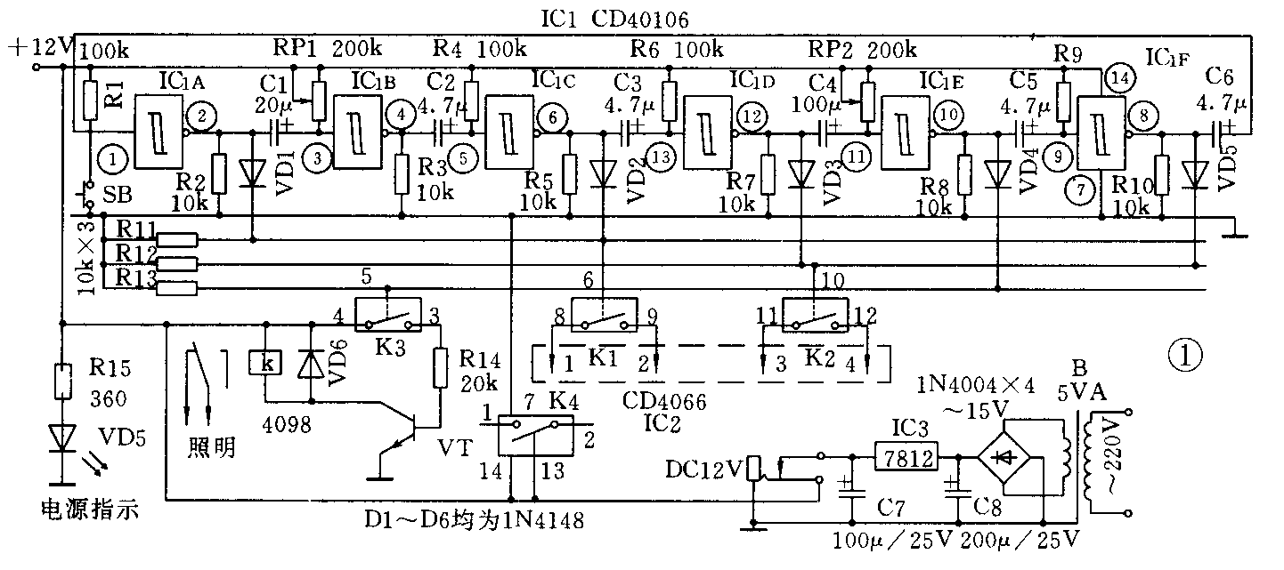
本控制器所用的元件易找,成本极低,容易制作, 工作可靠,是电教工作者的好帮手。图1是该控制器的 电原理图。图中的IC\(_{1A}\)~IC1F是数字集成电路IC1(CD40106)中的六个独立的施密特触发器,①~⑥、 ⑧~为各个触发器输入输出端引脚,⑦脚接电源负极,接电源正极。数字模拟开关集成电路IC2(CD4066)中的四个独立双向模拟开关,本电路仅用其中的K1、K2、K3三个模拟开关,K4空着不用。在这些模拟开关中,当它们的控制端,即5、6、10、13脚为低电平时,开关断开,高电平时,开关闭合。K1的8、9脚,K2的11、12脚分别与摄像机的拍摄开关和待命开关的两端并联,本控制器就是利用K1、K2的开合来控制摄像机上述两开关的开合。

图1中各触发器各输入输出端在工作中的脉冲波形及时值关系见图2所示。现就图1和图2将本控制器的工作原理简述如下:

1.每个施密特触发器均有如下的特征:输入输出端具有反相关系,输入端受到负脉冲触发而翻转;具有整形特性,尽管输入端输入的脉冲是非方形的,其输出端也能得到近似的方波,有着陡直的脉冲前沿和后沿,每个触发器就是利用其输出端方波脉冲的后沿电平陡降所形成的负脉冲去触发下一个触发器的输入端并使其翻转,六个触发器首尾循环相连着,一个接一个地翻转,形成本文上述的一系列循环动作。
2.图1中的C6、R1,C2、R4,C3、R4,C5、R9取值较小,故图2中的②、⑥、和⑧点正脉冲宽度较窄,约0.1秒的时间就能使摄像机的拍摄/暂停开关和待命开关完成充分的闭合而进入相应的工作状态。图1中的C1、RP1、C4、RP2取值较大,且RP可调,不仅可使图2中的④、⑩点的正方波脉冲较宽,并且其宽度可调,从而可根据需要来调节拍摄时间和待命时间的长短,RP大,脉冲宽度大,RP小,脉冲宽度就小。为了使④、⑩点脉冲宽度每一轮都相等,C1、C4选用漏电较小的钽质电容器,其它元件无特殊要求。
本控制器应安装在屏蔽盒中,这样做的目地是防止由于控制现场的电磁干扰而导致摄像机产生误动作。整个电路由于元器件不是很多,可以焊在一块197×75mm的线路板上。电源变压器用市场上5VA220V/15V的小型变压器即可,由于电路工作时间长所以变压器的质量很重要。否则会错过拍摄时机。
本机线路板布线时地线应尽量粗些,从高压220V到控制输出端的元件要顺序排放,不要高低压部分交错排放。由于电路工作在无人值守状态,所以本机对焊接要求很严,元件安装前应测试,并将引线上锡,以增加可靠性,电路焊装完毕后,用白铁皮或铝板做一个盒子把装好元件的电路板装在里面,RP1、RP2的旋钮、SB和VD5露出盒外,便于调节和操作。RP的阻值与延迟时间的关系应通过实际测定后,在盒子面板上刻度标出,方法从略。
为了使本控制器与摄像机之间能方便地进行连接和分离,一方面从K1、K2的8、9、11、12引出四条软导线,线端装上一个四位排插头,编号依次为1~4。另一方面,拆开摄像机外壳,从拍摄/暂停开关、待命开关引出四条导线,装一个四位排插座,编号依次为1′~4′找一个合适的位置装在摄像机的外壳上,并使排插座的插孔露在外面。在作定期间断拍摄时,把控制器的排插头插进摄像机上的排插座插孔中即可,而平时不作定期间断拍摄时,把插头拔去,丝毫不影响摄像机的原有功能,非常方便。
在进行定期间断拍摄时,应先选好拍摄时间长短和待命时间长短,装上照明灯具(有时可不用照明),架好机子,对好焦距(适用定焦),接上控制器电源,待各方面准备就绪后,按一下SB,本控制器就能使摄像机自动进入定期间断拍摄的工作状态,无需人员值守操作。待整个拍摄结束后,拆去电源,关掉摄像机电源,拍摄工作就告结束了。(李汉朝)