本文向读者提供一种物美价廉的多功能全方位报警装置,它可随时将家里的情况报告给你指定的BP机或电话,当你收到报警信号后可以向家里的装置查询情况。你还可以随时随地查询家里的情况,该装置可以向你报告家里是否确实被盗。
MWH—Ⅰ多功能全方位报警器由两个部分组成,如图1和图2所示。第一部分为触发装置,它可以分别装在门窗等容易潜入的地方。这一部分有两种功能:(l)平时它可以当做电子门铃用,它发出类似电话的振铃声,告诉主人门外有客人来;(2)当不法分子闯进家里时,它通知主机,主机自动通过电话向你指定的BP机或电话报警。


第二部分为主机,它主要起着勾通主人和家里联系的作用,是防盗报警的枢纽部分,主机一般都安装在十分隐蔽的地方。该报警器由于采用了CMOS集成电路所以耗电极省、工作稳定可靠、体积很小,触发部分及主机均可采用积层电池供电,也可用家里的交流220V电源直接供电,其工作原理如下:
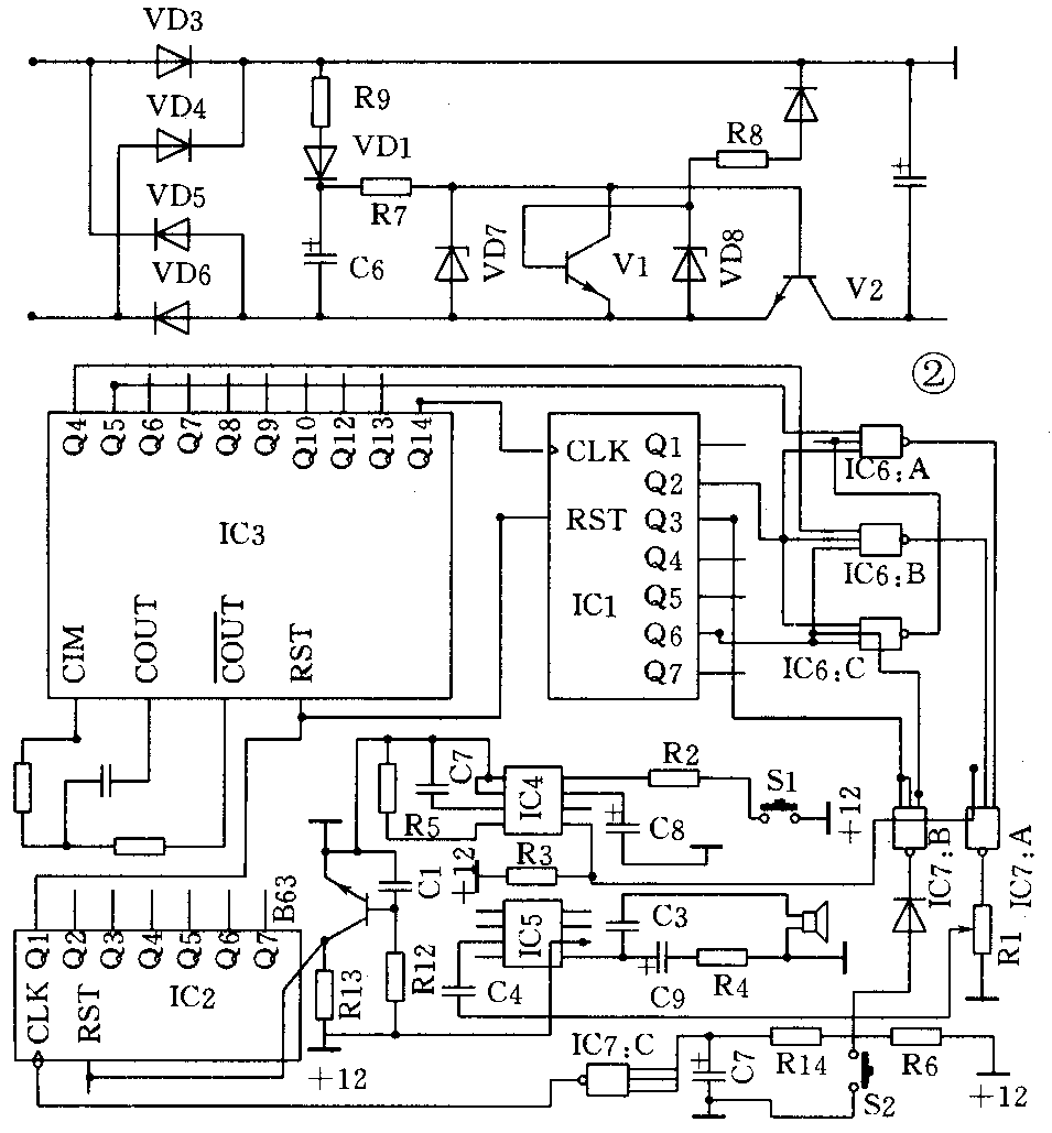
触发部分如图1所示,电源仅在已整流正弦波处于低压才导通,VD3、VD4、VD5、VD6组成桥式整流,R9和VD1使C6充电到约18V,此电压由V1来维持。同时此电压也加在V2的基极上使其导通,当已整流在输出电压超过VD9的齐纳电压时,V1导通使V2的基极短路到地而截止。VD9的齐纳电压确定了输出电压。IC4为振铃电路,IC5为功率放大电路。当S1闭合时振荡器开始工作,它发出两种频率的声音,频率是由集成电路的外围元件数值确定的。低频振荡器决定两种高频信号的转换速率,而高频振荡器则以这样的速率交替产生两种频率不同的信号,从而能使扬声器发出悦耳的振铃声,IC5最大输出为250mW。
报警触发电路主要由IC1、IC2、IC3、IC6、IC7、VT2和S2组成,IC3内部构成的RC振荡器与小规模门电路构成的RC振荡器电路是一样的,只要改变RC的阻值就可以得到不同的振荡频率,并通过IC3进行14级分频。通过IC1进行7级分频取出所需要的5000Hz和2500Hz还有接近的秒频率。IC2为下降沿触发,当S2闭合后再打开时,IC2的Q1为低电平,IC3开始工作。由IC6、IC7组成类似报时声的电路,开始每秒叫一声“嘟”共叫四下,最后一声为“啼”声(模仿电台报时声)。这种叫声有两种目的:第一它将2500Hz的音频信号传递给主机,使主机进入准备报警状态(主机报警延时时间为32秒);第二提醒主人进门后要及时解除警报。
主机部分如图(2)所示,电源部分同触发部分在此不重复叙述了。报警传感部分主要由VT5、VT6、VT7、VT8、VT9、VT10、VT11和IC1等组成,VT5~VT10构成70dB电压放大器,VT9为检波器,VT10为射极跟随器激励AGC晶体管VT5。3dB的带宽为100Hz~8kHz,总输出为200mV有效值。IC1为导频解码器,当IC1接收到2500Hz导频信号后,输出部分为低电平,由IC7反相后送到双稳电路IC9,由IC9通过IC8使IC10开始延时计数,延时时间为32秒,这个时间足可以使主人解除警报,如果在此时间里未解除警报,电路将通过IC13向主人指定的BP机或电话报警,IC14、IC15、IC16是主人设定报警接收的BP机或电话用的。IC13为专用的双音频拨号集成电路,晶振为5.8MHz,只要当IC1接收到2500Hz导频信号,主机便和触发部分没有任何关系了。当主人的BP机接收到家里打来的电话便可复机进行查询,只要拨通家里的电话如果家里被盗,你在听筒里听到的将是报警声。这一部分由IC2、IC11和IC12等组成。
解除警报部分主要由IC3、IC4及IC21、IC20:D、IC18:F等组成。当主人进门后听到类似电台的报时声后,要进行解除警报,解除的方法极为简单,只要拿起自己家里的电话机输入你自己设定的密码即可解除,如果键入密码错误可重新键入,但最多不可超过5次。如果键入数码超过5次,主机则认为无效。在32秒的延时时间里如不能将正确的密码键入警报器,警报器即开始报警。
该报警装置实用性很强,由于篇幅有限在此不能详叙。(马天生)