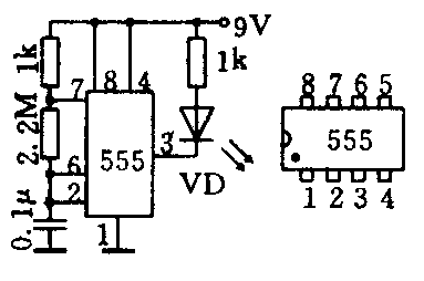
时基电路555用途很广,一般爱好者手头可能都有几件。利用附图这个电路可以判断555的好坏。附图中,555接成典型的多谐振荡器,振荡频率约3Hz。第3脚是输出端,如果555是好的话,则发光二极管VD会以3Hz的频率闪动,即一秒钟闪三次。若LED一直亮或一直不亮,则说明555是坏的。当然要首先保证这些外围元件都是好的,且接触良好。实际使用中可先焊一只8脚IC座,将555插上即可判断其好坏。电源可使用一节9V叠层电池。(李洪明)

时基电路555用途很广,一般爱好者手头可能都有几件。利用附图这个电路可以判断555的好坏。附图中,555接成典型的多谐振荡器,振荡频率约3Hz。第3脚是输出端,如果555是好的话,则发光二极管VD会以3Hz的频率闪动,即一秒钟闪三次。若LED一直亮或一直不亮,则说明555是坏的。当然要首先保证这些外围元件都是好的,且接触良好。实际使用中可先焊一只8脚IC座,将555插上即可判断其好坏。电源可使用一节9V叠层电池。(李洪明)
