声控开关电路简单、实用,只须用哨声或击掌声就可以使开关动作。通过声控开关的安装、调试能使学生加深了解自动控制的工作过程,又能极大地提高他们的兴趣。爱因斯坦曾说过:“兴趣是最好的老师”。下面介绍一个制作实例,并谈谈如何辅导学生装置声控开关。
电路原理
声控开关的整机电路见图1,由驻极体话筒B作声波传感器,当它接收到声音后,能转换而产生几毫伏的微弱电信号。这信号经C1加到VT1的基极和发射极之间,R1是电源向话筒供电的限流电阻,R2是VT1的偏流电阻,调节R2可控制声控电路的灵敏度。VT1将电信号放大后,由集电极输出。该信号经过C3、R9、C4、R10转换成一个尖脉冲信号,通过隔离二极管VD1、VD2触发由VT2、VT3组成的双稳态电路,使它翻转(假设VT3原状态为饱和),VT3截止输出高电平,使驱动晶体三极管VT4导通,继电器KR1吸合,接点Kr1-1闭合,被控的电器接通电源而开始工作。直至话筒B第二次收到外来声音,VT3重新变为饱和,VT4截止,继电器KR1释放,接点Kr1-1断开,被控的电器停止工作。以后每当话筒B收到一次信号,双稳态电路便翻转一次,继电器也就动作一次。 双稳态电路有两个输入触发端(两个晶体三极管的基极)和两个输出端(两个晶体三极管的集电极)。这两个输出端的极性始终是相反的,即一个为高电平,另一个必定为低电平。其工作原理如下:VT2、VT3为作开关用的晶体三极管,R5、R6为各自的负载电阻。R7、R8是两个晶体三极管极间耦合电阻。其电路都是对称的。当电源接通后,两管子的集电极电流Ic的增加程度不可能一样。假设IC2较IC3容易增加,则电路会发生如下的正反馈过程:Ic2↑→Uc2↓→Ub3↑→Ib3↓→Ic3↑→Uc3←→Ub2↑→Ib2↑→Ic2↑。结果使VT2迅速进入饱和状态,VT3处于截止状态。反之,则VT2截止、VT3饱和。如果以VT3的集电极作为双稳态电路的输出端,它只能输出两个状态即:高电平(“1”)和低电平(“0”)。实际上,当电源接通时,哪个管子截止,哪个管子饱和,出于偶然。但总是一个管子的饱和以另一个管子的截止为前提。电路稳定后状态不会改变,要改变状态,必须外加触发信号。双稳态电路具有双稳和触发翻转两个特性。由C3、C4,VD1、MD2,R9、R10组成了自控门触发电路。如果负脉冲触发信号输入前VT2饱和,VT3截止,此时VD1为正向偏置是导通的,VD2为反向偏置是截止的。触发信号能顺利地通过VD1加到VT2的基极(原来饱和的晶体三极管的基极上)使双稳态电路翻转。这种触发电路比较可靠。

电路的装配与调试
1.按图2制作一块印刷电路板,并涂上助焊剂。助焊剂是把松香溶解在酒精(浓度在90%以上)中制成的。

2.安装驱动、双稳态电路。即焊KR1、VT4、R11、VT2、VT3、R5~R10、VD1、VD2、C3、G4。焊接前应要求学生用万用电表仔细检查一下所有的元件是否完好,并用镊子在元件的引出脚上拉几下把引出脚拉拉直和拉去脚上的氧化层,现在的元件引出脚上都涂有一层物质不需要上锡。从3只CS9013中选两个β值相近的作VT2和VT3。VT4的β值应大于120。元件检查完后,要求学生把元件按照印板位置的间距弯好引出脚,然后把元件先插在印刷电路板上。电阻、二极管一律卧式安装,三极管、电容等只能直插的元件,引出脚留出8mm左右。对照图纸检查元件确实没有插错位置,焊上元件剪去多余的引出脚。一般不希望先剪短元件的引出脚再焊接,因为学生在安装时常会插错元件的位置,先剪短元件的引出脚发现位置插错,调整位置后常会发生元件的引出脚长度不够而不能用的事情。
这部分电路装好后,可接上电源进行调试。把万用电表拨至直流电岸10V档,测一下VT2、VT3、VT4的基极和集电极电压。如VT2的Ub2≈0V、Uc2≈5.5V;VT3的Ub3≈0.7V、Uc3≈0V;VT4的Ub4≈0V、Uc4≈6V。用镊子把VT3的基极对地短路一下,双稳压电路立即翻转,并能听到继电器的吸合声。这时Ub2≈0.7V、Uc2≈0V;Ub3≈0V、Uc3≈5V;Ub4≈0.7V、Uc4≈0V。如果测不到这样正常的电压值,可查一查各焊接点的焊接是否良好,有否假焊、搭锡。晶体三极管的管脚有否错接,晶体三极管的管脚学生比较容易接错。只要元件完好、安装正确这部分电路是不会发生问题的。最后再用镊子迅速地碰一下双稳态电路的触发端A,这时电路也应该翻转。如不会翻转可能是VD1、VD2的极性装反了。
3.装接收放大电路。焊上VT1、R1~R4、C1、C2后,再接通电源,调节R2使VT1的静态集电极电压为3.5V左右。用镊子碰一下VT1的基极应能听到继电器的动作声。接上话筒B,在话筒前用哨声或击掌应能使继电器动作。如果一次声响能使继电器吸放动作两次,可能是声源太近或者是继电器离话筒太近,继电器的吸合振动反馈至话筒又引起一次动作。可将继电器运离一些及用泡沫塑料包起来,以减小振动声。如果在话筒前击掌而听不到继电器的动作声,可能是话筒B的引出端接错或话筒损坏。驻极体话筒的外壳应接地。检查驻极体话筒可使用万用电表的电阻R×100档,按图3连接,对着话筒轻轻吹气,如能看到指针有较大的摆动,则这个话筒能正常使用。

本声控电路对短促的、突发性声响比较敏感,如哨子声、击掌声、敲击声等。对一般讲话声反应迟钝。声控距离为3至4米。
进一步的制作指导
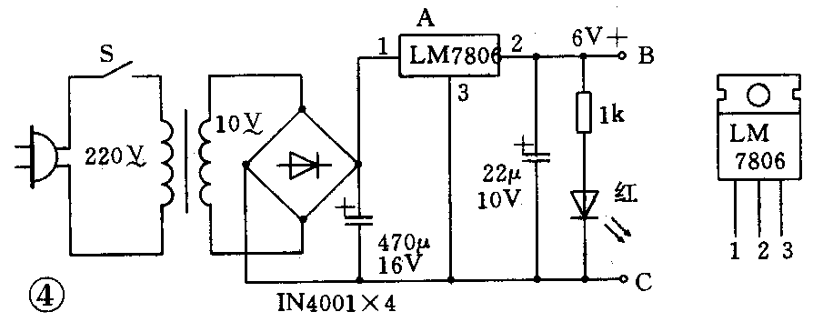
做好声控开关电路不等于制作就结束了,作为指导教师还应注意辅导学生在此基础上进一步完善其制作和进行其他尝试。如:1.有些学生希望用它来控制房间里的照明灯,那么可再加装一个稳压电源部分,见图4。2.有些学生希望用它来控制玩具小汽车的前进与倒退,可在继电器的转换接点上接小汽车的电动机,见图5。3.有些女学生希望用它来做一个会眨眼睛的声控小兔子。可把该电路装在小兔子的肚子里,拆去继电器KR1和晶体二极管VD3。用集成电路NE555装一个闪灯电路接在原继电器的位置。把两个红色的发光二极管作小兔子的眼睛,见图6。4.本声控电路比较简单,抗干扰性不太理想,只要是一个尖锐的声音它都会动作。针对这个问题可指导启发学生在接收电路上想想办法。一种可在声源上想办法,如用一个18kHz的声波发射橡胶气囊,拆掉R1、话筒B换上与它配套的接收器,同时R3换成18kHz的LC谐振回路,这时的接收电路将对接收到的信号进行选择,只有18kHz的声音才能放大、通过,这样声控开关的抗干扰性能将大大提高。另一种办法是在接收电路上想办法,如做一个只对3个有规律的击掌声才起作用的接收电路(见图7)等等。6.我们只要稍改一下接收电路就可以做成一个光控开关、磁控开关了。图8为光控接收电路,图9为磁控接收电路。这样做既能提高学生的兴趣,又能启迪学生的思维,激发他们的创造性。






制作机壳
做完电路后应该要求学生按自己的要求选一个现成的机壳(如玩具小汽车的外壳、长毛小白兔等)或制作一个机壳,这样既有利于动手能力的培养,又能让学生有想象美、创造美的实践机会。制作机壳的方法是买一些彩色的有机玻璃零料,先用适量的氯仿浸泡小块的有机玻璃配制成有机玻璃的粘接剂。然后将自己喜欢的有机玻璃一块块裁好,用粘接剂粘成一个外壳。我们要求机壳的外形整齐、美观。(周富发)