(周东进)个人计算机+单片机仿真器(或单板机)系统是当前开发单片机应用技术的主要方式。虽然这种方式在建立文件和应用程序库等方面有很大优势,但它的主要开发软件往往需要大的厂商提供,依赖性很大;整套设备体积大,需要固定场所,综合价格也高。此外,该方式很难进行实地和现场调试,影响开发效果。
DXW—512B计算机是一个不需要个人计算机支持就能进行程序汇编的单片计算机系统,它自带点阵液晶显示屏,能完成MCS—51系列单片机的汇编和反汇编,有一个8×16k的“电子硬盘”以及相应的文件功能,与其配套的EPROM编程板不仅能完成2764~27256的编程和拷贝,还能作为外部程序卡使用,因此,该机的多功能软件的开发能力很强。另外,该机还是单片机可编程模块技术不可缺少的工具。
一、电路特点
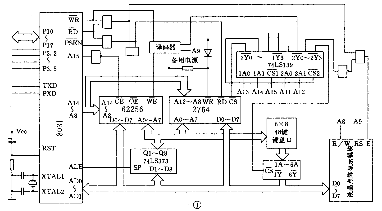
图1为DXW—512B伪电路原理图,电路由存储地址分配电路,液晶点阵显示器接口电路和键盘电路构成。

存储地址分配电路已有许多文章详细介绍过,本文不再赘述。DXW—512B的存储地址分配见表1。
表1
地址范围 名称
0000H~1FFFH 监控区
2800H~28FFH 键盘操作口
3000H~3300H 显示操作口
4000H~5FFFH 扩展区1
6000H~7FFFH 扩展区2
8000H~BFFFH 用户区
C000H~FFFFH “电子硬盘”区
DXW—512B计算机所采用的显示器为20(5×7点)字符×2行的液晶点阵显示模块。该模块自带显示驱动、扫描功能,可显示192个标准字符,字符显示码与ASCⅡ码对应,通过14根总线口与计算机电路相接,功耗10~12mW。
点阵显示模块总线的接口排列参见图2,其中V\(_{SS}\)(1)为地线,VDD(2)为+5V电源线,V\(_{EE}\)(3)为显示对比度调节线,该端电压应在0~0.7V之间,可接地;RS(4)为显示器内部寄存器选择线;R/W(5)为读写线;E(6)为选通有效线;DBO~DB7(7~14)为双向数据线。

显示模块的接口范围很宽,它既能接在计算机系统的I/O口上,也能直接接在系统的数据总线上由地址线直接导址。DXW—512B计算机采用的是后一种接法,见图1。机器对显示器的各种操作命令见表2,几种操作命令的入口地址如下:

控制命令:3000H;读忙信号:3200H;
数据读出:3300H;显示数据写入:3100H。
由于显示代码直接与ASCⅡ码一一对应,故计算机对显示器的显示操作比较方便,如要在显示屏光标处显示“A”字符,只需对3100H地址写入“41H”数据即可。显示器自带管理系统,无需计算机进行过多干预。
DXW—512B计算机自备三端稳压集成电路及通用直流电源同轴插座,只要配上一只9~13伏、700mA左右的直流电源(如任天堂电子游戏机电源)就能正常使用。
二、DXW—512B计算机的基本功能及操作
DXW—512B计算机能完成MCS—51系列单片机指令的直接汇编和反汇编,有完整的断点和单步运行功能,42键键盘按英文打字机键位排列,操作方便灵活。
开机上电后,机器显示:
“※※ZONG XIN AUTOMATO
IN STIUTE※DXW—512B※”
按任意键,机器进入菜单提示:
“A→A—51 B→M—51 C→C—CP D→M—98 O→Other※※※”
这时分别按A、B、C、D、O键,便能选择相应操作,其中:
A→A—51:表示机器进入对内存用户区的汇编和反汇编操作;
B→M—51:表示机器进入对DXM51K系列可编程模块(内容后节介绍)的汇编和反汇编操作;
C→C—CP:表示机器进入文件操作;
D→M—98:表示机器进入对DXM98K系列可编程模块(需配98汇编程序卡)的汇编和反汇编操作;
O→Other:其它功能,配专用程序卡或“硬盘”文件使用。
机器用于程序汇编及运行调试的主要命令有:
ORG—程序的汇编输入和反汇编;DB—数据字节的输入和检查;DW—数据字的输入和检查;GO—程序运行命令;EXM—寄存器检查,ESC—返回主菜单等。
编辑结束命令为END,若用户想保留所编程序只需在END命令后加CP再加上自己为程序命的名后按Enter键,程序便可以文件的形式存入机内的“电子硬盘”中。
文件的调出或删除操作如下,由主菜单按“C”键即进入文件状态。这时按“P”键为查阅文件名,显示屏显示“C;文件名”。当查到所需的文件名后,按“S”键,即可将该文件按原用户区(即存入时地址)恢复。若是删除该文件,则按“D”键,机器便会将该文件名命名的文件从“电子硬盘”中删除。
三、可编程模块技术介绍
DXW—513B计算机在单片机应用中有一个非常突出的优势,它有与之配套使用的单片机可编程模块。
可编程模块技术是针对单片机“仿真”开发中的种种不便而设计的一种新的开发方式。在仿真技术中,常常需要把应用板(或系统)的单片机(或CPU)取下;插上仿真头来进行程序的编制和调试。由于仿真头连线很多,加上一般仿真器体积较大,在应用系统机械结构比较复杂时使用极不方便,若应用系统要加外壳等装备时便无法进行仿真调试,更不用说在条件一般的现场环境中使用了。
单片机可编程模块的主要技术特征如下:
(1)可编程模块与它的编程工具(DXW型计算机或单板机)均为独立的单片机系统,二者之间仅仅是串行通信联系,连接简便(仅四根线);
(2)模块本身带有一般单板机的全部功能程序,除编程调试方便外,模块还可让其编程工具监测自己用户区程序的运行状况;
(3)采用复合存储器电路技术,即在一片(DXM64)存储器上分出监控(不可改写)区和用户(可改写)区,使模块不但电路简单,而且体积小巧。由于DXM64的用户区为在线可改写只读(ROM)存储区,不但能方便保留用户所编程序,而且投入实用时也无需程序固化过程,省时方便。此外DXM64存储器与EPROM2764脚位兼容,完成开发后需批量生产时能直接替换降低成本。
因为编程工具(如DXW—512B计算机)与可编程模块间只是通信关系,所以可编程模块的主芯片可以不受系列品种的限制。下面简单介绍一下三个有代表性的模块品种:
DX88K31:其外形是一个加厚了的8031单片机集成块,8K在线可改写ROM型用户区的P1、P3口供用户使用。有专门的编程器接口,即可像8051或8751那样单独使用,也可作为8031的仿真头使用;
DXM51K12:图2为DXM51K12的外形图,该模块34个并行I/O口,一个全双工串行I/O口;液晶点阵显示模块专用接口一个;48(6×8)键键盘接口一个;扩展总线引出。4K在线可改写ROM型用户区,另附8~32KRAM或EPROM存储器扩展插座一个;
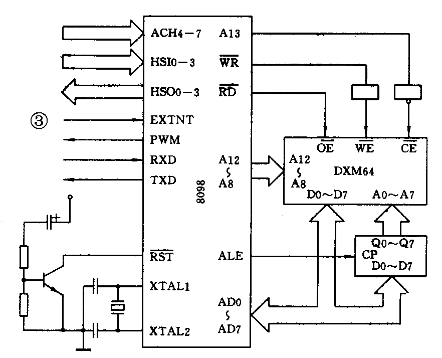
DXM98K01:图3为DXM98K01的原理图,该模块有四通道10位A/D转换器一组;PWM脉宽调制输出端(可作D/A转换)一个;全双工串行I/O口一个;高速输入、输出口各四个。4K在线可改写ROM型用户区。

图4是由DXM51K01模块为主板的ZDX可编程数字控制仪的主电路图,数控仪有5位数量、14个按键。4个隔离输入端和6个继电器(可直接驱动220A的交流接触器)输出端;8031的P1口、P3.2~P3.5口及两个总线扩展口均留给用户扩展时使用;8~32KRAM或EPROM存储器扩展插座一个。监控程序中有数字显示、键盘扫描分支、外部输入采样、继电器输出、计时、计数等多种子程序供用户调用。
