为了满足广大卡拉OK和音响爱好者的需要,本文介绍将普通CD改装为带卡拉OK CDG功能的方法。
图1为CDG解码板CDGD—CT1的原理框图。CDG解码部分采用超大规模集成电路,该IC内集成了子码接口电路,微处理器接口电路,纠错、检错处理电路、时钟发生器电路、指令电路VRAM控制电路、CLUT电路、RGB输出电路和彩色RGB编码电路,加上外接256kbit DRAM IC,整个电路只用2片IC,就可完成从子码接口及解码直到彩色复合电视信号合成的全部处理工作,解码板上设有射频调制器,以方便旧式彩电没有AV接口端子的用户使用。整块板的尺寸为118×74mm,稍懂无线电技术的人,都可自己动手改装,比彩电加遥控更容易得多,改装后对CD唱机无任何影响。图2为CDGD—CT1的主要元件及接口排列图。下面首先简要介绍CDG的子码接口。CDG的工作原理是利用CD信息码中的子码区域写入经过编码的图像及文字信息,而CDG解码板的作用是将这些信息读出并解码,通过电视信号编码电路输出复合机频信号到电视机。一般CD唱机的DSP数字信号处理IC输出子码信号,其中包括子码数据、子码时钟、帧同步信号、组同步信号。但也有个别DSP IC没有子码信号输出,这种情况下。用此板不能直接改装,需另外加一个数字信号接口电路,将DSP IC输出的串行数字信号分解出子码信号再与解码板接口。根据不同的标准,各种DSP IC子码输出的格式也有不同,为此在该解码板上设置了子码接口选择电路。图3为两种标准格式的子码时序图。目前绝大多数的DSP IC的子码输出格式采用EIAJ(1)标准,极少数采用EIAJ(2)标准如三洋公司的LC7860KA、LC7863KA、雅玛哈公司的YM3805等,此时将组同步信号端SBSY空脚接地即可。



下面介绍一下具体的改装方法:
下表给出了常见CD唱机DSP IC与CDGD—CT1的接口方法。由于该解码板耗电很小,所以其+5V电源引自CD唱机主板即可。打开CD唱机顶盖,首先找到DSP IC,根据表格找出子码接口端子,将CDGD—CT1的CN3排线按表格所注焊到相应的端子。有些CD主机板已将子码接口在电路板上预留出来,这种机子改装更加方便。没有单独引出子码接口的,要将CDGD—CT1的排线直接焊到DSP IC的管脚上。焊的时候要注意不要虚焊、连焊,最好用尖头烙铁焊接,焊好之后用万用表检查无误之后,用胶纸将焊点贴住,然后在CD主机板上找到+5V稳压IC,将CDGD板的电源线与之相连,再将CDGD—CT1板上的音频输入“AUDIO IN”与CD唱机的RCA输出插座左声道相连,将调制器输出用视频线接到电视机天线输入插座(视频线用电视游戏机或录像机的视频线即可),检查接线无误之后就可开启电源试机。装入CDG唱片开始放音,将电视机调至11频道附近,调整微调,此时应有图像和伴音出现。正常时画面应十分清晰,无网纹和雪花点,伴音清晰,无交流声和失真。如有网纹和雪花点,请微调电视机接收频率,需注意可能会在几个频率点出现图像,有些是谐波,要调到画面质量最好的位置,至此电路部分改装完成。将CDG解码板固定在CD机壳内,该板上已留有4个固定孔,以方便用户固定电路板用,再在后面板上钻孔,将RCA输出插座固定在上面(随CDGD—CT1板已附有RCA插座一个),此时整个改装工作全部完成。

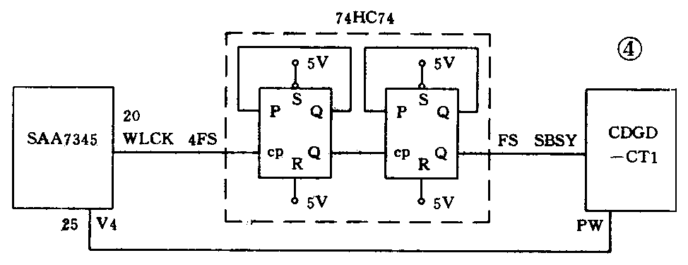
需说明的是解码板出厂时,已将彩色副载波频率调至4.4336MHz、伴音载频为6.5MHz,调制频率为208.25MHz,一般情况下,用户无须调整即可使用,但有些彩电频率有些差异,必要时可做如下调整。伴音不好调整T1中周,如无彩色,可在TC2或C13上并一个10p~20p的瓷片电容。如FSC频率偏低则将TC2或C13的电容减少10~20p即可。飞利浦的DSP ICTDA7345与CDGD—CT1接口比较特殊,要将其输出的WCLK子时钟进行4分频之后再与SBSY接口,具体接法如图4所示。

下面再简要介绍一下CDG的使用方法和注意事项:
CDG唱机使用操作同普通CD一样,可以利用CDG唱片的左声道是伴奏音乐,右声道是歌星示唱的特点,使用平衡(BALANCE)旋钮,实现独唱、学唱、伴唱、轮唱、合唱等功能。要注意CDG唱片的保护,否则图像会有破碎现象。有时偶尔有破碎图像出现,主要是误码造成的,一般在刷新图像时会自动消失,误码主要是由唱片划伤、唱机震动等造成的。
须注意播放CDG唱片时,不要使用“SEARCH”搜索键,否则,图像会重叠混乱。可使用“program”键,将CDG唱片目录上会唱的曲目按自选的顺序编辑在一起,这样可连续演唱下去,以免中途停顿选曲。有的歌曲想唱两遍,可按“REPEAT”键,到时一首歌唱完,会自动再播放一遍。
CDGD—CT1稍加变动也可适用于NTSC制彩电。今后还可开发以下功能的CDG产品,如通过外加微处理器可实现背景颜色设置、屏幕显示设置以及显示位置调节,另外CDG本身还可实现影像合成功能(Superimpose),即保留歌词显示而背景图像则由外部视频设备输入,如录像机、电视机、摄像机、计算机、游戏机、影碟机等。这样背景图像可成为动态的。用户可自己制作卡拉OK录像带。另外CDG的增强型CDEG可将图像颜色由CDG的16种改进为可显示256种颜色,使图像更加绚丽多彩,引人入胜。(田 卫)