笔者设计的这个装置,只要偷接电话线的人拿起电话听筒,报警装置就发出报警信号,但电话用户拿起话筒,报警器不会响。本报警器还能起到电话线断线报警、电话线短路报警作用,及时通知电话用户处理故障。本报警器的制作很容易,只要按照附图的线路连接起来,不需要调试就能使用。笔者建议邮电部门制造一批本报警器,电话机制造厂家也可以把本报警器设计在电话机内部,以增加电话机的功能。

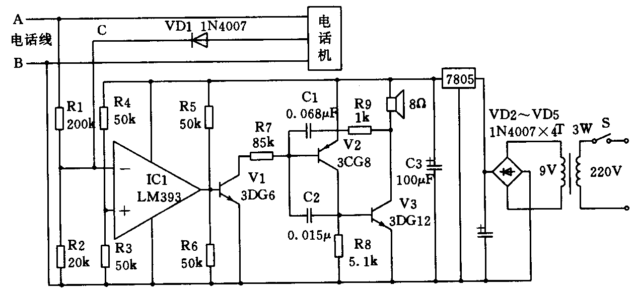
本报警器的电路原理如附图所示。当电话机没有被使用时,电话局通过电话线送出大约55V的电压,A正B负,通过电阻R1、R2分压,在比较器IC1的负输入端有个5V的电位,在IC1的正端有个2.5V的电位,所以,IC1输出一低电位,V1不能导通,扬声器不响。当偷接电话者把话筒拿起时,电话线两端的电压变为8V左右,这时,IC1的负端电位变为0.7V,IC1的+端电位没变,IC1输出一高电位,V1导通,V2、V3产生自激振荡,扬声器发出报警声音,电话用户可以拿起自己的话筒,听一下是否有偷接电话者,还是线路上的故障。开关S用于消除报警声响。电路图中的C线,是从话筒开关后面引出的,当话筒没有拿起时,C线电压为0,通过二极管VD1隔离0电压。当话筒拿起时,在C线上出现约6V的电压,通过二极管VD1加到IC1的负端,所以,这时报警器不会响。本报警器的特点是简单、实用、可靠性高、耗电量小,静态电流只有1毫安左右,经实际使用效果良好。(解红军 孙萍)