宾馆客房内有多种灯光,为了方便客人使用,这些灯光的控制都是在床头安放一只床头柜集中控制,然而这种控制方法需布置许多电线,使得施工及维修变得很复杂,而且造价也相对较高。要克服以上的缺点,最好采用无线电遥控的方法来控制各种灯及电视机的开关。不过采用无线电控制的最大的问题是要避免各客房之间的相互干扰。本文介绍的“灯光遥控器”能控制7盏灯及一台电视的开关。每个控制器的编码高达6.5万种码,因而整个宾馆的各盏灯都不可能出现重码的可能性。
该控制器除用于宾馆外,还可以用于家庭、工厂、公司的灯光控制。
当用于家庭时,其优点很明显,例如回家时,在楼下就可以将楼道灯光打开,在家门外又可以打开房内的灯光。
现有的楼道对讲、防盗系统安装时,最大的难题是布线问题,而采用无线遥控的方式就变得简单易行了。
总之,TSG2608型无线遥控器的应用是很广泛的,特点也是明显的:造价低、制作简单、安装容易、保密性强。
一、遥控编解码器原理
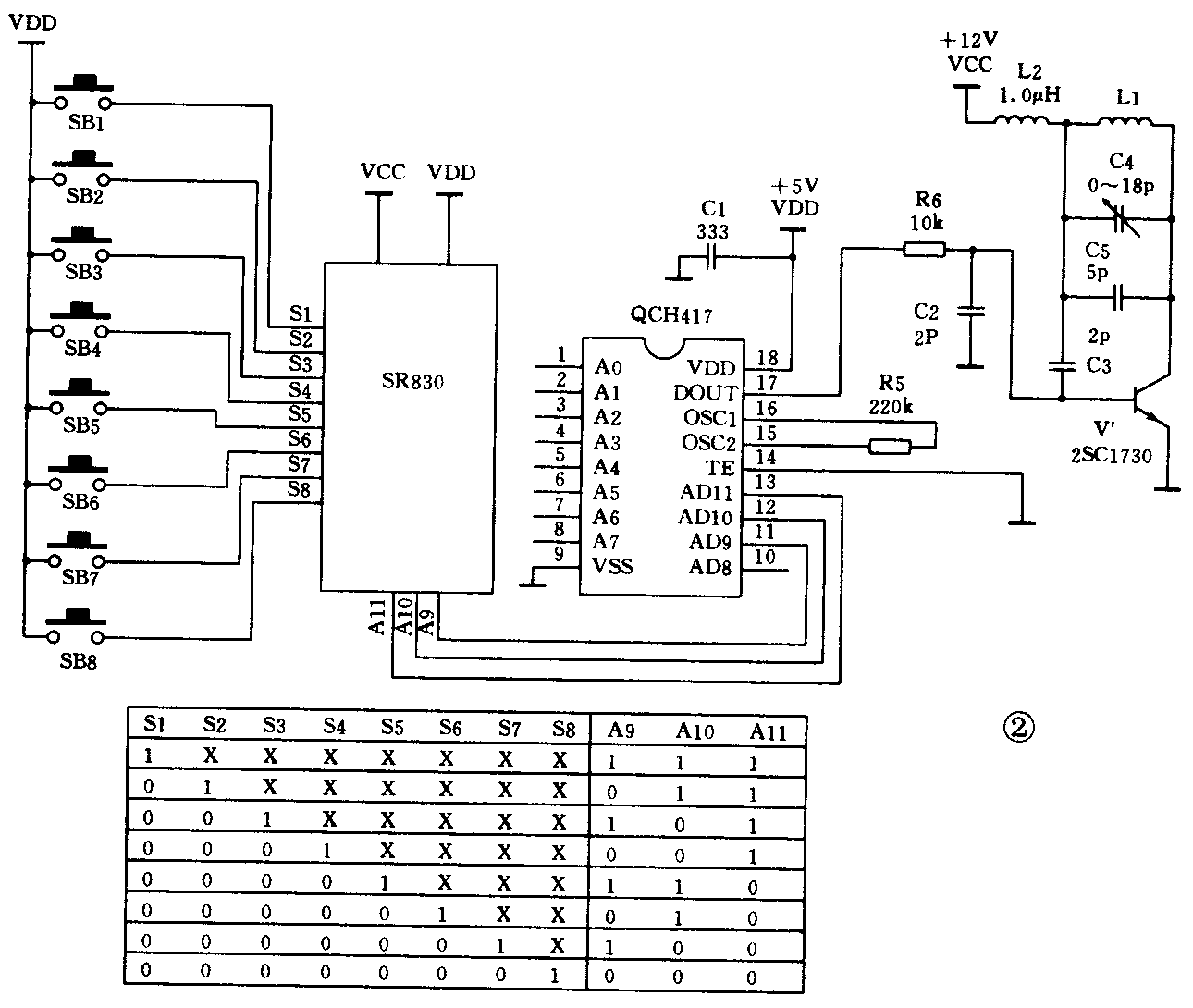
TSG2608遥控器的关键技术是使用了QCH417/418/419遥控编解码器。图1为基本应用图。

在图1中,QCH417是编码器,该编码器可进行4态编码。所谓4态编码是指编码位A1至A11都可以有4种接法:接地VSS、接高电平VDD、悬空、接A0。所以编码的数量应为“4”(即419万组)。
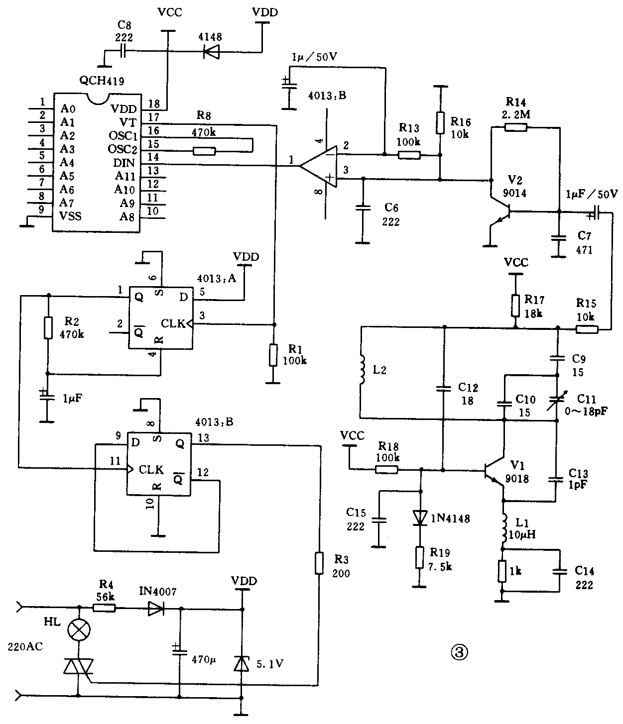
QCH419为解码器,也有419万组解码地址,当从DIN接收的编码信号与本地解码地址一致时,QCH419的VT会产生一个正脉冲表示解码正确,否则表示解码不成功。
QCH418也是解码器,不过只有A0至A7作为解码地址,A8~A11则作为数据。
从QCH417发射出来的编解码信息可以通过无线电波、红外线、超声波或直接导线耦合的方式传播出去。这几种方式各有优缺点:红外线的缺点是有方向性及距离短,超声波则造价高及距离短,而直接引线耦合是最不合适的。使用无线电遥控为最佳方式:无方向性、造价低、距离可长可短、制作容易等。
二、无线遥控发射器
图2是无线遥控发射器电路图:

图中由V1、C3、C4、L1、L2构成一个100MHz的高频振荡器,调节C4可以调节振荡频率。一般C4选用调节范围为3~18p的微调电容。
无线是制作在印刷线路板上的印刷天线。100MHz的无线电波就是由该天线发射出去的。
QCH417的编码信号从Dout输出,经过R6送到V1的基极调制无线电波发射。
SB1至SB8为遥控控制按键,按下其中任何一个按键,SR830三个输出端均会输出一组编码,同时使VDD变为12V,VCC变为5V,从而QCH417开始工作,将编码发射出去。由SR830产生的三位编码送到QCH417的A9至A11端,也作为编码信息,从而使每个按键的发射编码不一样,即每个按键只能控制一个控制对象。
右表为每个按键对应的编码。
三、遥控接收器
图3为遥控接收电路图:

由V1、 C9~15、 R15~20及接收天线L2构成高频接收电路,接收的中心频率通过C1来校验。
接收到的受调制的无线电波送到运算放大器进行放大整形,然后由解码器QCH419进行解码。若解码成功,则输出一个正脉冲,用于控制外部电路。
电灯的开关操作是由CD4013及双向可控硅控制的。4013:A构成按键防抖动电路,当发射器的按键有抖动现象时,在DOUT会输出多次脉冲,这种接法就可以消除抖动现象。
4012:B构成普通触发器,11脚CLK每出现一个正脉冲时,就翻转一次。它的Q输出端直接外接双向可控硅控制灯光的开与关操作。
图3的所有电路全部已装配在一个标准的86×86mm\(^{2}\)的电源插座之中,型号为TSG2801。用户直接装到墙上就可以通过遥控来控制该开关的导通与关断。
以下我们来介绍整个无线遥控接收器的操作方法。
四、使用方法
1.将一只无线遥控器及8只无线接收器的A0至A8的编码调节为一样编码。
2.按表1的地址,对8只无线电接收器的A9至A11进行编码(每个接收器编一个码)。

3.这时按SB1键就可以控制A9至A11为111的接收器;SB2键可以控制编码为011的接收器;以此类推,SBS键控制编码为000的接收器。
因此,每个遥控器可以控制8路灯光的开与关操作。
另外,利用QCH417/418可以制作无线遥控汽车防盗报警器;四路无线遥控器型号为:TSG2604。(杨跃华)