常见的电子密码锁均以十进键盘输入密码,也曾有采用单键以打键次数计数输入密码。然而输入9就要打键九次,不但操作单调费时,而且容易出错。本文以单键输入准摩尔斯码计数,使操作如同拍电报。每一个数字最多打键五次。加上多功能误码保护系统,使安全保密性能更加提高。密码由六位拨盘开关随意设定,断电不掉码,总编码量NT=10\(^{6}\)。
摩尔斯码为电报报文传送码,取其中0~9数字码再加简化,成为电子锁适用的准摩尔斯码。两码比较见表。

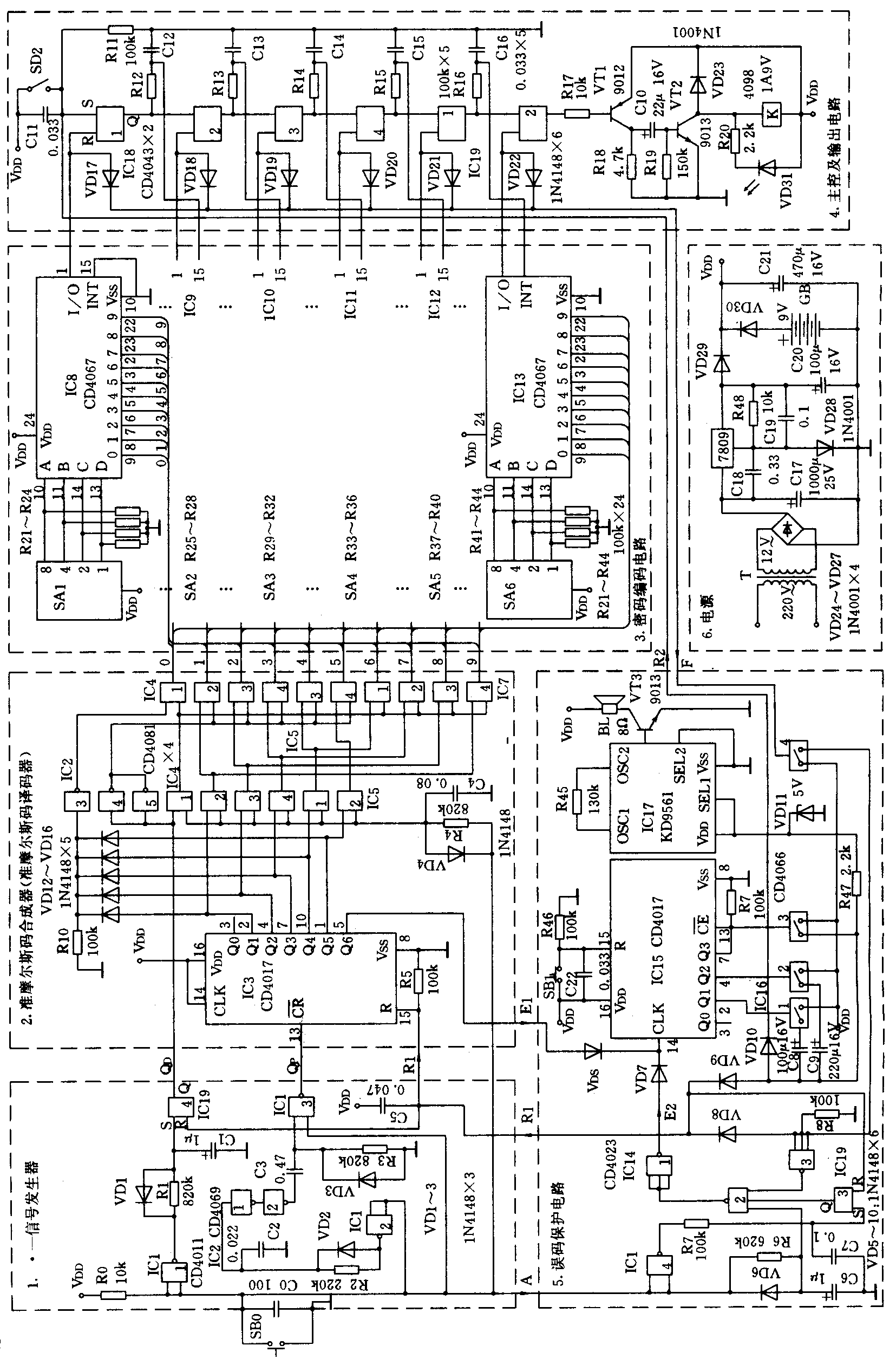
设“-”的时长为T,“·”的时长为t,取T=4~5,“-”与“·”及“·”与“·”间时距t'=t,相邻数码之间时距T'=3t。T与t由电路参数设定。操作时需手动控制。图1为电路图,下面简述工作原理。

一、“·,-”信号发生器电路 这实际上是一个宽脉冲与窄脉冲分别检出的电路,IC1-1,R1,C1,VD1及IC19-4检出宽脉冲,R1、C1为积分网络;IC1-2、C2、R2、VD2及IC2之1、2,C3,R3,VD3,IC1-3检出窄脉冲,R3、C3为微分网络。通电后,QD=“0”,QP=“1”。
1.按下SB0,IC1-1输出逻辑“1”,经R1向C1充电。当按键时间T在2.2 R1C1≥T>0.693R1C1之间时,C1充电到达高电平(0.9V\(_{DD}\)≥VC1>0.5V\(_{DD}\)),RS触发器IC19-4翻转,QD输出“-”信号逻辑“1”。释键后,C1经VD1快速放电至“0”。
2.按下SB0,IC1—2输出也为“1”,经VD2使C2快速充电至高电平,于是IC2-2输出“1”,经C3R3微分,使IC1-3的一个输入端得高电平。如按键时长t<0.4τ3(τ3=R3C3)时释放,C2经R2延迟放电,使VR3短时间仍为高电平,此时IC1-3之另一输入端已由“0”转为“1”,于是IC1-3输出“·”信号逻辑“0”。
CMOS电路的输入电平,逻辑“1”最小值为0.7V\(_{DD}\),逻辑“0”最大值为0.3VDD。输入Vin在0.7V\(_{DD}\)>Vin>0.3VDD之间为不确定区,可实测确定。
0,VC1由0.1上升至0.9V\(_{DD}\)的时间Tr≈2.2τ1(τ1=R1C1),由0上升至0.5VDD的时间Ta=0.693τ1。今取按SB0时间T=0.73R1C1=0.6秒,可得C1=1μF,R1=820kΩ。按SB0,VR3由V\(_{DD}\)下降到1/3起始值的时间为τ3=R3C3。若t<<τ3,VR3下降值很小,输出呈矩形窄脉冲。取t=0.4τ3=0.15秒,可得C3=0.47μf,R3=820kΩ。于是按SB0时长T≥0.6秒时,输出“-”信号“1”。因为T>τ3,VR3下降至接近“0”,所以无“·”输出。按SB0时长t≤0.15秒时,输出“·”信号“0”。此时t<0.693τ1,VC1<0.5VDD,所以无“-”输出(制作时需调整)。
二、准摩尔斯码合成器(准摩尔斯码译码器)电路 通电后C5使IC3清零,QO=“1”。当QP第一个“·”信号(下降脉冲)到达CE端,IC3计数,于是Q1=“1”。按SB0(t≤0.15秒,t'=0.15秒)n次(n≤5),IC3之Qn=“1”,表示为“n·”信号输出。n≥6为“误·信号”。
与门IC4之1—4及IC5之1-2与R4C4VD4构成“·,-”信号输出控制门。未按SB0时,V\(_{DD}\)经R4使C4充电至“l”,此时控制门敞开。按下SB0,C4经VD4快速放电至“0”,使控制门关闭。释放SB0,C4又开始充电。如充电时间Tc>0.693R4C4(设Tc=0.4秒),VC4到达高电平,控制门打开,使“·,-”信号通过。如释放SB0后在时距t'≤0.15秒以内又按下SB0,C4未到达高电平又立即快速放电,使控制门继续关闭。IC7之1~4为6~9数合成器。与门IC6之1-4,IC5之3-4及非门IC2之3-5,构成交叉控制门,使打“-”信号时无“·”输出,打“·”信号时无“-”输出,而打“·,-”信号时只有“·,-”组合信号输出。当QDQP输入准摩尔斯码信号时,输出相应为0~9十进制数字信号。
三、密码编码电路 IC8~IC13为10选1电子开关,图中以CD4067代用。SA1~6为KSA型十进制BCD码拨盘开关,各可拨至0~9数之一(可取重码),即为预置密码。IC8~IC13之0-9选位端均与译码器输出对应并联。IC8之INT端接地,其余各INT端经RC延迟网络与前级RS触发器输出Q连接,故只有前级之Q=“0”时,后级电子开关才解禁。
四、主控与输出电路 IC18与IC19为四RS触发器电路CD4043,其第5脚EN端接V\(_{DD}\)。把其中六个触发器接成六级串接触发式控制器。通电时由于C11的作用使各级之Q端依次为“l”。VT1,VT2截止。
当IC8收到正确码时,它的第1脚(I/O端)输出“1”,IC18-1之Q转为“0”,C12经R12放电至“0”,使IC9解禁。C12R12的作用是使次级电子开关解禁的时间迟于使IC19—4,IC19-3及IC3复位的时间,使相邻位取重码时不会产生误动作。以后各级工作情况相同。最后IC19-2之Q=“0”,VT1导通,使VT2在R19C10的时延内导通,K动作,带动电磁锁栓开锁。R19C10时延后VT2截止,锁栓复位。
五、误码保护电路 误码保护使随机试验捕捉密码开锁的成功概率P→0。电路中:输入A为预触发信号;E1为“误·信号”;F为正误码检别的反馈信号;R1、R2为复位信号输出。通电时A=“1”,E2,F,R1,R2皆为“0”,IC1-4输出为“0”,IC19—3之Q=“0”,C6经R6充电至V\(_{DD}\)。于是IC14-2之三个输入端为“1,0,1”,故E2=“0”
1.正误码检别功能。按SB0,IC19-3之Q=“1”;C6快速放电至“0”,于是IC14—2之三个输入为“0,1,1”,故E2=仍为“0”。释SB0,C6又开始充电。电路进入正误码待到别状态。如在C6来到高电平前,F=“1”,则IC14—2之三个输入端为“0→1,1,0”,故E2仍等于“0”,即判别为正码。如当VC6已到高电平而F输入仍为“0”,则IC14-2三个输入皆为“1”,于是E2=“1”,即判别为误码。
2.多级延时保护功能。首次E2=“1”时,通过VD7使IC15计数。于是Q1=“1”,C8输出一延时脉冲(宽度由C8,R5,R11确定),使IC19-3,IC19—4,IC3复位。在延时期内,输入输出皆被封锁。如发生“误·信号”,E1=“1”,同样使IC15计数。第二次误码时,IC5之Q2=“1”,由C9输出延时复位封锁脉冲(宽度由C9,R5,R11确定)。
3.封锁与报警的锁定功能。第三次误码,IC15之Q3=“1”,IC16—3导通,IC17开始工作,BL发警报声。同时经VD9,VD10使输入输出各级复位。IC15因Q3与CE端连接,停止计数,使现状态皆被锁定。只有按SB1使IC5复位,封锁才能解除。
六、电源部分 GB为9V干电池。断电时自动切换。图中SB2为装于门上的复位开关。门开或闭一次均使SB2闭合一次,使IC18之1-4及IC19之1-2复位。
为使“·,-”信号的时长准确稳定,R1,R2,R3,R4,R6及C1,C2,C3,C4,C6宜采用允差小于±5%、温度稳定性能较好的元件。(傅尔瀚)