飞利浦彩电(PHILIPS/CTV)如14CT6020、16CT6025、20C6050、20CT6250、20CT6550等,在出现“三无”故障时,机内常发出一种有节奏的“嘀-嘎-”声,类似“打嗝”。当“打嗝”频率较低时,还能看到随“打嗝”而闪动的亮、暗光栅。
“打嗝”是采用CTO-S系列机心之飞利浦彩电的通病。可见,该型机在原电路设计上,存在有不尽完美之处。欲想根除之,应首先弄清该机型“打嗝”现象的内在原因。
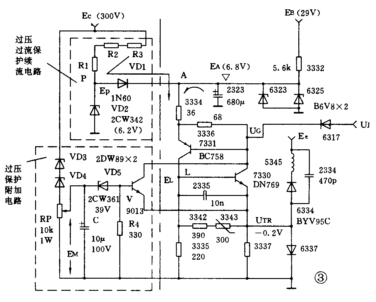
“打嗝”的根源来自开关电源(下称SW/PW)。该类机型的SW/PW为他激型正激励脉冲调宽类串联式开关电源,又称“集合一体化行电源开关电路”(参看图1)。从图1中各路电源的形成来看,大致可分为三类:

(1)主电源E\(_{C}\)(+300V)和EQ(+9V);市电由VD/6392、6393和VD/6395、6396作桥式整流,经C/2330(220μF)滤波形成+300V的E\(_{C}\)主电源。EC经R/3894(18kΩ)、3895(18kΩ)限流、降压,由VD/6896(BZX79C22)稳压,再经R/3896(2.4kΩ)、C/2895(470μF)二次降压、滤波产生+9V的开机电源E\(_{Q}\)并加入到IC/7875(TDA2577A)的脚,使SW/PW电路启动。
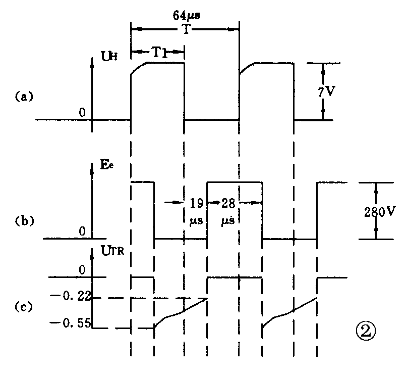
(2)一次电源E\(_{E}\)(+115V)和EB(+29V):电路启动之后,IC/7875脚输出频率为f\(_{H}\)(15625Hz)、幅值约为7V、占空系数D=T/T1≈119的行脉冲UH(见图2a)。U\(_{H}\)经C/2317(470pF)耦合、脉宽控制器V/7322处理、第一行激励级V/7353(BF422A)放大后,由脉冲变压器T/5351送入第二行激励级兼电源开关管V/7355(BUX84,此管在机上实装型号为2SC3169),其射极输出的宽度受控行脉冲Ee,经开关变压器T/5335初级(①/⑥)和C/2371(47μF)滤波形成EE(+115V),同时,Ee经T/5335进入次级,其中④/⑤绕组上的电压做行输出管V/7562(BU508A)的推动信号;⑦/⑧绕组上的电压经保险电阻R/3561(2.7Ω)和整流管VD/6360形成E\(_{B}\)(+29V),C/2360(680μF)为其滤波电解电容。EB经R/3332(5.6kΩ)限流,在稳压管VD/6323、6325(B6V8XZ)负极上产生+6.8V的基准电压E\(_{A}\)。

(3)二次电源:行输出管V/7562在T/5335④/⑤绕组的行频脉冲激励下工作在开关状态,经行输出变压器FBT/5564耦合到次级,并由相应整流管整流取得彩电所需的各种二次电源(见图1)。
在彩电正常工作时,由V/7330(DN769)和V/7331(BC758)构成的模拟可控硅保护电路处于截止状态。这是因为在V/7355导通的行正程中Ee≈Ec=300V,此时Ee经T/5335⑥→①向负载供电,续流二极管VD/6334(BYV95C)因反偏而截止,保护模拟硅电路的触发取样电阻R/3337两端电压U\(_{TR}\)=0V。此期间为T/5335初级的储能阶段。当电路进入逆程、V/7355截止时,Ee=0V(即T/5335⑥脚为0电平)。此时,T/5335初级储存的能量要进行泄放,其路径是;①脚→负载→地→R/3337→续流管VD/6334→L/5345→T/5335⑥脚。上述泄放电流在采样电阻R/3337两端产生一个上负下正的取样电压UTR。正常情况下,U\(_{TR}\)≈-0.2V,此电压不足以使模拟硅导通。当电路失常而出现过载时,|UTR|↑(U\(_{TR}\)和Ee的波形请参看图2c/b),一旦|UTR|上升到能使模拟硅导通时,它便一触即发,立刻变为全导通。此时V/7330集电极电压U\(_{G}\)从+6.8V(EA)下降到0.6V以下。于是,VD/6317随即导通,将IC/7875脚的行频信号U\(_{H}\)彻底短路对地,从而使上述的一、二次电源全部消失(只有主电源EC、E\(_{Q}\)依旧存在)。之后,保护电路的继续导通全靠大电容C/2323(680μF)上储存的能量维持。一旦C/2323放电到不足以使保护电路继续维持时,即自行关断。由于主电源不受保护电路和UH的“制约”而依然存在,所以保护电路关断后,E\(_{Q}\)(+9V)便会重新使IC/7875内的行振荡器启动,于是IC/7875脚又有行频信号UH产生→过载又发生→又保护→再“关断”失保→再启动……如此周而复始,产生了上述“打嗝”。
从前面的分析来看,产生“打嗝”现象的根源在电路保护之后,保护电路自身的供电电源也随之被“保护”(消失)了,而担负启动任务的主电源E\(_{Q}\)则是“永远”存在的。故而使SW/PW产生“打嗝”振荡。如设法将保护电路之电源也变成由“永不消失”的主电源供电,则“打嗝”现象便可有效消除。此外,该类机型还存在两个缺陷:一是保护电路设计得过于灵敏,致使强电干扰(如雷电、电火花等)、天气炎热、亮度开大等因素引起机内瞬间过载变化时,也常引起“打嗝”现象发生;二是无过压保护电路或是过压保护功能迟钝。其原因是该类机型采用的是上述“过流型”保护电路,当电压升高时(含电网波动因素),虽说电流也会随之增高,但这种“升高”远比负载变化来得要小。这便是造成行管经常损坏的主要原因。
根据SW/PW的上述缺陷,笔者对原机电路进行了一些改进,新增电路如图3(点划线之内)所示。平时,U\(_{TR}\)≈-0.2V,V/7330的Ube≈EL-U\(_{TR}\)≈-0.15V,所以V/7330、7331均截止。此时,UG≈E\(_{A}\)(6.8V),而UJmax≤2.8V,故而VD/6317反偏截止,U\(_{H}\)正常向功能电路输送行脉冲。图3中的P点EP被VD2稳压在6.2V上,所以VD1亦反偏截止。VD3、VD4为2DW89/120V,两只串联后的总稳压值为240V。此时,在电位器RP上端点的电压值约为E\(_{C}\)-120V×2=60V。 VD5为2CW361,其EZ≈39V,调RP使Ec≤E\(_{CM}\)(ECM为设定保护电压下限值)时VD5不导通。也就是说,在Ec<E\(_{CM}\)时(即SW/PW的正常工作条件),V(9013)基极电位为OV,因此V管截止,对保护电路V/7330、7331的正常工作不发生影响。

(1)过流保护过程:当SW/PW的负载“超重”或短路时,V/7355截止期内流过续流管VD/6334的电流大增,采样电阻R/3337上的负压|U\(_{TR}\)|↑≥0.8V。此时,V/7330的Ube≥0.6V。于是,模拟硅发生“连锁”反应而进入全导通状态,UG+↓↓=0V,VD/6317导通,将U\(_{J}\)(UH)行频信号短路到地,一、二次电源全部消失。模拟硅借助C/2323(680μF)上储存的能量维持导通。随着C/2323放电,E\(_{A}\)↓。当EA↓<6V时,VD1导通,主电源E\(_{C}\)经R3、R2、R1对模拟硅继续供电,使其导通保护状态得以维持。因为Ec“永不消失”,所以“保护状态”亦不消失。于是“打嗝”现象被消除。
(2)过压保持过程:设定过压保护下限值E\(_{CM}\)=320V。当Ec↑≥320V时,RP中点电位EM↑>39V,于是VD5发生齐纳击穿导通,V管由截止变为饱和,U\(_{G}\)↓↓使模拟硅被触发全导通,彩电得以有效保护。起初,C/2323上储存的能量对导通的模拟硅供电,随着C/2323放电,EA↓;一旦E\(_{A}\)↓≤6V时,模拟硅便改为由主电源Ec供电……(同过流保护过程)。
通过上述改进之后,一旦电路因过流或过压而被保护以后,便不会再“解除”。停机后反复开启电源(SK6-0N),若彩电仍能正常工作,则说明是瞬态过流、过压引起的保护;否则,是彩电发生了内在故障。
图3中的R1为RY14S-0.25W-3kΩ电阻,R2、R3选用RY17S-2W-12kΩ电阻,R4型号同R1;RP为WH5-1-X-1W-10kΩ碳膜电位器。原机的C/2335改为33nF,以降低瞬态冲击灵敏度。其它各元件均按图3标注的规格选用即可。(张义方)