LM4500A是美国国家半导体公司最新推出的一种改进型立体声解码器,它的音频失真极低。由于采用了新的解码技术减小了副载波谐波引起的邻近台干扰,并解决了由于导频频率谐波引起的难锁定问题。作为特点之一LM4500A带有混响电路,能在弱信号时,靠逐步融合左右声道信号来优化信噪比,外围电路简单,调试方便,可广泛用于高、中档FM接收系统作立体声解码之用。
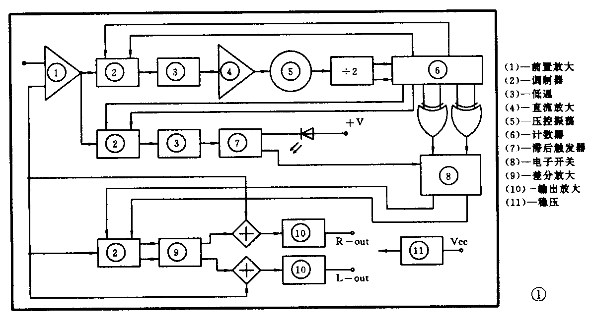
1.结构框图 图1为LM4500A框图,由三部分组成,锁相环(包括数字波形发生器)、立体声开关和检测器,检测器中含有复合立体声信号,在解码后分别送往左右声道。在锁相环中含有RC振荡器,振荡频率为228kHz,经过一个二进制除法器,送往一个三级的约翰逊计数器,产生一系列的19kHz方波,采用合适的与非门或者异或门,便得到用于驱动各种调制器的波形。

立体声开关部分同常规形式。检测器部分包括一个调制器,其输出分别为两个同相和反相通道。这些信号通过接有混响控制的输出放大器,在混响控制电路中,信号部分复合,并可通过控制11脚电平进行隔离度的手动控制。对于单声道或很弱的立体声信号,检测器部分的调制器将立体声开关切断,这时可变隔离度自动控制已不起作用。
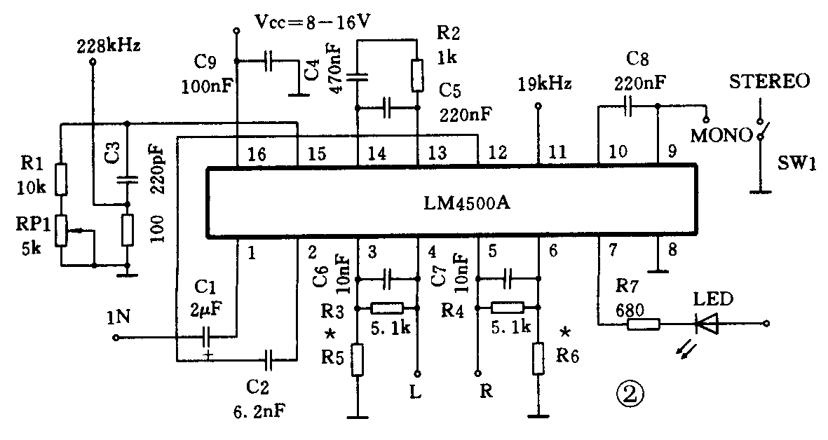
2.电性能与应用电路LM4500A的典型应用如图2所示。电压适用范围为8~16V,其中信号的增益和去加重是通过输出放大器附近的外接RC网络的并联反馈来完成的,(图2中的R3、R4、C5、C7)电阻R6、R7用于校正输出静态电压值,如不采用校正,该电压值将随电阻值增大(R3、R4)而降低,具体数值见表2。手动隔离度(混响)控制与19kHz输出共用11脚,当11脚开路,则有19kHz输出,供检测用。如外加0~2V电压,则分离度在最小与最大之间变化。此时检测信号可从R8与C3之间取出,频率应为228kHz。当输入信号较低时(如汽车收音机)。图2中数值变更如下。
R1=1.2kΩ R2=1.5kΩ
R8=330Ω P1=10kΩ
C1=150pF C2=
3. LM4500A的主要电性能参数如表1所示。调试简单,同其它锁相环解码IC,不再复述。(李维峰)


