近来,定电流型功放的优点为人们所逐步认识,往后对于喜欢动手的爱好者和厂家来说是选择何种实用电路了。在此本人将自己设计试制的又一款功放原封奉上,供大家试用。
目前我们所见到的功放都是在大功率管前端设置输出电压足够高的电压放大推动级,以满足功放输出电压摆幅的需求。这一级电路的性能在功放中起到了至关重要的作用。因此,人们投入了极大的精力进行改进设计,有的机型已做得相当复杂。在大功率功放中,这部分电路要承受很高的工作电压,电源空耗较大,故障率也相对较高,一些性能指标的升级也十分不易。针对这一现状我采取了一种绕行的办法。
通过分析,我们可以看出:无论哪种模式的功放,它最终发生作用的器件是末级大功率管,而大功率管输入端所需要的电压电流是有限的。因而从这一点入手便可事半功倍。本文推出的电路原理如图1b所示;图1a为传统功放,b为末摆型功放。二者之区别仅仅是负载上的接地点调换了位置。然而仅此一调却使功率管前端电路的工作状况发生了根本的变化。不难理解:图1b的前级仅向大功率器件提供最基本的偏置和信号,大功率器件输出端接悬浮的功率电源的负载。因这一模式使负载的电压摆动点(相对公共地)移动了最末端的功率电源上,所以笔者称其为末端摆动型功放。这一电路模式尤其适合做成定电流输出的功放。

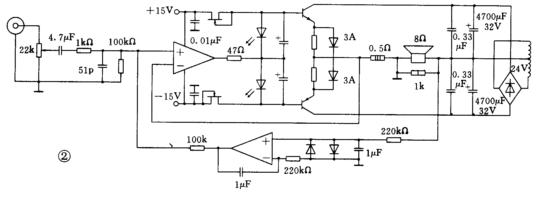
图2末级采用优质达林顿大功率晶体管无交越开关设计,具体制做请参看本刊1992年第8期25页。
图3末级为V-MOS大功率场效应管。因V-MOS管开关速度较快,且前端运放工作于全反馈(增益为1)状态,末级具有良好的跟随特性。因此,功率管前端减化为普通形式,欲做成无交越开关式的还须加几个元器件,但与此无明显差距,这里就不做推荐了。
这两款功放可根据需要选择功率管和功率电源,其它无特殊要求。
图3静态电流的调试:可先断开47Ω电阻,将两微调电阻阻值调小,中点接地。输出接一个假负载,接通前后级电源。测一只0.2Ω电阻上的电压达10mV左右。再测调另一侧电阻,这时可测假负载上的电压,注意加大电压表量程,使其接近零伏即可。然后停电,恢复原电路,接扬声器后再通电试听。
以下根据本人试验的感受,列出几条末摆型功放的特点,请大家品评。
1.由于前级电压低功耗小,前级电源容易实现高速低噪的理想化供电。
2.前级元器件易解决,可充分利用并发挥优质运算放大器的作用。使整机噪声进一步降低,前端反应速度更快(较之传统型功放,既便电压升降斜度相同,亦可认为前级速度提高了数倍,因二者要完成的信号幅度差距甚大)。
3.可方便的增减输出功率。仅需选用适当的功率管和功率电源即可,既使欲做数百瓦乃至上千瓦的功放,前端也无须做大的变动。
4.无论用何种功放管都能方便的做到无开关甲乙类放大。
5.使整机制做容易,成本降低。
6. 有利于缩小体积,做成模块。
最后须提一下,末摆式功放每通道输出均需使用独立的功率电源。(朱耐冬)

