目前松下公司生产的NV—HD82MC和NV-HD100MC卡拉OK录像机都具有歌声抑制(VOCAL-CUT)与歌声变换(VOICE CHANGE)功能,所谓歌声抑制与歌声变换,用通俗的语言讲就是“我唱你不唱,我不唱时你唱”。这里的“我”就是演唱者本身,这里的“你”则是磁带上歌手的歌声。当演唱者演唱卡拉OK歌曲时,需要将磁带上歌手的歌声消除掉称作歌声抑制;当演唱者唱卡拉OK歌曲中途停顿下来不唱时,这时需要磁带上歌手的歌声出来帮忙,称作歌声变换。
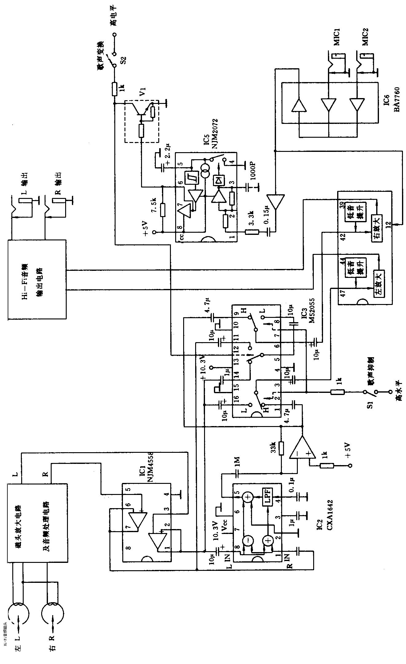
卡拉OK录像机的歌声抑制与歌声变换电路原理框图如图所示。

HD82与HD100均为Hi-Fi立体声6磁头录像机,磁鼓上有4个视频磁头(2个SP磁头,2个LP磁头),2个Hi-Fi立体声音频磁头。音频磁头的磁头缝隙宽度为0.8μm(微米),磁头厚度为26μm,方位角为±30°。它是利用频分复用及深层记录原理来完成视频信号与音频信号的重叠记录和重放的。即将经过调频的音频信号叠加到记录视频信号上去,由于调频音频信号波长长,记录在磁带的深层,视频信号波长短,记录在磁带的表层,又由于视频磁头与音频磁头的方位角不同,所以容易将其分别处理。
歌声抑制与歌声变换的前提条件是:1.录像机具有Hi-Fi立体声音频磁头及处理电路;2.卡拉OK磁带上录有Hi-Fi立体声音频信号。
在录制立体声卡拉OK磁带时,歌唱家的歌声和低音鼓等都在演播厅的中央,而背景音乐及其它乐器则分布在背后,当平衡录制时,歌声信号及低音信号定位在中央,背景音乐及其它乐器则充满整个空间,没有定位感。歌声抑制电路正是基于立体声音频信号的这一特点而设计的。
卡拉OK录像机的歌声抑制与歌声变换电路的构成为;旋转的Hi-Fi音频磁头,左声道磁头(L),右声道磁头(R);磁头放大电路及音频处理电路;缓冲放大器IC1;歌声抑制电路芯片IC2,IC2中又包含了一个由差分放大器组成的减法器,2个由混合放大器组成的加法器及低通滤波器LPF;三路的电子开关IC3;数字延时混响电路IC4;话筒音频检测电路IC5,IC5中包含了1个运算放大器,2个反相器,1个恒流源,一个电子开关及一个施密特触发器;话筒放大器IC6及Hi-Fi音频输出电路。
首先介绍卡拉OK录像机歌声抑制电路的工作原理及工作过程。
将开关S1闭合,置于歌声抑制状态,重放带有歌手演唱的卡拉OK磁带,Hi-Fi音频磁头从磁带上取出左(L)、右(R)声道的音频信号,经磁头放大器放大,Hi-Fi音频处理电路进行调频处理后,送入IC1缓冲放大器进行缓冲放大,分左右两路送入IC2的1脚与8脚进行加减运算。设左声道输入信号为VL,右声道输入信号为VR,输出信号为VO,则:
VO=(VL-VR)+(VL+VR)=2VL
式中VL—VR为音域中的中音与高音成分,低音成分则由于振幅相等,相位相同而互相抵消,其中包括歌手的歌声及低音提琴等声音,同时被抑制了。
VL与VR混合后为VL+VR,经过低通滤波器LPF滤除高频成分,恢复150Hz以下的低频成分后,再与减法器来的只有高频成分信号的VL—VR相混合,则输出信号VO中既包含了高频成分,又包含了低频成分,只是将歌手的歌声抑制掉了。
人可以发出的声音频率为87Hz~1175Hz,而歌声的能量频谱则集中在150Hz~1kHz之间,1kHz以上的能量则很少,因此将低通滤波器LPF的截止频率设定在150Hz是合理的。
经过歌声抑制后,IC2的5N输出为单声道信号即2VL,VR被消去,但对低音来讲,可以认为VL≈VR而不受影响。此单声道信号再经一级放大后经电子开关IC3进入数字混响电路IC4,经低音提升及左右放大(此时左右的信号是相同的)再与话筒来的演唱信号相混合,再送给Hi-Fi音频输出电路。此时输出的则是抑制了磁带歌声的伴奏音乐加上演唱者的歌声。
当使用歌声变换功能时,需将开关S2闭合,由于S2与S1联动,则S1打开,此时如果演唱者在唱歌,则IC5的1脚有输入信号,经一级放大及二极管电路驱动,使得内部电子开关闭合,施密特触发器置1,反相后6脚输出低电平,使晶体管V1截止,高电平置IC3电子开关于歌声抑制状态。当演唱者不唱时,IC5检测不到声音信号,则6脚输出为高电平,使得晶体管V1对地导通,IC3电子开关置于L端,磁带上的歌声及伴奏乐通过IC1及IC3直接送出,而不经过IC2的歌声抑制电路。产生的效果则是歌声又变出来了,称作歌声变换功能。
使用歌声变换功能同时使用同步录音功能对于学习外语亦会有很大的帮助。(张启明)