三洋A3机心主要采用日本三洋公司1991年开发成功的单片彩电小信号处理集成电路LA7680/LA7681和日本三菱公司生产的彩电遥控电路M34300N4。
一、三洋LA7680/LA7681的特点
三洋LA7680/LA7681集成电路适用于PAL/MTSC两种制式的彩色电视机,它能完成从高频头输出到R—Y、G-Y、B-Y信号输出的信号处理所有功能,具有图像中频电路、伴音中频电路、视频信号处理电路、色度信号处理电路和扫描电路。其特点是:
1.集成度高,外围元件少
三洋LA7680/LA7681采用了新的超大规模集成电路技术,使集成度得到提高,集成块采用小型封装,48个引出脚,外形为双排直插式塑封结构。
2.图像中频电路及伴音中频电路
①图像中频电路增益高,AGC速度快。
②可以实现图像、伴音同步静噪或伴音独立静噪。
3.视频处理电路
①视频信号处理电路具有二次微分勾边电路,可以根据不同的画面调节勾边程度。
②视频带宽较宽,可达7MHz。
③直流传输量可以改变。
4.色度信号处理电路
①能适应PAL/NTSC两种彩电制式。
②PAL/NTSC制式各有最佳的解调角和解调性能。
③具有良好的弱电场工作特性。
④具有NTSC制式色调电路。
5.扫描电路
①行、场扫描采用500kHz陶瓷谐振器振荡电路及数字分频技术,故行、场同步不需要调整。
②可以调节场同步分离灵敏度。
③能自动识别50Hz/60Hz场频,若与场输出电路LA7837/LA7838连接使用,能保持PAL/NTSC制工作时垂直画面尺寸恒定,并且能保持有、无信号时,垂直画面尺寸也恒定不变。
二、三洋LA7680/LA7681集成电路电路说明
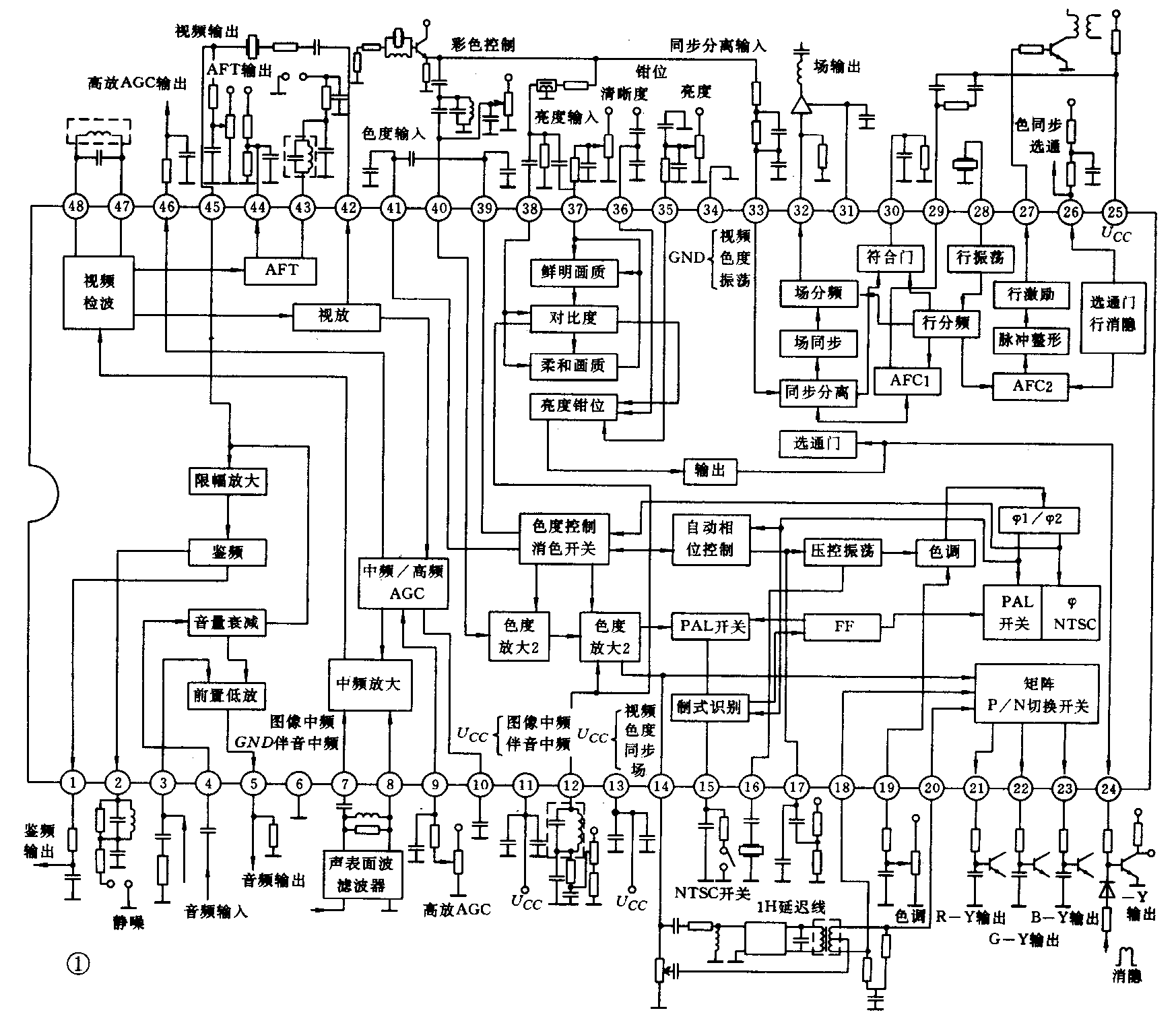
三洋LA7680/LA7681其应用电路图如图1所示,它与SECAM解码电路AN5635配合可以构成PAL/SECAM TV接收及视频NTSC接收的全部小信号处理功能。

1.图像中频、视频检波、AGC及AFT电路
高频头输出的中频信号经预中放电路放大后再经声表面波滤波器及中频变压器对称输入至LA7680/LA7681的中频输入端⑦、⑧脚。中频输入端的输入阻抗为1.8kΩ,输入电容为4pF,耦合电容应大于0.01μF。
图像中放总增益为60dB。AGC电路为峰值AGC检波电路,控制的范围为60dB。⑩脚为AGC电压滤波端,外接电容到地,AGC峰值检波器检波后的信号经⑩脚外接电容滤波后,形成AGC电压。此电容也是AGC时间常数电容,通过它可以改变AGC时间常数,容量为0.22~0.47μF,应使用低漏电流电容如钽电容。若通过外接开关电路使⑩脚电压在1V以下,可同时实现①脚伴音低频信号及视频信号输出的静噪。
LA7680/LA7681⑨脚外接滤波电容及RFAGC调整电路,由⑩脚电容滤波后的AGC电压,在⑨脚由滤波电容再次滤波,形成AGC电压,对图像中频放大电路的增益进行调整。通过调节⑨脚外接的RFAGC调整电路,可以改变⑨脚的直流电压,从而改变RFAGC的起检点。FRAGC电压由输出,送至高频头AGC端,以控制高频头的增益。
LA7680/LA7681视频检波电路为普通集成电路常用的同步检波电路,同步检波线圈接于端,此检波中频变压器Q值应为60左右。同步检波线圈两端并联阻尼电阻,可以改善2.07MHz差拍干扰,但阻尼电阻不宜太小,否则视频检波输出特性会变坏,一般以4.7kΩ为宜。视频检波后的视频信号经视频放大电路放大后由输出。输出的视频信号的幅度为2V(p-p),同步头顶部电压为2.3V;在无信号时直流电压为4.5V。
LA7680/LA7681的AFT电路为通常集成电路的模拟乘法器检波电路,外接90°移相线圈L1,如图2所示。当图像中频信号为中心频率时,由视频检波线圈送来的中频信号和在经过90°移相后的中频信号被乘法器进行相位检波产生AFT电压由输出,加至高频头AFT端。当外接移相线圈经R1电阻接地时,AFT断开不起作用,即AFT为OFF状态,输出不变的4.5V电压;当R1电阻断开时,AFT为ON状态。R1电阻值应选在20kΩ以下。若不使用AFT消除开关,则取消R1和C3。移相线圈所并联的电容的大小,对AFT曲线斜率有影响,C1越大,AFT曲线倾斜度越大,C1推荐值为68pF~100pF。移相线圈L1的Q值越大,AFT曲线倾斜度也越大。C2形成伴音中频陷波器,以防止AFT误动作。C1与C2比值选择5:1左右为佳。

可外接R1、R2,如图3所示,以改变AFT的灵敏度。外接C1载波滤波电容,此电容应在附近接地。R3和C2决定AFT环路的时间常数。

2.伴音中频、鉴频和ATT电路
从输出的第二伴音中频信号经伴音中频滤波器后(在有伴音中频转换电路的场合,先经伴音中频转换再经伴音中频滤波),通过电容耦合至伴音中频信号输入端。为不平衡型SIF输入端子,输入阻抗为3kΩ。还有一个作用是作为伴音音频衰减(ATT)电路直流控制电压的输入端。改变直流电压,可以控制集成电路内部电子音量衰减器的衰减量,达到音量控制的目的,其最大衰减量为70dB。与间的伴音中频带通滤波器,其带通特性的好坏对伴音噪声的抑制效果有较大影响。采用LCT型高通网络比LC网络要好,而LC网络又比单纯的一个电容好,如图4所示。

伴音中频信号从进入伴音中频放大电路,经限幅中放后送入鉴频电路。三洋LA7680/LA7681的鉴频电路为正交鉴频电路。②脚外接90°移相线圈或陶瓷鉴频器,如图5所示。在中心频率时,限幅中放输出的限幅伴音中频信号和经②脚移相器移相90°的中频信号,由乘法器进行相位检波,输出中心电压由①脚输出。②脚外接线圈或陶瓷鉴频器所并联的阻尼电阻的大小对带宽及输出电压的幅度有影响。阻尼电阻大则带宽宽,但输出幅度小;反之,则输出幅度大。②脚与AFT外接移相线圈端相似,也可以将该脚经1kΩ左右的电阻接地,使其电压在1V以下,从而实现伴音静噪。

由伴音鉴频电路输出的音频信号从①脚输出。①脚集成块内部为射随器输出端,输出阻抗很低。①脚外接去加重RC滤波器,R为5.6kΩ,C为0.01μF。①脚输出的音频信号经电容耦合从④脚进入ATT电路,④脚输入阻抗为30kΩ。由于内部为直流偏置,故从①脚至④脚需要用电容耦合。ATT电路的直流控制电压由输入。
由ATT电路控制后输出的音频信号经前置低放电路放大后从⑤脚输出。⑤脚输出的直流电压为4V。⑤脚输出的音频信号再送至外部的伴音功放电路,经功放电路放大后推动扬声器。
LA7680/LA7681的伴音TV/AV切换电路可以通过AV开关及②脚伴音静噪(通过外1kΩ电阻及开关接地)来实现,如图6所示。

3.视频信号处理电路
由LA7680/LA7681输出的视频全电视信号,经伴音中频陷波器和缓冲电路送至视频TV/AV切换电路,经TV/AV电路切换后输出的视频全电视信号分三路输出;第一路送至LA7680/LA7681同步分离电路输入端;第二路经亮度延迟线和色度陷波电路后输入至脚;第三路经包带通滤波器取出色度信号送往色度信号处理电路输入端。对于具有SECAM解码功能的电路,这视频全电视信号还要通过钟形滤波器取出SECAM色度信号送往SECAM解码集成电路。
由于LA7680/LA7681为PAL/NTSC双制式集成电路,再附加SECAM解码集成块就可以工作于PAL/NTSC/SECAN制式。为此,从至间的色度陷波电路必须要随输入信号(PAL、NTSC或SECAM)不同而有不同的降波频率。色度陷波电路频率的变化可以借助于LA7680/LA7681在PAL和NTSC制式时输出电平不同或借助于SECAM解码块的制式判别。
脚标准输入视频信号电平为0.5~0.8V(p-p)。输入至脚的视频信号一路输入至LA7680/LA7681内部的视频信号处理电路;另一路经RC微分后送至二次微分输入端,在IC内再经过一次微分后输出二次微分信号,与脚输入的视频信号相加,在IC内进行亮度控制、勾边调节、对比度控制和亮度钳位,最后经亮度输出电路从输出Y信号。
勾边电路勾边程度(二次微分信号的大小)的调节是依靠外接直流电压调节电路来完成的。中心电压为4V。
亮度控制电压由输入,亮度控制的中心电压为4.5V,此时输出的亮度信号直流电压约为3V。外接一电容、电阻串联电路接地;改变电阻的大小可以改变直流再生率。电阻越大,直流再生率也越大。
对比度控制电压由脚输入,脚也是色同步净化端(LA7681由于去除了G—Y输出,故在LA7681中为对比度控制端,LA7681脚为色同步净化端)改变脚直流电压可同时改变视频与彩色的对比度。
为亮度信号钳位滤波器。外接一个滤波电容接地,再外接一个滤波电容至Vcc(脚)。当亮度控制在中心位置时,电压为3.3V。考虑到电源通/断时的过渡响应,应将外接电容装在接地侧和电源侧,接地电容与接Vcc电容之比以2:1为宜。
4.色度信号处理电路
PAL/NTSC的色度信号处理是在LA7680/LA7681内部完成,而SECAM制式色度信号处理器是由集成块AN5635完成的。
LA7680/LA7681输出的视频全电视信号经TV/AV电路转换后输出的视频全电视信号,经色带通滤波器送出色度信号加至色度信号输入端,经IC内ACC色度放大和消色控制后分为二路。一路从输出,输出的色度信号经外接梳状滤波器进行U、V分离,分离出的U及±V信号再分别从LA7680/LA7681的输入。另一路信号再经色同步净化电路分离出色同步信号,送往制式识别及副载波形成电路。脚外接色同步净化LC谐振槽路。
由于PAL制式的色同步信号相位逐行倒相,而NTSC制式的色同步信号相位不变,将色同步信号经识别电路检波,再通过脚外接的识别滤波电容滤波,用以判断色同步脉冲的相位,从而来判别输入的色度信号是PAL。制式还是NTSC制式。脚外接滤波电容容量增大,抗杂波干扰能力增强,但识别时间增加,一般以0.047μF为宜。在NTSC制式时,不需要识别,所以外加电压使这个脚处于3V以下的电压,从而使IC内部的制式从PAL变为NTSC。一般在脚通过1kΩ电阻接地,强迫使制式变为NTSC制。
由IC内部压控振荡器产生副载波信号,并由APC电路使副载波信号与色同步信号同步。脚外接副载波振荡的晶体,PAL制式时为4.43MHz,NTSC-M为3.58MHz,NTSC—N为4.43MHz。在PAL/NTSC- M双制式时要采用开关电路来控制,使在NTSC—M时3.58MHz晶振工作,PAL或NTSC-N时4.43MHz晶振工作。
脚外接APC滤波元件。IC内部APC标准电位为6V(Vcc为9V时),这端子的直流电压大致为6V。改变脚外接分压电阻R1和R2的大小(如图7所示),可以改变APC的引入范围,R1和R2一起加大,则引入范围变大;反之,则变小。R1与R2的比值对抗脉动有影响,R1/R2=0.75时为最佳。

在NTSC制式时彩色信号传输中会产生相位偏移,对图像色调影响很大。因此电路中加有NTSC制色调控制电路。LA7680/LA7681外接色调调节电路,这在遥控彩电中一般由遥控电路控制。改变的直流电压,经IC内部色调电路控制,就可调整图像的色调。中心电压为1/2Vcc。在PAL制式情况下,由于IC内部色调电路停止工作,即使给加上色调控制电压也不能控制色调电路,电压与色调电路无关。
由输入的U及±V信号,分别进入B-Y和R-Y解调电路,由IC内副载波恢复电路形成的副载波也被送入B-Y和R-Y解调电路,经解调后产生B-Y和R-Y色差信号。这两信号再经G-Y矩阵电路输出G-Y色差信号。R-Y、G-Y和B-Y这三路色差信号经放大后分别从输出。这三个信号连同输出的-Y信号一起被送至视放板、经基色解调和放大后,分别送至彩色显像管的R、G、B三枪阴极。
5.扫描电路
(1)行扫描与同步电路
从TV/AV转换电路输出的视频全电视信号另一路送往同步分离输入端LA7680/LA7681。外并接电容C2至地,及率接Rc电路,如图8所示。电容C2是弱电场时的高频滤波器。R1和C2用来设定滤波器特性。R1为同步分离驱动电流设定电阻。应该定R1为:R1两端电位差达到同步信号的30%左右时,流入R1的电流为150μA左右为宜。

视频全电视信号由进入同步分离电路,由同步分离电路分离出行同步脉冲分二路输出:一路送往AFC1电路;另一路送往符合门电路。符合门电路外接RC滤波元件。为了得到良好的同步性能,LA7680/LA7681内设置了AFC-1和AFC-2二个AFC电路。AFC-1电路的作用是使行振荡输出的行频脉冲与行同步信号保持同频同相;AFC—2电路的作用是为了消除在亮度变化时行输出电路存储时间的变化而产生的相位变化,防止图像移位。
AFC电路的时间常数对AFC电路的性能有很大影响,时间常数小,同步输入速度快,但在弱信号情况下稳定性差,容易受噪声影响;时间常数大,弱信号的稳定性好,抗干扰能力强,但同步输入速度慢。考虑到以上因素,AFC电路的时间常数应该在不同的信号强度下有不同的AFC时间常数。当水平图像的相位保持正确时,的电压处于高电位(>1/2Vcc);反之,当水平图像的相位不能保持正确,则处于低电位(<1/2Vcc)。在电位下降至1/2Vcc电位以下时,被当作水平同步被破坏,此时,AFC1的控制电流被加大到2倍,使时间常数减小,加快同步。外接AFC-1RC滤波器,为改善电源波动的稳定性,滤波器设在电源侧。
LA7680/LA7681的行、场振荡电路均由一个500kHz振荡电路担任,将500kHz振荡信号经32信分频器分频得到行频脉冲,再继续分频得到场频脉冲。外接500kHz陶瓷谐振器。
经AFC-1电路作用后的行频脉冲再进入AFC-2电路,与由输入经选通门及行消隐电路后进入AFC-2电路的行逆程脉冲进行比较移相,然后进入脉冲整形电路和行激励电路,从输出行频脉冲,送往行推动电路,再由行推动电路输出推动行输出电路。
具有行逆程脉冲输入、色同步选通脉冲形成及VTR开关三种功能。色同步选通脉冲的形成是这样的:通过外接电阻输入的行逆程脉冲,在色同步形成脉冲期间,在IC内限幅至Vcc+2Vf,打通选通门,选出色同步脉冲。当画面相位关系未保持正常时,色同步形成脉冲不输出。
(2)场扫描电路
由同步分离电路输出的复合同步信号另一路被送往场同步分离电路,分离出场同步信号。场同步信号再进入场分频电路,控制场分频电路分频得到的场频脉冲的相位,使场频脉冲与场同步信号同步。场频脉冲由输出,送往场输出集成电路LA7680/TA7681。由于场锯齿波形成、场激励、场反馈、场功放等电路都在LA7837/LA7838集成块内,故LA7680/LA7681只有场频输出端与LA7837/LA7838相连,给场扫描电路的检修带来了方便。
为50Hz/60Hz场频识别输出端。在集成块内部自动识别场同步信号周期,判断场频是50Hz还是60Hz,并将识别结果送到。为了避免噪声造成的误动作,外接0.01~0.47μF左右的电容接地。在场频为60Hz时为高电平;场频为50Hz时为低电平。若固定使用50Hz时,直接接地,固定使用60Hz时,接电源电压Vcc。
LA7680/LA7681电源端与接地端分布是这样的:脚为图像中频,伴音中频电源Vcc输入端(9V),⑥脚为图像中频、伴音中频接地端。脚为视频、色度、同步和场扫描电路Vcc电源端(9V),为行扫描电路电源端,为视频、色度、行、场扫描及同步电路接地端。(蔡国清)