红外线报警器目前已有很多种,其作用距离仅在十几米,而且功耗较大。本文为利用光学原理制作的一套低功耗、远距离、遮光式语音报警器,感兴趣的读者不妨一试。

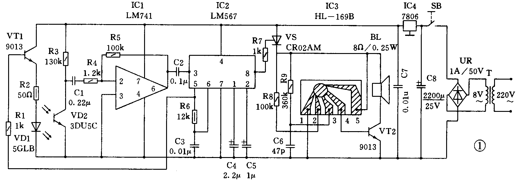
工作原理:报警器的电路原理如图1所示。将IC2第5脚产生的幅值约4V的标准矩形脉冲,通过R1引至三极管VT1的基极,经VT1功率放大后加在红外发光二极管VD1两端,驱动它向前发出散射的调制光,再经前方一片凸透镜变成一束近似于平行光的光束。其光学原理见图2。正常时,该光束由接收凸透镜聚焦在光电管VD2上,由VD2转换为相应的交变电压信号,经C1、R4耦合至运放IC1进行放大后,再经C2输入到IC2第3脚,由IC2进行识别译码后,其第8脚输出低电平。此时,VS不导通,IC3不得电,BL不发声。当盗贼经过警戒光束时,从VD1发射出的红外光束被遮挡,VD2失去了光信号,则IC2第8脚输出高电平,触发VS导通,IC3得电,BL立即发出“抓贼呀”的连续报警声。由于电路采用直流电源供电,则盗贼遮挡红外光束的时间即使很短,VS瞬时触发导通后即维持导通,直到按一下复位按钮SB后,BL才停止发声。

元器件选择与制作:IC1选用LM741或UA741及其同等型号,IC2选用LM567,IC3选用HL—169B,IC4选用6V三端集成稳压块;VT1、VT2选用9013;VD1、VD2分别选用5GLB和3DU5C;VS选用CR02AM;UR采用1A、50V的全桥,亦可用四只IN4001型硅二极管构成桥式整流电路代替。T用市售成品电源变压器或自行制作,要求长时间运行不发热。电阻除R2、R6选用1/2W金属膜电阻以外,其余选用1/4W碳膜电阻器即可。C3宜选用涤纶电容器,以保证工作频率的稳定。对其它元器件无特殊要求。
由于本报警装置的远距离控制主要是利用光学透镜的聚焦原理实现的,所以需要两片凸透镜,并车制两个镜筒。车制镜筒的材料可用塑料管或铝管材,镜筒的长度要大于焦距。然后将VD1、VD2分别安装在对应筒中透镜的焦点上,并用502胶加固。对于透镜的选择:一般发射透镜要选用质量好一点的,最好是用光学复合透镜。本文用的光学复合透镜:直径36mm,焦距125mm。而接收透镜在质量上要求不严,直径最好要大些。在此用的直径是50mm,焦距110mm。
制作过程中,线路板可根据需要制作成不同的尺寸。将选择好的元器件焊接无误后,即可进行调试。首先焊开R7一端,即切断VS控制极的触发信号,使扬声器BL不发声。调整R2,可改变VD1的发射电流,即改变VD1的红外发光强度;然后,调整两镜头的相对位置,使其在同一水平轴线上,以确保VD2接收的光信号最强;调R5可改变运放IC1的放大倍数;它们均可改变电路工作时的灵敏度。然后恢复R7与线路板的连接,这时用手或其它物体在接收镜头前挡一下,BL应连续发声。调整R6、C3参数,可改变红外线发射频率。调整R9、C6参数,可改变BL发声频率。
本装置发射头电流为15mA时,在室内或室外背光区(非阳光直射区)两镜头的距离可达到90m,这时守机电流为18mA,报警时电流50mA。如发射头电流为22mA,两镜头距离可达140m。但在实际使用中应小于最大的可靠距离。并且接收头应避开阳光的直接照射。本电路按图示参数选用元件时,如焊接无误,除调整发射镜头和接收镜头的相对位置外,其它无需调试。(王加仿)