调宽型逆变推动模块UPK—2434,是一种体积小、耗电低、具有过流(过压)保护、软启动和自动稳压功能的50Hz逆变推动专用电路,其外形见图1,内部原理见图2。


特点
该模块采用调整输出脉冲宽度的工作方式,可以调节输出电压的大小,且输出电压一旦设定后就能稳定在这个数值上,有效地弥补了普通方波逆变不稳压的缺陷。
模块的另一特点是:振荡频率准确、稳定,精度达50Hz±1%;输出脉冲宽度对称,占空比变化一致;过流或过压保护及软启动功能可根据需要而自行设定,其中软启动功能用以防止开机瞬间大电流对机器的冲击,提高电源的可靠性。
工作原理
UPK—2434共有6条引出脚。第2、4脚为推挽激励输出端,轮流输出50Hz频率固定而脉宽被调制的矩形波,每端输出电流最大为100mA,输出脉冲的最大宽度占半周期的90%,而另10%为死区,这在推挽输出时,有效防止因共同导通而损坏功率管。
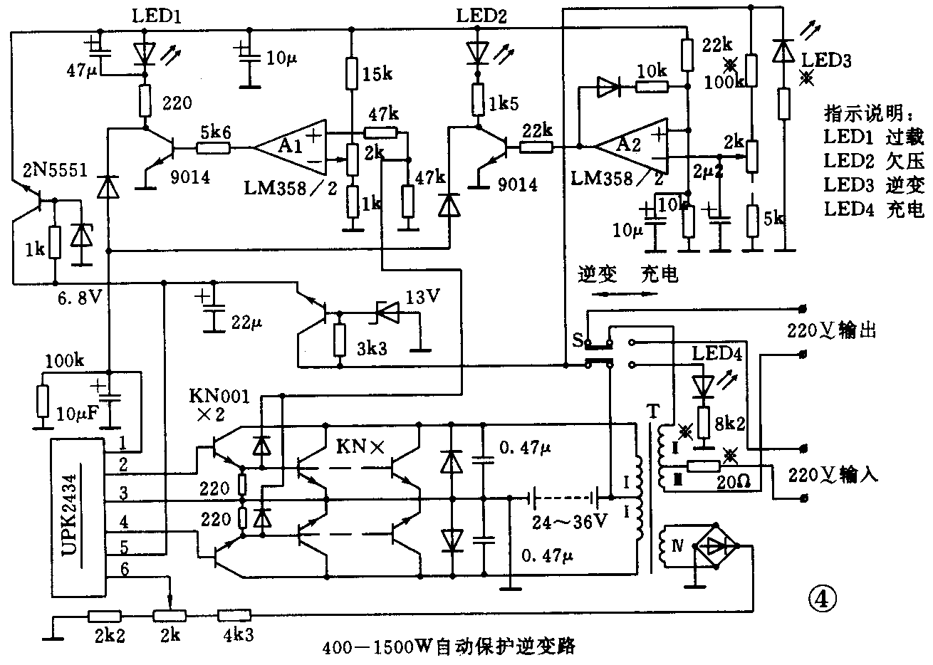
第6脚为直流反馈误差放大输入端,反馈电压约2.5V。通常反馈电压是认可调电阻上取得(见图3、4应用电路),调节反馈电压的大小,就能改变输出矩形波的脉冲宽度,亦即改变了逆变器的输出电压。如果反馈电压一旦设定,输出电压也就稳定在某一数值。其稳压过程是当负载减轻将使输出电压升高时,反馈电压亦上升,经模块内脉宽调整后使输出矩形波宽度变窄,从而使输出电压下降。当负载加重时,将使输出电压下跌,反馈电压亦下降,模块输出脉冲变宽,逆变输出电压上升,因而使输出电压始终稳定在设定值(如220V),达到自动稳压的目的。


此模块第1脚为过流(过压)控制闸门输入端,也是软启动设定端。逆变器工作时,该脚为高电平,如果用外部开关或控制电路使该端接地,模块内部关断,2、4脚无脉冲输出,逆变器停止工作。因此,在某些需要设置保护功能的逆变器中,只要在电源输出回路增加电流(电压)检测电路去控制1脚电位,就能方便地制成具有过流(过压)保护的逆变器。'
软启动的设定也在第1脚完成。在此脚对地接一电容及100kΩ电阻,即可实施软启动功能。其容量大小根据所需软启动时间确定,一般取0.1~47μF时,软启动时间约在3毫秒至2秒之间。
第3脚为公共地端,第5脚为电源V+输入端,UPK2434内部设定的工作电压为+12V,可以直接与12V~14V电瓶配用。如果采用24V以上电瓶供电,只要增加一个+12V稳压电路即可(见图4)。
用UPK—2434制作性能优良的逆变器时,还须配用大电流开关晶体管和逆变变压器。其性能和质量直接影响逆变器工作效率、稳定性及可靠性。由于模块采取调党方式工作,晶体管必须具有足够大的电流动态范围。大功率逆变器采用多只晶体管组合应用时,还应注意在大电流下的β值配组。
用UPK—2434模块配以专用功率开关晶体管很容易使逆变器输出功率由200W做到1500W甚至更大。图3、4是两种利用UPK—2434构成的调宽稳压型逆变器电路,供读者参考。
中山市达华电子厂供36V,1500W调宽逆变稳压、市电自动调压、恒流充电、欠压停机多功能逆变器,每台1400元,只办铁路到站,每台运费30元,本厂长期供40W~1500W逆变配件,组件,欢迎索取目录。邮码528415。(达研室)

