可控硅移相控制专用模块电路品种不少,但大多价格偏高,且业余购买比较困难,这就限制了电子爱好者的某些业余创作。为此,笔者设计并试制了一块适合业余自制的性能价格比较高的可控硅移相触发电路模块。它可广泛应用于家用电器的手动或自动调压装置中以实施手动或自动调光调速等。现简介如下:
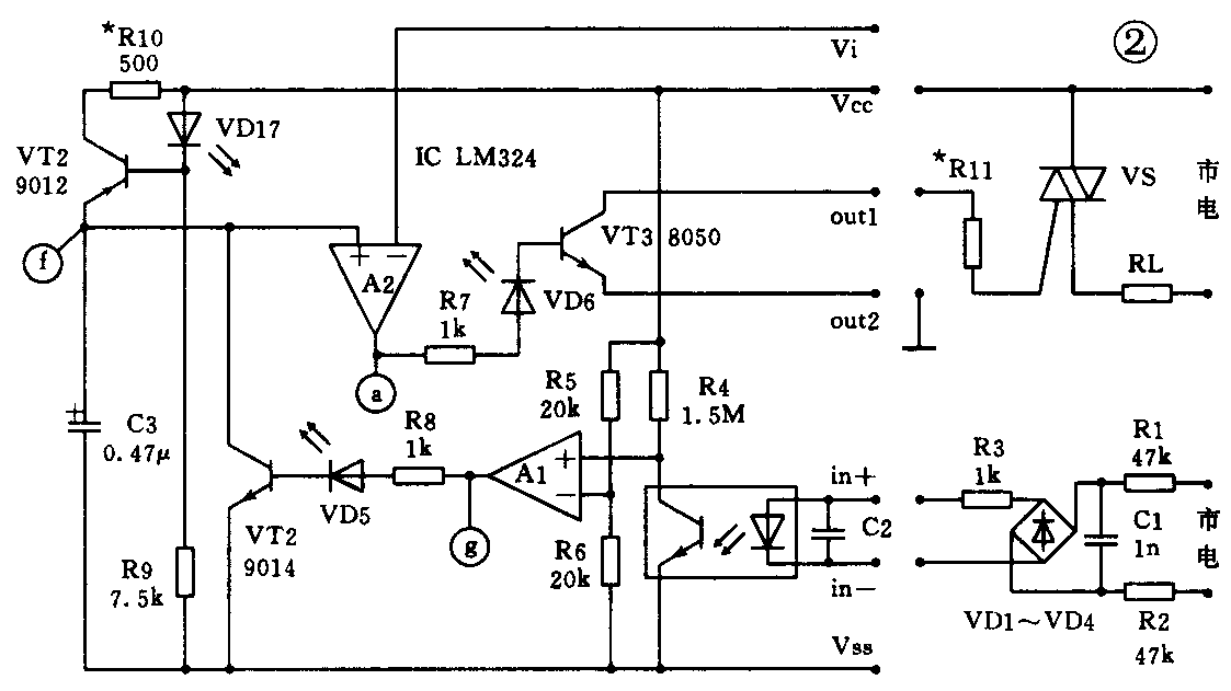
原理概述:本移相触发电路模块(以下简称电路块)由锯齿波形成电路,同步脉冲产生电路,电子开关及触发脉冲电路等组成,其功能框图见图1。图2为模块电原理图及各接口接线示意图。在图2中,由R10、VT1、VD7、R9组成的简易恒流源对电容C3但流充电,使C3端电压成线性缓缓上升,调R10可调此锯齿波电压的上升斜率。而锯齿波频率则因同步脉冲的参与而与市电倍频同步。A2接成电压比较器的形式,它的反相输入端接控制电压Vi,其同相输入端接在锯齿波电压输出端上。这样,随着对C3的充电,Uf缓缓上升,当Uf>Ui时,A2输出高电平,VT3饱合导通,分别在out1、out2端输出极性相反的触发脉冲。由于outl、out2分别为VT3的集电极和发射极开路输出,故具体应用时,只能根据执行元件(可控硅)对电路脉冲极性的要求取其中之一,当取out1时,out2应接VSS或接一低电平脉冲串。当取out2为输出时,out1应接VCC或一高电平脉冲串。开路输出的优点在于接口灵活,并可方便地引入调制脉冲以便于电路块的具体应用。


由于采用了恒流充电技术和引入同步脉冲参与锯齿波的形成,这样,使得既简化了电路,又保证了锯齿波电压良好的线性和较陡的后沿。
由于市电波形的不纯对同步脉冲的获取势必产生干扰,为此,本电路利用光电耦合器的抗电压波形瞬间畸变性能配合RC吸收回路以适当展宽同步脉冲宽度的方法,较好地解决了电路块的抗干扰问题。
另外,由于触发脉冲受同步脉冲控制,而同步脉冲又是取出的市电过零脉冲,故本电路较好地解决了可控硅处于深控状态下的易失控(因触发脉冲过宽而越过过零区所致可控硅误触发和因触发脉冲过窄所致的不能触发)现象。从图3各关键点波形图中我们不难看出触发脉冲宽度与可控硅导通角α的关系,即触发脉冲自动跟踪导通角。图3中2θ为同步脉冲宽度。

图3中(a)、(b)、(c)、(d)分别是f、g、a点对地及RL两端的电压波形图。
元器件选用:A1、A2选用一块单电源四运放如LM324N等;VD0用TLP104红外发射二极管或Ф3mm高亮度红色发光二极管。将此二管分别焊出引线后头对头插进一段长约8mm Ф3mm左右的塑料套管中并用黑胶布包缠即得到一只高效高灵敏光电耦合器。自制光电耦合器既可降低成本,亦可有较大的挑选余地,从而便于同步输入电路的设计。当然,选用成品光电耦合器亦是很方便的,只要适当调整R4、R1、R2的值即可。VT1、VT2及VT3的β值皆应大于100。其它元件图中已有标注。
装调:由于电路块与市电直接相联,应注意安全!按图1电路模块及示意接回线路选配元器件并焊装无误,用一只47kΩ电位器从VCC与VSS间取出Vi,RL用60W白炽灯,VS用1A 400V双向可控硅,Rll取2kΩ,在VCC与VCC间接上6~24V直流电源,调RP观察RL亮度变化情况,正常时应有规律的变化且无明显交烁感。如出现交烁感,则大都因RP质量太差或开路引起。如出现常暗或常亮,则大都因同步电路有故障,可焊开in+、in-输入,此时g点应为高电平,当在in+与in- 之间输入0.4mA直流电流时,g点应为低电平,否则应调R4。R10的取值也影响RL调压范围。其它部分不用调试。
关于LM324N的剩余两个单运放的处理问题。如用于开环控制,可将四个输入端接地,如用于闭环控制系统(如自动调光电路)则可灵活运用,如用作门限电压比较等。这也是笔者优选四运放而不用双运放之故。(王学文)