本系统原是为一小型企业职工二十四小时饮用开水而设计的。通过数显温度设置电路可方便地预置最高温度一百度,保温温度八十度。整个控制系统将根据以上设置自动完成:控制上水及缺水保护,温度检测及主、辅加热器之间的切换以及加热介质(水)温度的实时显示。本系统采用了集成电路三位半数显DNL9308,高精度温度传感器LM35DZ,性能优良的双向可控硅控制器CA3059,以及应用光电耦合器作为市电隔离控制,因此应用本系统组成的全自动电热水器具有应用范围广,自动化程度高,安全性能可靠,对电源无二次污染,电路简单无需调试的诸多优点。读者根据电原理图,配上不同的传感器,不难实现压力等多方面的自动控制。
工作原理
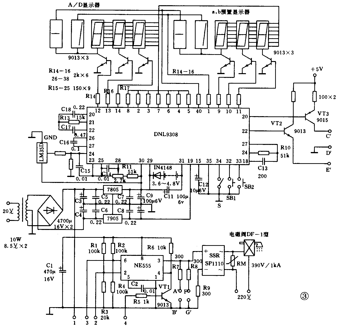
全自动电热水器结构如图1所示。电原理图见图3和图4,主要由自动上水控制、温度预置控制和电热器控制三部分组成。当电路接通电源时,水位传感器检测出无水信号输出高电平,电磁阀通电放水,同时水位传感器输出的控制信号通过光电耦合传导禁止主、辅加热器通电工作。与此同时A/D显示器立即显示出环境温度。当我们需要水的最高温度为100℃,保温温度为80℃时,按SB1(快设键)或SB2(慢设键),使预置显示器显示A值98℃;按下S选择开关,再按SB1或SB2使预置显示器显示出B值80℃。如这时自动上水水位到达最高水位3\(^{#}\)或4#,由水位传感器输出低电平,解除对可控硅的禁止触发信号,双向可控硅导通,主、辅加热器同时得电工作。随着主、辅加热器加热时间的延长,水温逐渐上升,当水温t升到大于或等于80℃时主加热器RL2电源被切断,输加热器RL1则继续工作,到水温大于98℃时,辅加热器电源也被切断。慢慢地水温开始下降,一旦降到温度小于98℃时,辅加热器又开始工作。这样周而复始的循环,水温始终被保护在90℃~100℃之间。



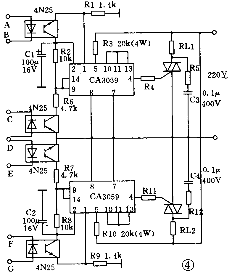
一、主、辅加热器的控制电路
主、辅加热器的控制电路以两片双向可控硅控制器集成电路CA3059为核心设计。电路见图4。CA3059双向可控硅控制器是由美国RCA公司生产的,国内也有性能完全一样能直接代用的产品,型号是TWH9205。TWH9205本刊在1992年第9期第37页上有专门介绍文章,读者可去翻阅。CA3059⑨脚外接一个光电耦合器,整个电路功能就是一个高可靠性过零型继电器。平时⑨脚通过10kΩ电阻接在高电平上,④脚输出低电平,可控硅截止。当光电耦合器导通时,⑨脚电平由高变低(小于⑩脚电位),④脚输出高电平,双向可控硅导通,加热器RL得电工作。光电耦合器C、D、E端分别受控于由温度比较电路DNL9308输出控制的C’、D’、E’端。当C’端输出高电平时,辅加热器RL1得电工作,当E’端输出高电平时主加热器LR2得电工作。CA3059的①脚是禁止触发端,如在①脚加上1.4V以上的电压,双向可控硅被关断。当水位传感器2#电极感知到低水位信号时,电磁间接通电源开始放水,与此同时,水位控制电路A’、F’同时输出高电平加到光电耦合器A、F端,光电耦合器导通,两块CA3059①脚被同时加上1.4V电压,主、输加热器RL1、RL2被切断电源,停止加热,做到了加热器在缺水或低水位时的自动保护,保障了电加热管的安全。
二、温度显示、预置、控制电路
电原理图见图3。DNL9308构成温度显示、预置、控制系统。DNL9308内部结构可参阅图2。其中模数转器是将检测到的模拟信号转换成数字信号,一方面通过A/D译码、驱动、显示电路在LED数码管上显示出来,另一方面将这时的数值(设为C)通过比较器a与b分别与预置值(分别设为A与B)进行比较(要求A>B),可出现C=A或C<A、C>A、C≤B四个状态,当条件符合时就输出高电平。

DNL9308采用塑料双列直插40线硬塑封装。其中外接高精度温度传感器LM35DZ。LM35DZ在4~30V的工作电压下无需校准就可以输出与摄氏温度成正比(+10mV/℃)的电压。外接3.6~4.8V电池组,当电源断电时,芯片内的开关电路就自动切断除a、b比较器以外全部电路的工作电流,以极小的维持电流(小于100μA)长期保存A、B值。为A/D值与比较器b比较输出端,符合C≤B时输出高电平,三极管VT2导通,控制端E’输出高电平;脚为A/D值与比较器a比较输出端,符合C>A时输出高电平,PNP型三极管由导通变截止,控制端C’输出低电平。假如我们设置A值为温度98℃,B值为温度80℃,温度传感器LM35DZ检测到的温度为C,当C<80℃时控制端E’,C’输出高电平,主加热器RL2、辅加热器RL1工作。当C≥80℃时,控制端E’输出低电平,主加热器RL2停止工作,输加热器RL1继续工作。到C>98℃时控制端C’输出低电平,辅加热RL1也被切断电源。
DNL9308的A/D转换量程可在199.9mV与1.999V两档之间选择,选用不同的量程只须改变相关元件的数值及调整Vref的电压,满量程199.9mV时Vef=0.1V,R13=51kΩ、C17=0.47μF;满量程199.9V时Vref=1V,R13=470kΩ,C17=0.047μF。
自动上水及水位控制由时基电路NE555和电磁阀等组成。时基电路555组成双稳态电路,②脚为双稳电路置位端,翻转电平小于1/3VCC,⑥脚为双稳电路复位端,翻转电平大于2/3VCC。
低水位时,2\(^{#}\)电极脱离水面,1#、2\(^{#}\)电极间呈高阻状态,时基电路555的②脚电位由高变低,当低于1/3EC时,555被置位,③脚输出高电平SP1110导通,电磁阀通电放水,与此同时A’,F’也输出高电平,通过光电耦合器将1.4V电压加到CA3059的关断控制①脚上,RL1、RL2在上水时自动切断电源,防止电热水器干烧。
随着水位的上升,2\(^{#}\)电极触水,电压从1#电极通过导电水体加到555的②脚,555的②脚电位由低变高,但由于555内部双稳态电路的自锁,电路并不翻转。③脚继续输出高电平,电磁阀仍通电放水。到水位上升至3\(^{#}\)电极触水时,电压从1#电极通过导电水体加到555的双稳电路的复位端⑥脚,使555的⑥脚电位由低变高(高于\(\frac{2}{3}\)EC),555被复位,③脚输出低电平,电磁阀失电,停止上水,与此同时A’,F’也输出低电平,RL1、RL2得电烧水。用水过程中水位逐渐下降使3\(^{#}\)电极脱离水面,由于电路的自锁功能,电路并不翻转,③脚输出仍为低电平,直至2#电极脱离水面时,②脚电压下降至1;3Vcc时555才再次翻转,③脚又输出高电平,电磁阀放水,重复上述过程,即实现了该系统的自动上水控制及缺水保护。
4\(^{#}\)电极作备用电极。假使由于某种原因,555双稳态电路失控,水位持续上升到4#电极时,电压从1\(^{#}\)电极通过水体加到4#电极上,VT1导通,555④脚被接地,555复位,③脚输出低电平,紧急停止上水。
注意事项
1.电热管一定要选用绝缘强度高的正规合格产品,主加热器的功率应大于辅加热器的功率,但也可主、辅加热器的功率相等。电热水器的金属外壳一定要有一根可靠的专用接地线并妥善接地。
2.电极可选用不锈钢焊条做成。
3.温度传感器的制作:用一个0.01μ的铝壳电容器加热抽掉里面芯子,再用环氧胶把LM35DZ封装铝外壳里同时焊出引线,即做成一个温度传感探头。
4.进水管道的出口应装上一个弯头,防止自来水水压高时,自来水喷到水位传感电极上,使电极间短路,选成系统误控。(张平 陈蕴)