本文介绍的遥控开关电路,其特点在于使用单按键的发射器,不采用遥控专用编码、译码集成块,却能分别遥控多路电器的开与关。单按键发射器制作容易,体积小巧,操作中不需识别按键,即使在黑夜中使用也十分方便。
使用时,只要按动几次发射器按键,就能使得接收器上对应的第几路开关发生动作,从而达到遥控该路上电器开关的目的。
电路工作原理
图1是超声波发射器电原理图。用NE555时基电路接成自激多谐振荡器,直接推动超声波发射换能器UT,向空中发射40kHz的超声波。

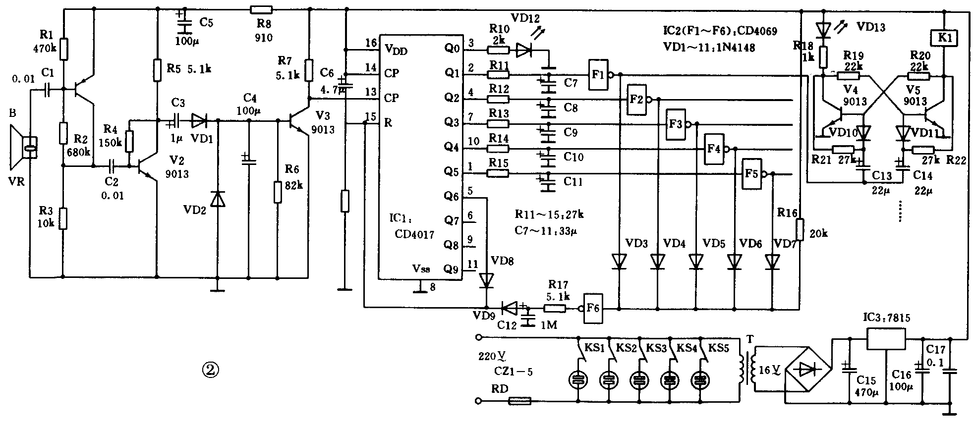
接收器由前置电路、多路选择控制电路、双稳触发电路和电源电路组成,见图2。

前置电路中,超声波接收换能器将40kHz超声波转换成同频率的电信号,经V1、V2两级放大,再通过C3、VD1和VD2整流后给C4充电,最后由V3整形变换后,成为单个脉冲信号输出到后级。
多路选择控制电路由型号为CD4017的IC1、型号为CD4069的IC2、电阻R11~R15和电容C7~C11为主的元件组成。这里是本电路的关键部位,所以作较详细的说明。平时,CD4017处于复位状态,其输出端仅Q0为高电平,这时发光二极管VD12发光指示。当发射器工作时,前置电路将接收到的每一组连续波变换成一个负脉冲波,送入到十进制计数/分频器CD4017的负输入端脚,使CD4017计数。下面,以第三种为例,说明其控制原理。当按动三次发射器按键后,则CD4017的输出端Q1依次短时出现一个高电平,到Q3为恒高电平。在Q1和Q2出现高电平时,由于有Rll、C7和R12、C8延时电路的存在,所以不能马上使反相器F1和F2发生翻转,也就不能触发后面的双稳触发器。只要按动发射器按键的时间间隔小于延时时间t(t=0.69RC),第一路和第二路就会保持原样。第三路则经t时间延时后,F3发生翻转,其翻转后输出的负脉冲触发第三个双稳触发器,使之也发生翻转,从而改变了第三路的开关状态。同时F3翻转后输出的低电平,通过VD5使反相器F6也发生翻转,F6的输出变成高电平,去触发CD4017的复位端R,使之恢复到复位状态。接在F6输出端的短延时电路R17、C12,是为保证先触发双稳触发器后清零而设置的。IC1复位后Q3恢复低电平,C9上的电荷可通过R13泄放掉,所以在R13上没并接放电二极管以使电中简单。当然在控制要求高的场合,则应在各延时电阻上反向并接二极管,以迅速放电。致此,该次操作结束。电路中,R9C6是为保证开机瞬间使IC1锁零而设置的;VD3~VD9作隔离用。CD4017的Q1~Q9输出端可以做九路遥控开关电路,本电路用Q1~Q5做成五路遥控开关电路,当按键的次数超过5次后,Q6端输出的高电平会立即使IC1复位。
双稳态触发电路采用分立元件组成,在每输入一个负脉冲时,其状态就会翻转一次。为了使电路简洁,在它的两个输出端分别接继电器K(K1~K5)与用于指示的发光管。为了与发光指示相配合,本电路用作开关的触点是继电器的常闭触点KS1~KS5。
元件及调试
超声波发射、接收换能器的型号为UCM—40T/R。采用超声波遥控的优点是发、收电路十分简单,因为超声波换能器本身的谐振频率为40kHz,具有选频作用,而且灵敏度很高、作发射时负载很轻,耗电量很小。图1电路工作时电流8mA左右,采用9V层叠电池可使用一年以上。作接收时,只需配图2的简单电路就能满足要求,遥控距离可达十米以上。
继电器的型号为JRX—13F,选线圈电阻为700Ω的。其标称工作电压为18V,但供电15V时已能可靠地吸合并省电。本电路中把它的两组常闭触头并联使用。
调试工作很简单,只需调节遥控发射器的可调电阻RP,使NE555第③脚输出的频率为40kHz即可。如果有示波器这个问题很好解决,在没有示波器的情况下,调节RP时使收、发之间的距离拉开到最大为止。
接收器只要安装无误,不用调整即能工作。对于多路选择控制电路中的延时电路,在设计时取的时间常数较大,所以操作按键可以从容地进行。如果在操作中感觉接收器反应速度过快或过漫,则可以调整延时电路的时间常数,具体做法可相应加大或减小R11~R15的阻值。
发射、接收器的配合试验是:连续几次按动发射器按键,首先VD12灭,过一会儿,对应的第几种的LED亮灭改变。若该路控制的电源插座C2上插有电器,则该电器的工作状态也会改变。紧接着,VD12变亮。这样就说明整机已经工作正常。(陈堰波)