普通流动彩灯是将许多彩灯泡排在一条线上,流动仅能在一条线上进行。而本文提出的二维流动图案彩灯,是先把16个彩灯泡按4×4点阵排成一基本彩灯单元,又把许多这样的单元拼合在一个平面上,再利用本文介绍的彩灯控制器,使各个基本彩灯单元上出现活动的图案。于是,由众多的基本彩灯单元拼合而成的巨形平面上就出现了多姿多彩、绚丽壮观的二维活动图案。
一、电路工作原理
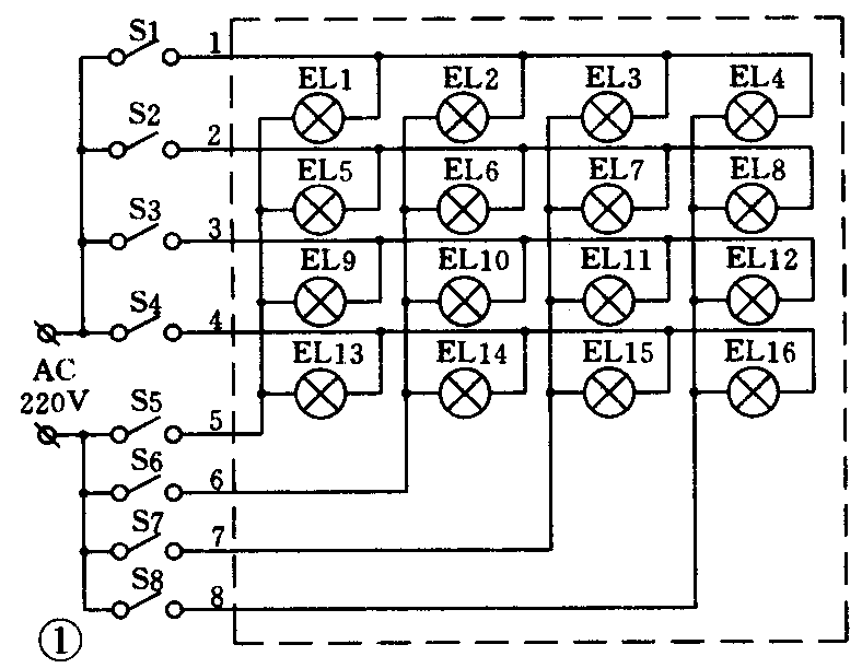
基本彩灯单元电路示于图1中的虚线框内。虚线框外的电路是控制器的等效电路。在实际控制器中,S1~S8是由可控硅实现的。设S1~S8合上的用“1”表示,断开的用“0”表示。要使灯泡EL1亮,则使S1为“1”、S5为“1”,其余全部为“0”即可,即S8……S1=00010001。又如,要使第三列灯泡全亮,则使S8……S1=01001111即可。由于S1~S8的开关状态共有256种组合,所以共可获得256种静止图案模式。使一连串不同的静止图案依节拍转换,就可得到活动的图案。

例1:要得到一个闪动的亮点沿着图2所示的路径逐步跳动的图案,可选择亮点从A点逐步跳到B点共占用64个节拍,每跳动一步占用4拍,则S8……S1的状态变换按表一所示过程进行(表一中的数据为十六进制)。


例2:旋转的“一”字形图案。图案移动情况如图3所示,图中实心圆代表亮点。为使移动速度合适,选取每一静止图案逗留8拍,则对应的S8……S1的状态变换如表二所示。


仿此,读者可编出各种各样的活动图案来。
控制器电路如图4所示。IC4:B、VT1~VT8、TR1~TR8分别是VS1~VS8的触发电路。现以VT1、T1、VS1为例来分析触发电路的工作原理。IC4:B是多谐振荡电路,产生频率约1kHz的方波,从9脚输出,加到VT1的发射极。当VT1基极为低电平时,无论发射极为高电平还是低电平,VT1均截止,无触发信号传到VS1的控制极上;当VT1基极为高电平时,则IC4:B输出的1kHz方波电压被VT1以共基极形式加以放大,由T1传到VS1的控制极,VS1被触发导通。在一个工频周期内,VS1被触发了约20次,从而提高了触发的可靠性,又确保了VS1的导通角基本为360°。这种触发电路使控制电路与交流电源隔离,以保安全。

IC2和IC3是十二级二进制计数器。IC4:A是节拍振荡器,它的5脚输出的脉冲作为IC2、IC3的计数脉冲,从而产生EPROM2764的读数地址。其中IC2产生2764地址的A0~A5位,对应2764中的64个字节。每一字书按地址顺序从2764的数据端口并行输出,并经R1~R8分别传到VT1~VT8的基极,去控制VS1~VS8的导通或关断。每一字节代表基本彩灯单元的一种静止图案,64种静止图案逐一转换,形成一幅流动的图案。故A0~A5计数一个循环(即A0~A5从00000计数到111ll),就完成了某种图案的一个流动周期。当经历8个这样的周期后,IC2的Q8端就输出一个计数脉冲,使IC3产生的高位地址A6~A7加1,从而自动转换到读取2764中的下64个字节,输出下一种流动图案。每一种流动图案占用64个字节,故具有8192个字节的2764可写入128种流动图案。
图5给出了多个基本彩灯单元的拼接图。拼接时,各单元的引线的序号如果按相邻单元颠倒排列(图5即是),则各个图案变得容易区分,如便一中的图案,将是一个图案反时针旋转,另一相邻图案顺时针旋转;如果全部按顺序排列,则可能图案在整个平面上具有整体感。灯泡颜色的选择,应使相邻单元的颜色错开。两个彩灯之间的距离按具体视野情况在0.1~0.5米之间选择。

二、元件选择与编程
T1~T8是脉冲变压器,可用袖珍收音机的音频变压器或Ф15、导磁率高的磁环作铁芯绕制,初级用Ф0.25漆包线绕100匝,次级用Ф0.5漆包线绕50匝。其它元件按图4标注的数据选择。读者可根据自己设计的流动图案,换算成十六进制数据,利用EPROM编程器将数据按状态转换的顺序写入2764中。(管庶安)