为了得到宏亮的声音和良好的音质,除了要求扩音机和扬声器本身质量好外,还跟扩音机与扬声器的配接很有关系。如果配接不好不但造成失真大、声音小,严重时还会损坏扩音机和扬声器,这种事屡见不鲜。所以,有必要正确地掌握扩音机与扬声器的配接。
一、基本概念
1.扩音机的主要参数有:
(1)额定输出功率(Po):表示在一定非线性失真条件下,扩音机输出功率的大小。
(2)输出阻抗(Zo):表示从扩音机中得到额定输出功率时必须接上的负载阻抗值。阻抗32Ω以下称为低阻输出,100Ω以上称为高阻输出。
2.扬声器的主要参数有:
(1)额定功率(标称功率)(Pi)。表示在额定失真范围内所能承受的最大输出功率。
(2)标称阻抗(Zi)。表示输入信号为400Hz时扬声器音圈所呈现的交流阻抗。
(3)实得功率(Psi)。由广播线路决定,根据具体要求来选择,但不得超过扬声器的额定功率,否则容易损坏扬声器。
二、扩音机与扬声器的正确匹配方法
1.定阻式扩音机与扬声器的匹配必须遵循三条原则:
(1)阻抗匹配:负载总阻抗等于(或接近)扩音机输出阻抗(ΣZi=Zo)。当负载阻抗大于输出阻抗时(轻载),输出功率减小,失真加大,输出电压升高,严重时击穿输出变压器。在实际工作中允许负载阻抗稍大于输出阻抗,一般不超过10%。当负载阻抗小于输出阻抗时(过载),引起严重失真,损坏扩音机。所以不允许负载阻抗小于输出阻抗。
(2)功率匹配。全部负载的额定功率等于(或稍大于)扩音机的输出功率(Pi\(_{总}\)≥Po)。在实际工作中负载稍小或稍大一些是可以的,但不应小于扩音机额定功率的70%,不大于扩音机额定功率的110%。如果负载总功率小于70%时应该用线绕电阻来吸收扩音机输出的多余功率。
(3)功率分配平衡。即每个负载分配到的实得功率(Psi)应等于或稍小于它的额定功率(Psi≤Pi)。
2.定阻式配接计算方法
在低阻抗输出时可以采用扬声器串联、并联或混联之后,直接与扩音机输出端子配接。计算方法如下:
(1)计算扬声器总阻抗
可按一般阻抗串并联方法计算串联总阻抗Z\(_{串}\)和并联总阻抗Z并。
(2)计算扬声器总额定功率:
串联、并联均为P\(_{联(或并)}\)=P1+P2+…=ΣP串(或并)
(3)计算每只扬声器实得功率(Psi)。
串联:Psi=(Zi/Z\(_{串}\))×Po
并联:Psi=(Z\(_{并}\)/Zi)×Po
串联时每只扬声器的工作电流要求相等或接近,否则不能串联使用。串联或并联时都应满足匹配三条原则。
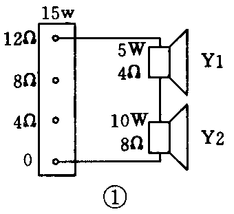
例1、有一台15W扩音机,输出阻抗为4Ω、8Ω、12Ω,现有两只扬声器分别为5W、4Ω和10W、8Ω,将其串联后接至扩音机输出端,是否可以?

解:如图1所示,判断通过每只扬声器的电流是否相等
I1=\(\sqrt{P1}\)/Z1=5/4=1.1(A)
I2=\(\sqrt{P2}\)/Z2=10/8=1.1(A)
可见两者工作电流相同,可以串联。
(1)总阻抗 Z\(_{串}\)=Z1+Z2=4+8=12(Ω)(符合原则一)
(2)总功率 P\(_{串}\)=P1+P2=5+10=15(W)。(符合原则二)
(3)功率分配
Y1:Ps1+(Z1/Z\(_{串}\))×Po=(4/12)×15=5(W)。(符合原则三)
Y2:Ps2+(Z2/Z\(_{串}\))×Po=(8/12)×15=10(W)。(符合原则三)
计算结果表明符合匹配三条原则,可以串联,接在0~12Ω端。若采用并联,虽然功率匹配,但功率分配不符,必将烧坏5W、4Ω扬声器。
当用串、并联或混联连接时却无法找到扩音机输出的合适端子时,可采用分头接法。其扬声器应接扩音机输出端子的阻抗为Zo=Zi×(Psi/Po)。
二个输出端子之间的阻抗不能用简单的加减法计算,而必须用公式Z=(\(\sqrt{Zg}\)-Zd)\(^{2}\)计算(Zg为高端阻抗值,Zd为低端阻抗值)。例如16Ω和8Ω两端间的阻抗不等于16-8=8(Ω),而应该等于Z=(\(\sqrt{Zg}\)-Zd)2=(\(\sqrt{16}\)-8)\(^{2}\)=1.44(Ω)。
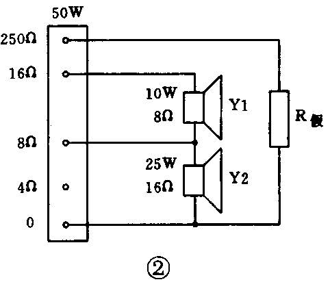
例2、有一台50W扩音机,其输出阻抗有4Ω、8Ω、16Ω、250Ω,现有25W16Ω和10W、8Ω的扬声器各一只,应如何连接?

解:如图2所示,根据分头连接公式,
Y1扬声器:
Zo1=Z1×(Psi1/Po)=8×(10/50)=1.6(Ω)(1)
Y2扬声器:
Zo2=Z2×(Psi2/Po)=16×(25/50)=8(Ω) (2)
由(1)式看出Y1扬声器应接输出端子1.6Ω端(而不是8Ω端),可是输出变压器无此端,这时可寻找扩音机任意两端子之间的阻抗有否等于或接近于1.6Ω端子。通过计算可知Z=1.44(Ω),接近于1.6Ω。为此,Y1扬声器可接在8Ω~16Ω端,而Y2扬声器接在0~8Ω端(而不是接在16Ω端)。2只扬声器的总功率为35W,是扩音机额定输出功率的70%,音量开小些可以工作。为得到较好的配接应接假负载来吸收多余的15W功率。计算假负载电阻公式为R\(_{假}\)=Zo×(Po/P假)。上例中假负载阻值为:R\(_{假}\)=Zo×(Po/P假)=250×(50/15)=833(Ω)。为了安全起见,假负载的功率应选择比计算值大1.5~2倍,上例中可选用30W的电阻作假负载。
当扩音机与扬声器距离很远时(如农村有线广播)必须考虑线路损耗。由于电动式扬声器阻抗较低,这时就要用线间变压器进行阻抗变换,以达到阻抗匹配目的。对线间变压器的要求是:(1)线间变压器的额定功率等于或大于扬声器的额定功率;(2)变压器的次级阻抗等于所接扬声器的阻抗;(3)变压器初级总阻抗等于扩音机输出端阻抗。线间变压器初级阻抗计算公式为X=(Po/Psi)×Zo。扬声器总功率为P=P1+P2+…=ΣPi。同时应满足匹配三条原则。
例3、今有一台100W定阻输出扩音机,其输出阻抗为4Ω、125Ω,现有25W、16Ω的扬声器2只,12.5W、8Ω的扬声器4只,如果是用在距离较远的有线广播上,应怎样接法?

解:如图3所示,由于广播线较长,为减少线路损耗,采用高阻抗输出接法,选用6个线间变压器分别跟6只扬声器配接,线间变压器并联使用。
(1)扬声器总额定功率为100(W)。
(2)根据对线间变压器要求条件(2),25W扬声器采用次级16Ω抽头,12.5W扬声器采用次级8Ω抽头。
(3)线间变压器初级阻抗,根据公式计算可得25W和12.5W线间变压器初级阻抗分别为500Ω和1000Ω。总阻抗为Z\(_{并}\)=125Ω。
结论:25W和12.5W线间变压器初级抽头分别选用500Ω和1000Ω端子,并符合配接原则。
3.定压配接计算方法
定压式扩音机输出端是以电压标志的。配接时要求符合:(1)扬声器额定电压和扩音机输出电压相符;(2)扬声器需要的总功率不大于扩音机额定输出功率。扬声器的额定电压指的是扬声器得到额定功率时所需要的电压。根据公式U=Pi×Zi可以标出额定电压。
如果在实际工作中扩音机的输出电压与扬声器所需要配接的电压不符,就需要线间变压器进行电压匹配。对线间变压器的要求是:(1)线间变压器初级电压与扩音机输出电压相符,次级电压与扬声器所需电压相符;(2)线间变压器的功率必须等于或大于扬声器的总功率。为保险起见,线间变压器的功率应稍大于扬声器的总功率。
例4、一台50W扩音机,输出电压为20V、120V两档。试问当(1)有2只25W、6Ω的扬声器;(2)只有一只25W、16Ω的扬声器,这两种情况应如何配接?
解:当2只25W、16Ω扬声器配接时
(1)每只扬声器所需电压U=\(\sqrt{PiZi}\)=25×16=20(V)。
(2)2只扬声器的总功率P=P1+P2=25+25=50(W)。
结论:可把2只扬声器直接并在20伏档,符合匹配要求。
当一只25W、16Ω扬声器配接时
(1)所需电压U=\(\sqrt{PZ}\)=25×16=20(V)。
(2)总功率为25W。
结论:此只扬声器可接在20伏档,因电压相符。但扩音机额定功率为50W,而扬声器实得功率只有25W,扩音机负载比较轻,为了扩音机的安全,负载不要轻于50%,接上假负载为妥。
三、使用扩音机应注意以下三点
1.一定要按规定接好负载,在使用过程中不要随意变动。
2.要认真检查负载线有否开路或短路。
3.扩音机各音量旋钮要放在最小位置,使用时慢慢增大。(兰雄荣)