东芝系列录像机故障率比较高,检修难度也比较大,只有熟悉电路原理,掌握正确的检修方法才能收到事半功倍的效果,下面介绍几个检修实例供参考。
例1 故障现象:一台DV-98C型机,插上电源后,多功能显示屏亮,电源指标灯指示也正常,但录像带不能入盒,用户反映偶尔也能入盒放像,只是录放过程中常出现停机现象。
分析与检修:多功能显示屏与电源指示灯均能正常指示,说明开关稳压电源的主电路与显示电路的二次升压电路的供电均正常,造成录像带不能入盒的原因主要有3种可能性:①入盒开关或入盒电机电路有问题;②微处理器电路工作异常,使得逻辑功能紊乱;③逻辑电路的供电支路失常,造成无逻辑指令。
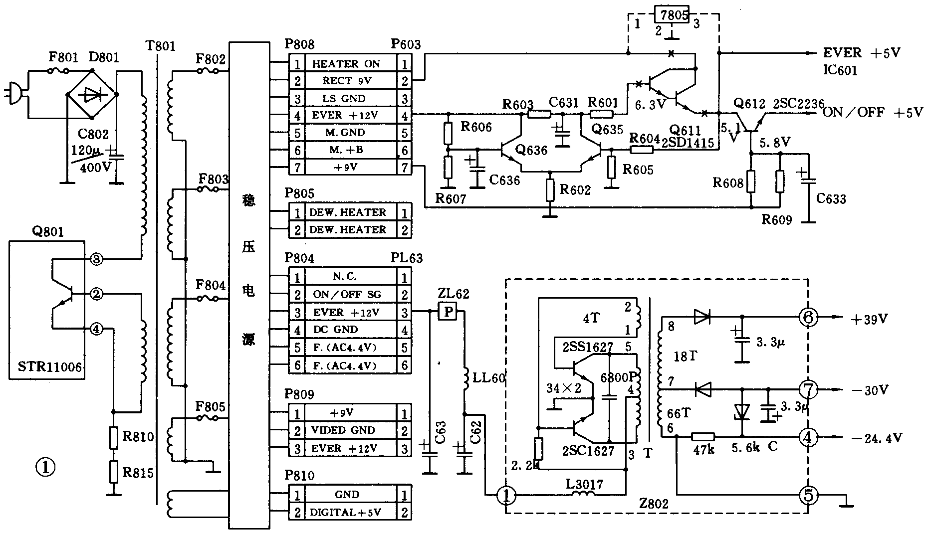
打开机盖查得入盒开关良好,机械传动与入盒电机也都正常,由于录像机的功能操作均受微处理器IC601的控制,当IC601无工作电压或时钟振荡没起振时,均可能使录像带不能入盒,故先检查IC601的工作状态。测得IC601供电电位为4.6V(正常值应为5.1V),同时发现该电位有不稳定现象。为证实是供电故障还是IC601本身的问题,先断开的外部供电,单独给加上5.1V的标准电压,没有发现电压跌落和不稳定现象,同时IC601的时钟振荡输出有3V左右的交流电压存在,说明电路起振良好,也证实了IC601的内部供电无问题,因此,可判断是5.1V的供电支路有故障。该机有关电路如图1所示。进一步检查,测得供电支路电源插头P603的各脚电位正常,稳压输出管Q611(2SD1415)的c极与b极电位也基本正常,而e极输出电压为4.7V的不稳定值。断开e极的所有负载后,电压仍不能恢复到5.1V的正常值。用加热法给该管加温后,e极输出电压明显下跌,不稳定范围变大,说明该管已不能继续使用。由于2SD1415为复合管,市场上不易购到,故采用了价低易购的三端稳压块7805进行替换,故障排除。经多台机长期使用证明替换后的效果良好可靠。替换方法简便,因原管2SD1415的散热片已接地,故将7805固定在原管位置上,其②脚可不必另焊接地线,只需把电路板上的R601与R604焊开一端空悬不用,使Q635与Q636均不工作,见图1标有“×”处,然后按图接好稳压块即可开机使用。为保证整机的性能,7805的稳压值最好选用接近于5.1V的。

例2 故障现象:一台V-94C型机,多功能显示屏与电源指示灯均无显示,无操作功能。
分析与检修:要使显示屏和电源指示均能正常工作,必须满足微电脑ICX01三个条件:①合适的工作电压;②有4MHz的晶振信号;③正确的时钟脉冲。为了达到快速安全的检修目的,先检查电源供电电路,有关电路如图1所示。开机盖发现主电源电路的F802已烧断,测得F804也被烧断,为了避免故障扩大,先检修主电源。将电源板支路供电插头P804、P805、P808及P809全部拔下,暂时断开机内所有的负载,在+12V输出端接一只12V/0.25A的小电珠作为假负载和监视用,换上好的F802及F804,通电测得各支路输出电压均正常,说明主电源无故障,故障在分支电路中。拆除小电珠,分别插上视频电路支路插头P809和逻辑电路分支供电插头P808,用电压表监视没有出现电压跌落现象,当插上P804后,+12V输出电压立即跌至8.5V左右,说明显示电路的供电支路存在短路故障。继续采用分段检查法检查,断开电感LL60一端后,电压恢复到+12V,断电测得二次电压变换器Z802的电源输入端①脚对地电阻仅为几欧姆,说明电压变换器内部有短路存在。图1所示Z802电路是按实物绘制的。从电路原理分析,电压变换器内部的多谐振荡器和变压器出故障的可能性较大,故焊下电压变换器Z802检查,测得一只振荡管2SC1627的c极与e极已被击穿,为保证变换器的性能,同时将两只振荡管换成性能基本一致的BC548型三极管。先在Z802的①脚与⑤脚加一电压检测,测得⑦脚、⑥脚及④脚均有电压输出,说明Z802已能正常起振。重新焊好Z802开机,故障排除,录像机各功能均恢复正常。
类似该例的故障在这类机中最多见,只是表现的故障现象有所不同而已,如两只振荡管均被击穿,变压器T的绕组之间被击穿或磁芯屏蔽罩脱落后引起的短路等等。当电流超过了限流保护器ZL62的限流值300mA时,ZL62被烧断。可用0.25A的保险管替换作应急处理。变压器绕组击穿可用直径0.12mm的高强度漆包线按图1所示匝数进行绕制,应注意其绕向,否则电路将不起振。绕制好后最后用石腊灌封或采取其他的防潮处理。
例3 故障现象:一台V-94C型机,开机发现主导轴电机不转,不走带。
分析与检修:主导轴电机不转常见原因有三种:①主导轴电机供电回路有问题;②主导轴电机组件有故障;③主导轴伺服系统工作异常。通常情况下大多是伺服电路有故障,故先检查主导轴驱动管Q508的各极电位,见图2。测得该管c极电位为15.5V,说明电源供电基本正常,而b极电位为0V,说明无驱动控制信号。断开IC503的⑦脚,测得⑦脚有2.55V的高电位,证明IC503工作正常。按动放像键PLAY,测得Q510的b极控制信号正常,从电路分析,初步判断造成Q508的b极电位下降的原因可能是信号控制管Q510的c极与e极击穿,断电测得Q510的c极对地电阻值为0,焊下检查证实判断正确。由于Q510管内部带有分压限流电阻,市场上难于购到,故采用塑封管3DG12按图2外接2只10kΩ电阻进行替换,实践证明效果良好。

例4 故障现象:一台93DC型机,用户反映因未拔电源插头遭雷击,造成整机不能操作,且无电源指示。
分析与检修:该例的故障特点很明确,说明雷击感应电动势是从电源线串入,故重点检查电源部分。开机盖检查,电源进线保险管F801严重发黑并已烧断,整流桥组件已被炸裂,说明机内存在严重的短路。测得开关厚膜块STRll006的③脚对地电阻阻值为0,内部开关管正反向电阻值也为0,说明厚膜块已被击穿。因手头无该种厚膜块,经查阅资料,采用STR10006直接代换。更换整流组件后测得STR10006的③脚对地电阻值仍接近于0,说明还有短路点存在。断开其③脚后测厚膜Q801各脚对地电阻,阻值正常,因此,判断滤波电容C802被击穿。更换该电容,给电源板带上假负载,通电检测各分支输出电压均恢复正常。给整机带负载通电试机各功能均能工作,说明故障排除。
例5 故障现象:一台DV-90D型机,重放图像时出现时有时无现象,无图像时屏幕呈一片净白色。
分析与检修:从故障现象看好像是机内有接触不良的地方,轻轻摇动该部分的电插头和敲击电路板上各元件及连接线,故障现象无变化,说明虚焊和接触不良的可能性不大。从电视机屏幕呈现的一片净白色分析,说明机内的载频信号输出正常,只是没有图像信号输出。在录像机处于故障状态时,将射频输出方式改为线路视频输出,还是没有图像信号,故确定视频电路有故障存在。因此,重点检查视放集成块IC201的工作状态,测得IC201的供电电位有不稳定现象,该电位一旦稳定,重放时的图像便恢复正常。断开⑤脚测得外部供电5V电压很稳定,断电测得⑤脚对地电阻时有时无,说明IC201内部有问题。更换视放IC201后录像机恢复正常。(唐广徽)