最新上市的卡拉OK录像机,如松下公司生产的NV-HD100MC、NV-HD95MC,JVC公司生产的HR-J37ED,东芝公司生产的V-K70,都具有音调变换功能。
当使用带有变调功能的卡拉OK录像机演唱卡拉OK歌曲时,如果感觉磁带上伴奏音乐音调太高唱不上去时,可以使用变调功能,将伴奏音乐音调降低来适应演唱者的音调,这样会给演唱卡拉OK歌曲增加乐趣,使伴奏磁带的适应范围更广泛。
变调的工作原理是将磁带上的音频信号进行变换,将频率升高或者降低,频率升高则音调升高,频率降低则音调降低。变调后的效果亦可使男音变女音,女声变童声,反之亦然。
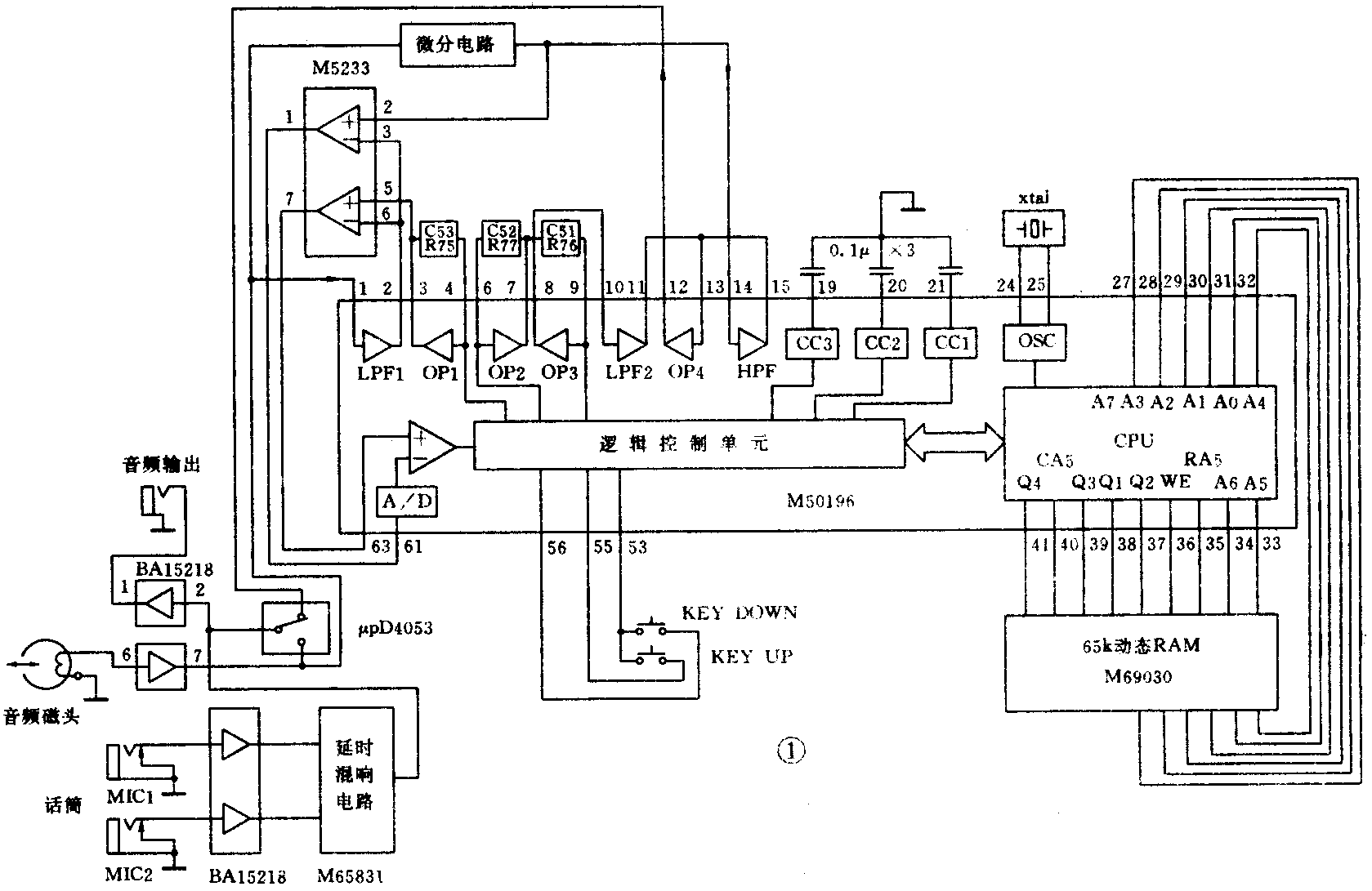
卡拉OK录像机的变调电路如图1所示。

该电路是由大规模集成电路芯片M50196和65k动态存储器M69030及一些外部电路构成的。M50196是将A/D变换器、CPU、逻辑控制单元、低通滤波器LPF、高通滤波器HPF、运算放大器OP1—OP4,电流控制单元CC1、CC2、CC3、振荡器OSC等集成到一块芯片上的卡拉OK专用变音电路。CPU控制存储器数据的读出与写入,其中A0、A7为行地址输出,A1—A6为列地址输出,Q1—Q4为数据输出,WE为写允许输出,RAS为行地址选通脉冲输出,CAS为列地址选通脉冲输出。M69030为配接M50196专用的存储器。使用16384×4bit即65536位动态存储器,采用循环存储随时刷新方式,减小了波形失真和衔接不连续引起的衔接噪声。
变调电路的工作原理及工作过程:
录像机重放时,磁头从磁带上拾取下来的音频信号经过放大器放大后送入M50196的1脚,通过内部的低通滤波器LPF1滤除高频成份后送入比较器M5233(高频成份则经过高通滤波器HPF不进行变换),与经过微分后的信号相比较后送入M50196的A/D变换器中,将模拟的音频信号先进行低频提升后再进行数字量化。量化的波形如图2所示。

数字量化后的信号要送入逻辑控制单元中进行编码,并送入由电流控制单元CC1与OP1、C53、R75组成的调制器中进行“行移键控”方式调制,使量化的“0”、“1”信号分别对应于不同的频率,以便进行传输和记录。调制后送入CPU中并写入到动态存储器M69030中。当要改变音调时按动开关“KEY UP”和“KEY DOWN”,即送入逻辑控制单元一个间隔为8ms的键控脉冲,逻辑控制单元根据该脉冲的极性和宽度对原数据进行重新编码,CPU则根据新的编码来控制从RAM中读出数据的速度,速度快则音调高,速度慢则音调低。
CPU从RAM中读出的信息要在逻辑控制单元中进行解码,并送入电流控制单元CC2、运放OP2、C52、R77、CC3、OP3、C51、R76组成的解调器进行解调并送入低通滤波器LPF2进行整形,整形后的波形恢复了原波形的形状如图3所示。只是频率改变了。

当你拿起麦克风唱卡拉OK歌曲时,声音信号经过MIC放大器BA15218,送入数字式延时混响电路M65831,与经过变调后的伴奏音乐相混合送给监示器或经过RF变换器送给电视机,你的歌声就会变得优美动听了。
在卡拉OK录像机上有3个按键:“#”显升调,“b”为降调,“为还原。当录像机处于原位置时,音调不改变。升调时可以升3次,降调时可以降4次。
用磁带上频率为1kHz的音频信号所测的升降调的频率变化如下表所示:
表
降 降 降 降 还原 升 升 升
次数 -4 -3 -2 -1 0 +1 +2 +3
频率(kHz) 0.77 0.82 0.88 1k 1k 1.06 1.12 1.18
从上表可以看出每次升降调的颜率变化大约为原调的6%。
从乐感上来听每次音调的升降度约为一个“半音”,即升降一个“小二度”。
M50196是三菱公司1993年最新开发出来的变音芯片,44—48脚还具有LED变调显示功能,当49—57脚接有不同的开关组合时将有十余种变调方式。该芯片亦可广泛应用于卡拉OK音响及CD机中,效果极佳。(张启明)