问:一台松下NV-J25MC录像机,磁带插入后,反复吸带、退带,然后断电停机,进入保护状态,不知故障原因?(江苏 杨立志)
答:根据故障现象,首先观察机械位置是否正常,如果发现继电器的连杆卡死,校正后手动加载、卸载正常,但是加电试机故障依旧,则应检测系统控制IC6001⑦脚(带盒位置状态检测)电位。正常情况下,起弹位置为低电平“L”,升降过程为高电平“H”,到位后为中电平“M”。若实测在起弹位置为高电平,而且在带盒升降过程当中,⑦脚电位没有任何变化,这说明带仓开关有问题。多为接插件P1508第③脚接地不良,处理后试机如果带仓进入、弹恢复正常,但是磁带到位完成全加载动作,随即卸载停机又进入保护状态,且在此过程中发现鼓有微动,但没有旋转,根据经验,一般是鼓电机内霍尔元件损坏所致。将机器反转过来,观察下鼓,可见一半露在外面的霍尔器件,用万用表测此霍尔器件,脚与脚之间电阻应为400Ω左右,若实测阻值偏离正常值太多,说明此霍尔器件已经损坏。由于市场上很难能购到此件,可用计算机中废旧磁盘内的霍尔器件代之,代换时要注意霍尔器件的极性。(聂元铭)
问:检修沙巴(SABA)彩电时,发现行推动管TL28集电极电压+17.5V取之于行输出变压器次级的U4,请问刚开机时行推动级并无此供电电压,那么行输出电路也不能工作,而U4电压又是怎么获得的?(上海 吴炳祥)
答:由于本机采用自激并联开关式电源电路,开机即能输出三组电压(U1、U2、U3),其中的U2(+13V)通过三端稳压器IP61后输出U7(+12V)加至行、场振荡电路IL03(TEA2026A)的⑧脚,使其开始工作并输出行脉冲;同时U2还通过RP61(2.2Ω)加至U4端作为启动电压供给行推动及其它电路,此时行输出电路开始工作,待U4升至13V以上时DP61由于反偏而截止,U7的输出实际改由U4提供。(于勇军)
问:一台长虹2162型彩色电视机刚开机时一切正常,工作一段时间后亮度自增,图像发白且满屏出现回扫线,有时又能自动恢复正常,持续少许又重现上述故障,将后壳打开,故障消失,怀疑是解码集成块TA7689AP热稳定性差所致,增加散热板故障照旧,最后将TA7698AP更换,故障仍不能排除,请问是什么原因引起的?如何修复?(西藏 樊强)
答:这种故障主要是接触不良所引起的。产生故障的主要原因有两种:一是生产厂在组装时对个别元件的引脚处理不净,造成虚焊所致。对于这种情况应重点检查视放级电源至回扫变压器间的元器件。二是在搬运时由于震动致使印制线路某个部位断裂,使元件处在似接非接状态。对于这种情况,应着重观察回扫变压器周围及相关电路的印制线路。(邱慧远)
问:一部先锋S260影碟机,出现CD不能唱,CD选曲难且有跳曲现象,后观察激光头(T头)镜面有一些灰尘,用无水酒精清洗后出现不能读碟子的现象,即影碟放进去也不能转,显示no Disc,请问是何原因?
答:激光头水平镜(物镜)表面一般喷涂上一层蓝色膜,这层膜对聚焦起着重要作用。如用酒精等溶剂擦洗,会对其造成破坏,造成不能聚焦或聚焦变差。所以遇有灰尘情况,应用棉签蘸自来水分几次擦洗。在操作时应注意两点:(1)不能让灰尘在擦洗过程中擦花镜面;(2)不能让支持物镜的线圈变形太大。顺便一提的是,这种T头与M头是通用的,先锋影碟机大小碟盘凡能分别出入的都用这种激光头。(陈远平)
问:一台松下TC-2186CV型54厘米直角平面彩色电视机,开机时尚能正常收看,过一会儿图声变差,并很快消失,即发生逃台故障。经检修发现30V调谐电压不稳,是波段转换块IC1103(AN5071)内部的32V稳压电路特性不良,该块难以购得,请问该怎样修复?
答:该机采用M15L机心,其波段转换块AN5071与一般转换块不同,内部含有32V调谐电压的稳压电路。从故障现象看,很可能仅是该块内部的32V稳压电路损坏,这时可以用如下的方法来修复:切断AN5071的⑥脚铜箔,在R1206原与⑥脚相连的一端焊上一只32V左右的稳压管,代替原块内部的稳压电路即可。(彬彬)
问:一台飞利浦22CS3404/002型彩电中的电源调整管BU426损坏,无法买到同型号管,怎么办?(山东 王泰)
答:BU426的主要参数是P\(_{CM}\)=113W、ICM=6A、BVceo=400V。国内市场几乎无法买到BU426。这时可用常见的2SD1430两只并联来直接代换BU426(注意绝缘),彩电即可正常工作。(汤志成)
问:一台咏梅牌S203型袖珍收音机中的一个标记为2CB1C的元件损坏,但走遍本地的电子商店也没能购到,也搞不清这是什么元件,请问何处能买到这种元件,是否可用其他元件代换?(贵州 欧毅)
答:2CB1C为硅补偿二极管。这种二极管具有较好的稳压及温度特性,在各种收音机、单放机、收录机及音响装置中应用较多,主要是用作温度补偿及电源降(稳)压补偿。2CB1C采用环氧树脂陶瓷圆片状封装,其主要电参数为:稳定电压0.6~0.7V,最大工作电流20mA,最大耗散功率50mW,电压稳定度30mV,电压温度系数3mV/℃。对于袖珍收音机中的2CB1C,可用普通硅二极管直接代换,只要主要电特性相似即行,如2CZ52A~H(2CP10~20)等均可。(德沅)
问:一台广明牌3017D型双卡收录机,录收音机信号及电视信号时出现“噗、噗”的声音,不知为何故?(宁夏 陈福祥)
答:若只是在录制强信号时产生“噗、噗”声,可能是一种过荷现象。双卡复制时,不存在此现象是因为放音卡放音时,放音电平不超过标准磁平(这是设计时决定的),所以不会出现过荷现象。
解决录制大信号时过荷的方法是检查录音卡自动电平控制电路是否失效。如果该机是手动电平调整,应将信号减弱。(宵明)
问:一台深乐SL600双卡收录机,其功放块KA2206损坏,用LA4182代换后收音正常,放音无声。怀疑是前置块TA7784P损坏,对换一块无效,查外接的所有电容、三极管,未发现异常,请贵刊帮我判断问题所在。(福建 张俞友)
答:一般来讲,在走带正常的情况下放音无声的故障多出在功能控制开关和磁带仓盒控制开关上。因为这两个开关或影响放音信号的传输,或影响前置放大电路的供电。按你讲述的检修过程,检查这两个开关是否接触良好更为重要的。如果手头有润滑清洁剂,可对这两个开关喷洗并反复动作,如仍不见效,可用万用表测各组开关的阻值进行判断。在上述检查未发现故障的情况下,将录音机置于放音状态,然后用信号注入法(人体感应信号即可)检查前置放大集成电路的信号输入、输出端,一般能很快找到故障所在。(蒋秀欣)
问:一台便携式收录机内的功放集成块损坏,其型号为KA2213,请问用什么型号的集成块可以直接代换?(浙江 杜勤刚)
答:KA2213是韩国产品,与其参数及引脚排列相同的有国产CD4160和日本产LA4160集成电路,可选用其中一种直接代换。(邱慧远)
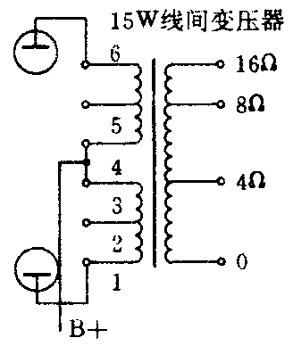
问:我电影放映队的15W放映扩音机,输出变压器烧坏,买不到该变压器,有无应急修理办法?(方爱平)
答:有。可用有线广播中15W线间变压器代用。使用证明,效果满意。
接线方法如图所示。将原机上的坏变压器拆下,把15W线间变压器固定在原变压器的位置上,将初级的抽头3、4端串联起来,引出一条接线接高压B+;初级的1、6端子分别接推挽管的屏极。经测试15W线间变压器初级l、3和4、6间的线圈匝数相等,直流电阻值也相等且与原变压器的数据相近似。所以两推挽管屏极上所获电压和原变压器一样。放映扩音机输出功率为15W,用15W线间变压器代用正合适。该变压器次级有0、4Ω、8Ω、16Ω几种阻抗值,可视扬声器的输入阻抗和功率进行配接,如配接15W 8Ω,或15W 16Ω扬声器都能达到功率和阻抗匹配。(倪耀成)

问:用STK4151和STK4191组装的100W×2与150W×2的扩音板,不知其厚膜功放集成IC所用工作电压及其他参数,另外,这种双声道的功放板能否增加功率而将其两路放大器并联使用?(河北 孙振海)
答:STK4151与STK4191各有两种分类,其参数如下表:

要想增加输出功率,不可将使用同一组正负电源的两个声道并联使用。因为它们接成OCL输出,输出端没有隔直电容。另外,由于两个声道的相位特性、放大倍数等一致性不会那么好,容易引起谐波失真加大。如将两声道接成BTL形式,可以增加输出功率,使之为原先的4倍,但是还应增加电源变压器的容量(使次级电流为原先的两倍),增大整流二极管的电流与滤波电容的容量,这样才能达到很大的输出功率。(张国华)