无线电爱好者常会制作一些带有功放电路的电子小作品,如“喊话机”、“电子对讲门铃”等。在装这些电路时,如能找到一块外围电路简单、调试方便的集成功放电路来担任功放任务,那将使你的作品的成功率大大提高。本文介绍的LM386就是这样的一块较理想的功放集成电路。
LM386是美国国家半导体公司生产的低电压小功率音频功放集成电路。它具有如下特点:1.工作电压范围宽:4~12V。2.静态耗电小:4mA(典型值)。3.失真低:0.2%(典型值)。4.电压增益可变:20~200倍(26dB~46dB)。5.外接元件少,电路内部工作状态自动调节。6.最大输出功率:660mW。7.频带宽度:300kHz。因此该集成电路广泛应用在各种通信设备、小型收录机、对讲机等电子装置中。
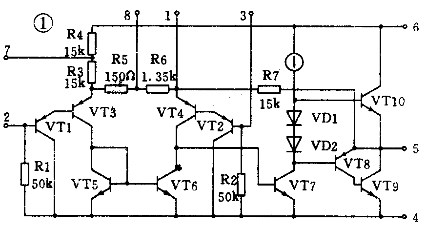
图1是LM386的内部电路原理图。它的外形采用8脚双列直插封装,图2是它的管脚排列图。左侧槽形缺口是定位标记,它的左下角引线是第l脚(有时上方还有一个圆点标记),它的第6脚接电源正极,第4脚接“地”,第2、3脚是输入端,第5脚是输出端,第1、7、8脚用以改善性能。


从图1可以看到:晶体管VT1~VT6构成了输入级,VT7为电压放大级,其集电极负载为一恒流源。VT8~VT10组成互补对称OTL输出电路。R5~R7构成负反馈环路,其固定增益为20倍。
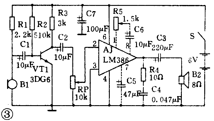
图3是以LM386为功放的一个喊话器电路。它可用4节干电池作电源。驻极体话简B1把声音转化成电信号,信号通过电容C1加到晶体三极管VT1的基极和发射极之间。VT1将电信号放大后,由集电极通过电容C2送到LM386的输入端2、3之间,经LM386内部几级放大后由5脚输出,通过C3推动扬声器发声。

在安装这个电路时应选质量好的元件。对于集成电路最好用一个8脚双列的集成电路插座,插座的左侧也有一个槽形缺口,象焊集成电路一样把插座焊在电路板上。当电路安装完毕、检查无误后再把集成电路的槽口对着插座的槽口插上集成电路,然后通电调试。这样既能防上烫坏集成电路,又便于调换集成电路。因集成电路的引出脚之间的间距很小(约2.5毫米)焊接时要锉尖烙铁头,不然容易搭锡。装好电路后在接上电源前,先仔细地检查一下电路,看看有否装错。校对无误后,接通电源进行简单的调试:先不接话筒,在无输入信号情况下,整机的静态工作电流应为7毫安左右。集成电路各脚工作电压见附表。若无电流指示,则检查电源连线是否良好,电源正负极有否反接。若集成电路各脚无电压或误差很大,则检查元件、线路有否错接、漏接。电流电压均正常后,把音量电位器RP放在中间位置,用起子碰触VT1的基极,扬声器会发出“咯咯”声,说明喊话器能正常工作。若无声则检查元件有否错接、漏接或假焊。最后,接上话筒,略调节一下音量电位器RP,对准话筒讲话,扬声器应有放大了的讲话声。若扬声器无声,则检查话筒(B1)的连接线有否接错或话筒有否损坏。检查话筒可用万用表的电阻RΩ1k档;红表棒接与外壳相连的一端,黑表棒接另一端,对着话筒吹气,如能看到指针有较大摆动,说明这个驻极体话筒能正常使用。

如要调节一下LM386的放大倍数,可在它的1、8脚之间接上一个可变电阻R5和一个10μF的电容C6组成的串联网络,当R5阻值为零时LM386的电压放大倍数最大(200倍)。如要使扬声器发出的声音柔和一些,可在5脚与地之间串接上一个电容C4和一个电阻R4。在7脚与地之间接上一个几十微法的电容C5,能防止LM386自激。这些在图3中都用虚线来画上。
使用喊话器时,话筒与扬声器不能靠得太近,否则会啸叫。话筒的引出线也最好用屏蔽线。 (周富发)