新型袖珍式数字万用表,在我国八十年代问世以来,受到广大电子技术人员和无线电爱好者的欢迎。它具有体积小、功能全、显示清晰、便于携带等特点,是其他仪表所无法比拟的。蜂鸣器电路在测量过程中,能以声报警信号,显示线路通断状态,极大方便了广大用户。但是当此部分出现故障,会给使用带来不便。本文介绍蜂鸣器电路的故障现象、故障原因以及检修方法,以帮助读者进行维修。
一、工作原理
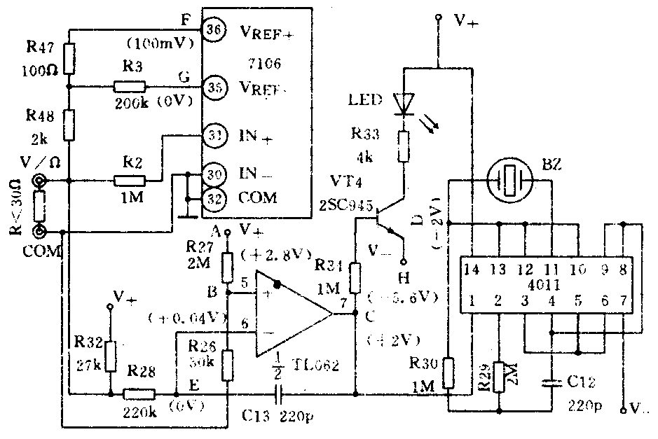
蜂鸣器电路由电压比较器和可控振荡器两部分组成,见附图。

数字万用表开机后,电压比较器(TL062)反相输入端(6脚)固定一正电压,由于此电压高于同相输入端(5脚)电压,使输出端(7脚)变为负电压,发光二极管和可控振荡器均不工作。
当使用蜂鸣器档时,被测端短路或接一低电阻(<30Ω),这时比较器反相输入端被“0”电平钳位,改变原状态,输出升为高电平,此高电平与可控振荡器控制端(1脚)相通,振荡器起振,同时发光二极管发出红光。
1.电压比较器:电压比较器采甲TL062CP双运算放大器,取其中062—1组构成蝉鸣器电路。运放同相输入端由R 26、R27分压限定参考电压+0.04V。反相输入端由 V+经限流电阻R28钳位+2.8V电压。因此,平时运放输入电压V6-V5=2.8-0.04=+2.76。运放输出端电压V7≈-4.6V,此电压不满足振荡器振荡条件和发光管导通条件。
当被测电路短路或接入30Ω以下电阻时,放大器及相输入端正电压(V+)被“0”电平拉下,而同相输入端仍保持+0.04V电压。因此,运放输入端电压: V6- V5=0-0.04=-0.04V。运放输出端电压V7≈+2.1V,满足振荡器起振条件。与此同时,NPN管VT4导通使发光二极管发光。
2.可控振荡器,可控振荡器由MC4011四与非门与电阻(R30)电容(C12)构成。R29为偏置电阻,可稳定门电路工作点。电压比较器输出端(7脚)与4011控制端(1脚)相通,当V7为高电压+2.1V时振荡器开始振荡。
二、故障分析
DT-890A数字万用表拨到蜂鸣器档,V/Ω与COM孔插入测试表笔,将红、黑表笔短接或接一小于30Ω电阻,此时蜂鸣器应发出声响,发光二极管应发出红光。如不鸣,可按以下步骤检查:
1. 压电陶瓷片(BZ)检查:该器件是用锆、钛、铅的氧化物配制,烧结而成。本身既很薄,又很脆,受到碰撞、振动容易损坏,检查时首先观察其表面有否断裂。如从外表看不出问题,可从仪表内部的压电陶瓷蜂鸣片两个电极上,分别焊一根导线,外接到一块质量完好的压电陶瓷蜂鸣片上。用DT890A万用表(拨到蝉鸣器档),将一根表笔把输入插孔V/Ω与COM短接,此时通电观察外接蜂鸣片应发出声响。如果不发声,说明问题不在陶瓷片本身。
2.振荡器电路的电阻检查:R29是振荡器偏置电阻,可稳定门电路工作点,R30是振荡电阻,R29、R30主要问题是断路和虚焊。可用另一块DT890A的200Ω档检查阻值和焊点连通情况。
3. 输入线路检查:输入端连接是否完好,可直观检查两根表笔与引线部位是否有脱离现象,表内端子焊接是否牢固,如看不出问题,可将两表笔插入V/Ω与COM两孔中,用DT-890A的20OΩ档,检查每根表笔与表内接线端子是否完好。
4.电压比较器检查:正常情况下(输入端短路)5脚(B)电压为+0.04V, 6脚(E)电压为0V,7脚(C)电压为+2V。这时可用DT—890A直流量程20V档检查上述三个脚电压值,如与上述情况相同,说明该电路正常,如出现7脚(C)电压为-4.6V说明该062运放损坏。
5.振荡器电路检查:正常情况下4011(l脚)电压+2V,4011(12脚)电压-2V。可用DT—890A直流电压量程20V档检查以上两点电压,如果以上两点电压正常,蜂鸣器不响,那么说明振荡器不起振,也就是压电陶瓷蜂鸣器两端没有振荡波形,可检查C12电容是否开路或虚焊。待问题解决后,即可出现正常波形。
6.如以上都正常,蜂鸣器仍然不响,最后要检查量程选择开关内簧片是否有接触不良现象,检查时用DT—890A的200Ω档测量量程开关各连接点电阻(电源关机,拨到蜂鸣器档),检查每个开关接触情况。如某一开关有不通现象,说明该开关簧片接触不好,应进行调整,保证接触可靠。
经过上述检查,一般都能找到故障所在,排除后,蜂鸣器电路就可正常工作。 (李启福)